Синтез логических схем для хранения и переработки информации. ЗадачиРефераты >> Программирование и компьютеры >> Синтез логических схем для хранения и переработки информации. Задачи
Переведём полученные выражения в логику И-НЕ:
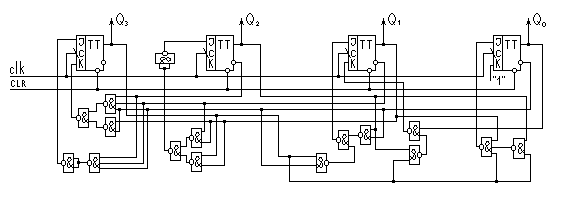
J3 = Q2*Q1*Q0 K3 = (Q2*Q1*Q0) * (Q1*Q0)
![]()
![]()
![]()
![]()
![]()
J2 = Q1*Q0 K2 = (Q1*Q0)* (Q3*Q1)
![]()
![]()
J1 = (Q3*Q0) * (Q2*Q0) K1 = Q0 * (Q3*Q2)
J0 = Q1 * Q3 * (Q3*Q2) K0 = 1
По полученным выражениям можно построить схему заданного счётчика:
Задача№4
Синтез последовательного восьмиразрядного сумматора.
Решение
При сложении двоичных чисел на уровне I-го разряда необходимо учитывать двоичные цифры ai и bi, а также возможный перенос из соседнего младшего разряда. Элементарное устройство, выполняющее суммирование указанных двоичных цифр называется полным одноразрядным двоичным сумматором (ПОДС).
Синтез ПОДС выполняется классическим путём, то есть начинается с таблицы истинности. Функции, описывающие выходы Si и Ci зависят от 3-х переменных ai, bi и ci ; поэтому таблица истинности будет выглядеть следующим образом:
|
ai |
bi |
Ci-1 |
Si |
Ci |
OO |
O1 |
11 |
1O | ||
|
0 |
0 |
0 |
0 |
0 |
O |
1 |
1 | |||
|
0 |
1 |
0 |
1 |
0 |
1 |
1 |
1 | |||
|
1 |
0 |
0 |
1 |
0 | ||||||
|
1 |
1 |
0 |
0 |
1 |
| |||||
|
0 |
0 |
1 |
1 |
0 | ||||||
|
0 |
1 |
1 |
0 |
1 |
OO |
O1 |
11 |
1O | ||
|
1 |
0 |
1 |
0 |
1 |
O |
1 | ||||
|
1 |
1 |
1 |
1 |
1 |
1 |
1 |
1 |
1 | ||
|
| ||||||||||
