Синтез комбинацонных схем и конечных автоматов, сети ПетриРефераты >> Программирование и компьютеры >> Синтез комбинацонных схем и конечных автоматов, сети Петри
Таблица 2.3.7 – Таблица истинности комбинационной части
Каждую из функций y(j) и s(j+1) минимизируем с помощью карт Карно:
y(j) s(j+1)
x1(j)x2(j) x1(j)x2(j)


00 01 11 10 00 01 11 10
0 1 1 0 1 1
s(j) s(j)
1 1 1 1 1 1
Рисунок 2.3.2 – Карты Карно для комбинационной части
На основании выбранных покрытий записываем минимизированные выражения для функций переходов и выходов:
(2.3.2)
(2.3.3)
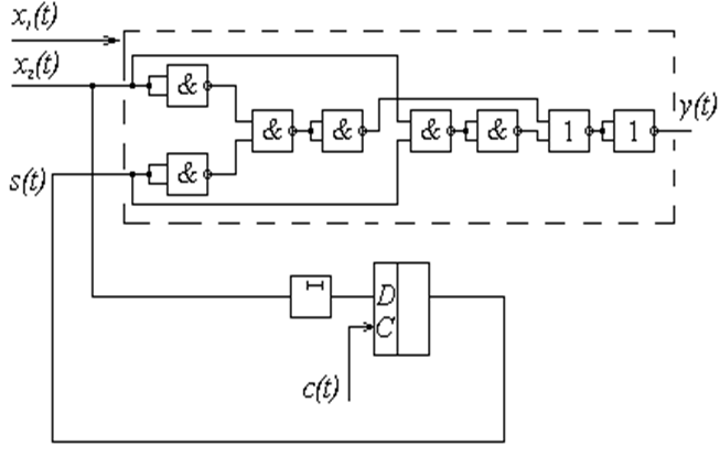
Реализуем полученные функции в виде комбинационной схемы, добавляя к ней элементы памяти – D - триггер и задержку. Комбинационную часть реализуем в базисе И – ИЛИ – НЕ.
Рисунок 2.3.2 – Схема минимизированного автомата в базисе И – ИЛИ – НЕ
2.3.4 Выводы по разделу
В этом разделе был показан пример минимизации (упрощения) конечного автомата с сокращением числа состояний, а также пример реализации автомата на логических элементах и элементах памяти. Мы убедились в том, что конечный автомат является расширением понятия комбинационной схемы на случай, когда для получения выходного сигнала в данный момент времени требуется “помнить” некоторое количество предыдущих значений входного сигнала, а не только его текущее значение. При практической реализации автомата стала очевидной польза проведённых операций по упрощению исходного автомата и приведению его комбинационной части к конкретному базису.
3 Сети Петри
3.1 Постановка задачи
Для заданной сети Петри, описывающей распределение ресурсов для случая двух процессов, сделать следующее:
а) выписать матричное уравнение смены маркировок;
б) построить дерево и граф покрываемости маркировок;
в) описать поведенческие свойства сети на основе графа покрываемости и матричных уравнений;
г) выписать множество достижимых из μ0 маркировок;
д) разработать программу моделирования сети Петри.
3.2 Теоретические сведения
Сети Петри – наиболее удачный из существующих математический аппарат для моделирования, анализа, синтеза и проектирования самых разных дискретных систем с параллельно протекающими процессами.
Определение. Сетью Петри называется четвёрка элементов
C = (P, T, I ,O), (3.2.1)
где
P = { p1, p2,…,pn }, n > 0 (3.2.2)
множество позиций (конечное),
T = { t1, t2,…,tm }, m > 0 (3.2.3)
множество переходов (конечное),
I: T → P (3.2.4)
функция входов (отображение множества переходов во входные позиции),
O: T → P (3.2.5)
функция выходов (отображение множества переходов в выходные позиции).
Если pi
I (tj) , то pi – входная позиция j - го перехода, если pi
I (tj) , то pi – выходная позиция j - го перехода.
Для наглядного представления сетей Петри используются графы.
Граф сети Петри есть двудольный ориентированный мультиграф
G = (V,
), (3.2.6)
где V = P U T , причём P ∩ T = Ø.
Исходя из графического представления сети Петри, её можно определить и так:
C = (P, T, A), (3.2.7)
где А – матрица инцидентности графа сети.
Определим понятие маркированной сети Петри – оно является ключевым для любой сети.
Маркировка μ сети Петри C = (P, T, I, O) есть функция:
N = μ(P), N
N, (3.2.8)
отображающая множество позиций на множество натуральных чисел. Маркировку можно также определить как вектор:
μ = {μ1, μ2,…, μn} , (3.2.9)
где n = │P │, а μi
N. Между этими определениями есть связь:
μi = μ (pi) (3.2.10)
На графе маркировка отображается ссответствующим числом точек в каждой позиции. Точки называются маркерами или фишками. Если фишек много (больше трёх), то их количество отображается числом.
Таким образом, маркированная сеть Петри представляет собой пятёрку элементов:
M = (P, T, I, O, μ). (3.2.11)
Пример простейшей сети Петри:
p1
▪▪▪
t1 p3
p2 ▪
Рисунок 3.2.1 – Пример сети Петри
Правила работы с сетями Петри.
Сеть Петри выполняется посредством запуска переходов. Переход может быть запущен в том случае, когда он разрешён. Переход является разрешённым, если каждая из его входных позиций содержит число фишек не меньшее, чем число дуг из неё в данный переход.
Процедура запуска состоит в удалении из каждой входной позиции перехода числа фишек, равного числу дуг из неё, и в выставлении в каждой выходной позиции числа фишек, равного числу дуг, входящему в неё.
Проиллюстрируем сказанное на примере уже нарисованной сети Петри. Запустим в ней переход t1 – он является разрешённым:
p1
▪
t1 p3
▪
p2 ▪
Рисунок 3.2.2 – Пример запуска перехода сети Петри
Пространство состояний и поведенческие свойства сетей Петри.
Пусть имеется маркированная сеть Петри:
M = (P, T, I, O, μ) (3.2.12)
У неё n позиций. В каждой позиции не более N фишек. Тогда пространство сотояний есть множество всех возможных маркировок сети. Определим δ – функцию следующего состояния.
Если переход tj разрешён при текущей маркировке μ , то следующая маркировка μ’ определится так:
μ’ = δ (μ, tj) (3.2.13)
Если переход tj не разрешён, то δ не определена.
Пусть {tj0, tj1,…, tjs} – последовательность запущенных переходов. Тогда ей будет соответствовать последовательность {μ0, μ1,…,μs+1}, то есть
μk+1 = δ(μk, tjk) (3.2.14)
На основании последнего равенства можно определить понятие непосредственно достижимой маркировки. Для сети C = (P, T, I ,O) маркировка μ’ называется непосредственно достижимой из μ , если существует такой переход tj
T, при котором
μ' = δ(μ , tj) (3.2.15)
Можно распространить это понятие на множество достижимых из данной маркировок. Определим множество достижимых из μ маркировок R(C, μ) следующим образом:
во - первых, μ
R(C, μ);
во - вторых, если μ’
R(C, μ), μ’ = δ(μ , tj) и μ’’ = δ(μ’, tk), то и μ’’
R(C, μ).
