Эффективные методы очистки технических вод машиностроительного производства
Таблица 2.2
Влияние прямого электролиза на качество очищенной сточной жидкости.
|
Показатели | Значение показателей на этапе обработки | Процент снижения показателей | |
|
до электролиза | после электролиза | ||
|
БПК5, мг/л |
1,46 |
1,46 |
0 |
|
ХПК, мг/л |
27,9 |
26,3 |
5,8 |
|
Окисляемость, мг/л |
5,14 |
4,73 |
8 |
|
Оптическая плотность (250 см) |
0,13 |
0,13 |
0 |
2.9.Схемы конструкции электролизных установок и принципы их действия
Возможные технологические схемы процесса получения растворов гипохлорита натрия зависит от вида исходного раствора хлоридов, требуемой концентрации активного хлора в готовом продукте, территориального расположения объекта, на котором производится гипохлорит натрия, стоимости электроэнергии и соли.
Наиболее простой схемой электролизной установки с минимальными возможными капитальными затратами является схема, при которой в качестве рассолов используют природные электролиты – подземные минерализованные и морские воды. В этом случае, как показывают расчеты, эксплуатационные расходы определяются в основном затратами электроэнергии, поэтому с целью снижения энергетических затрат процесс целесообразно вести в направлении получения слабоконцентрированных растворов гипохлорита натрия с содержанием активного хлора 0,2-1 г/л. При реализации такой схемы на практике электролит без какой-либо предварительной обработки с заданным расходом подается на электролизную установку, а затем в бак накопитель гипохлорита натрия или прямо в обрабатываемые системы.
В определенных условиях при работе электролизеров на морской воде по санитарно-гигиеническим соображениям требуется применение растворов гипохлоритов с более высоким содержанием активного хлора (до 3-3,5 г/л). Однако очевидно, что применение таких установок ограничено районами, расположенными в прибрежных зонах, и подземные минеральные воды могут использоваться только в тех случаях, когда вблизи очистных сооружений находятся пробуренные скважины многоцелевого назначения. В связи с вышесказанным, наибольшее распространение нашли установки, работающие на растворах поваренной соли.
Технологические схемы электролизных установок, работающих на растворах поваренной соли, могут быть как проточные, так и с системой рециркуляции.
Основное отличие режимных параметров проточных электролизёров от параметров электролизёров периодического действия заключается в том, что в первом случае процесс электролиза можно полагать стационарным, не зависящим от времени. При этом, если расход рассола, подаваемого на электролиз, и токовая нагрузка на электролизёр остаются постоянными, то сохраняется неизменной и концентрация раствора гипохлорита натрия, отводимого из электролизёра.
В электролизёрах периодического действия концентрация гипохлорита натрия зависит от времени, прошедшего с начала электролиза.
При использовании проточных электролизёров появляется возможность сократить затраты на обслуживание установок, т. к. здесь значительно легче управлять процессом.
При применении проточных электролизёров наиболее сложной задачей в обслуживании является обеспечение непрерывной подачи раствора поваренной соли на электролизёры.
В случае применения электролизёров периодического действия обслуживающий персонал должен значительно больше затрачивать времени на организацию процесса в связи с тем, что он вынужден несколько раз в сутки заполнять электролизёры раствором и сливать из них гипохлорит натрия.
Эта причина по-видимому обуславливает преимущественное применение электролизёров проточного типа за рубежом.
В зависимости от вида используемого сырья электролизные установки можно разделить на установки для прямого электролиза, для электролиза искусственно приготовленного раствора, для электролиза природных рассолов. В первом случае гипохлорит натрия получают из хлоридов, содержащихся в небольших концентрациях в обрабатываемой воде, а в двух последних для этой цели используют более концентрированные растворы поваренной соли.
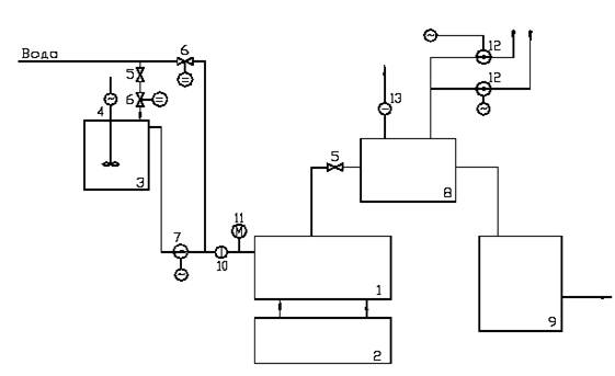
Рис.2.1. Технологическая схема проточного электролизера
1 – проточный трубчатый электролизер
2 – блок питания
3 – емкость приготовления концентрированного раствора соли
4 – мешалка
5 – шаровой вентиль
6 – регулировочные клапаны
7 – насос дозатор соляного раствора
8 – сепаратор
9 – емкость раствора гипохлорита натрия
10 – реле протока жидкости
11 – манометр
12 – вентилятор
13 – реле протока воздуха
Расход поваренной соли у прямоточных установок, как правило, несколько больше, чем у рециркуляционных. Однако их оформление и условия эксплуатации значительно проще. Поэтому такие аппараты зачастую используют на объектах небольшой пропускной способности, когда некоторый перерасход соли оправдан простой их конструкции и обслуживания.
В последние годы прямоточные схемы находят распространение и на очистных сооружениях и со значительной суточной потребностью в активном хлоре. В этих схемах используются электролизеры с окисно-металлическими анодами, способными эффективно работать даже при концентрации раствора поваренной соли всего 12-25 мг/л. При столь невысоком содержании хлоридов в исходном электролите экономически оправданная степень разложения соли достигается без применения каких-либо дополнительных устройств в виде рециркуляционных насосов, систем охлаждения и т.п.
Таблица 3
Размеры помещений в зависимости от типа установки
|
Показатель |
Значения показателей при типовом номере электролизера | ||||||||
|
1 |
1,5 |
2 |
5 |
10 |
15 |
20 |
25 |
30 | |
|
Производительность по активному хлору, кг/ч |
1,2 |
1,5 |
2 |
5 |
10 |
15 |
20 |
25 |
30 |
|
Размеры здания h*l, м |
2*2 |
2*2,5 |
2*2,5 |
2,5*3,5 |
3*5 |
4*7 |
5*7,5 |
6*6 |
6*6,5 |
