Эффективные методы очистки технических вод машиностроительного производства
Технологическая схема электролизера циклического действия более сложная по сравнению со схемой проточного электролизера. Поэтому она применяется, как правило, в тех случаях, когда требуется наиболее полное использование поваренной соли, а также при необходимости получения растворов гипохлоритов с повышенным содержанием активного хлора.
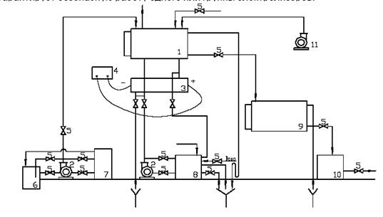
Концентрированный раствор поваренной соли из емкости мокрого хранения насосом подается в емкость рабочего раствора, где происходит разбавление соли водопроводной водой до рабочей концентрации, а затем – в электролизер. В процессе электролиза происходит нагрев электролита, поэтому необходима постоянная вентиляция.
Рис.2.2.Технологическая схема электролизера циклического действия
1 – электролизная емкость
2 – насос перекачивающий
3 – трубчатый электролизер
4 – блок питания ( выпрямитель)
5 – шаровые вентили
6 – емкость мокрого хранения соли
7 – емкость рабочего раствора соли
8 – узел кислотной промывки
9 - емкость раствора гипохлорита натрия
10 – дозирующее устройство
11 – вентиляционная установка
Таблица 2.4.
Основные технико-экономические показатели трубчатых электролизеров “ХлорЭл”
|
№ |
Наименование показат |
Модификация трубчатого электролизера ХлорЭл | |||
|
РГ001/800 |
РГ001/1150 |
РГ 001/1500 |
РГ 001/2000 | ||
|
1 |
Режим работы |
Прот-непр |
Прот-непр |
Прот-непр |
Прот-непр |
|
2 |
Рабочая концентрация Раствора NaCl, г/дм3 |
20+/- 2 |
20+/- 2 |
20+/-2 |
40+/-4 |
|
3 |
Удельный расход эл.эн на электролиз,кВт-ч/кг |
6,5 |
6,5 |
6,5 |
4,2 |
|
4 |
Материал анода |
ОРТА |
ОРТА |
ОРТА |
ОРТА |
|
5 |
Материал катода |
титан |
титан |
титан |
титан |
|
6 |
Удельный расход NaCl, кг/кга.х. |
3,3 |
3,3 |
3,3 |
5,0 |
|
7 |
Рабочая плотность тока, А/дм2 |
100 |
100 |
100 |
100 |
|
8 |
Ресурс работы анодного покрытия, ч |
2000 |
2000 |
2000 |
2000 |
|
9 |
Ресурс работы электродов, не менее, лет |
10 |
10 |
10 |
10 |
|
10 |
Производительность по активному хлору, г/ч |
800 |
1150 |
1500 |
2000 |
Достоинства электролитического гипохлорита натрия как эффективного бактерицидного агента, простота и надежность электролизных установок, а также заинтересованность потребителей в применении безопасного электрохимического метода обеззараживания воды привели к созданию огромного числа самых разнообразных по своей конструкции электролизеров.
Лучшими зарубежными образцами установок являются «Sanilec» (Diamond shamrock corporation), «Pepcon» (Pacific engineering and Production company of Nevada)
Так, например, фирмой « Diamond Shamrock Corporation» разработан ряд электролизеров. Наибольшее распространение поличила установка «Saniles», которая может работать при сипользовании как растворов поваренной соли, так и морской воды.
Установка «Saniles», работающая на поваренной соли, состоит из электролизера, выпрямителя, системы автоматической полачи рассола, емкостей для хранения рассола и гипохлорита натрия, умягчитеоя воды и элементов автоматического контроля за показателями работы.
Электролизер выполнен в виде корпуса прямоугольного сечения с расположенным в нем электродным пакетом. Аноды – малоизнашивающиеся стабильные электроды с активным покрытием из окислов драгоценного металла, катоды – титановые. Вся аппаратура изготовлена из таких коррозионно-устойчивых материалов, как титан, нержавеющая сталь, фторопласт и т.п.
Установка работает следующим образом. В растворном баке приготовляется концентрированный раствор поваренной соли, который насосом подается в смеситель, где разбавляется водой до 3%-ного содержания NaCl, а затем в - электролизер. Полученный гипохлорит натрия поступает в газоопределитель, собирается в емкости-хранилище и оттуда дозируется в обрабатываемую воду. Концентрация активного хлора в готовом продукте в среднем составляет в г/л. При необходимости она может быть несколько увеличена.
Вода, поступающая на растворение и разбавление соли, предварительно проходит через умягчитель. В процессе работы установки контролируется расход электролита, его концентрация, температура и другие технологические параметры. При отклонении параметров от заданных или создании аварийной ситуации установка автоматически отключается.
На получение 1 кг активного хлора расходуется 3,5 кг соли, 5,5 кВт-ч энергии и 125 литров воды.
Установки «Saniles» могут работать и при использовании морской воды. Морская воды предварительно перед подачей в электролизер должна пройти фильтрацию. Концентрация активного хлора в готовом продукте в зависимости от исходного солесодержания воды и режимных параметров составляет 0,2-2,35 г/л. Катодные отложения удаляются периодически путем кислотной промывки. По данным фирмы, частота промывки – 1 раз в 6 месяцев. Время, необходимое на проведение всей операции, с учетом установки электролизера и пуска его в эксплуатацию, составляет 4-6 часов. Установки выпускаются производительностью от 60 до 1000 кг активного хлора в сутки.
