Проектирование виброметраРефераты >> Технология >> Проектирование виброметра
Электрические параметры микросхемы КМ1816ВЕ751А
Номинальное напряжение питания 5 В±5%
Выходное напряжение низкого уровня ≤0.5 В
Выходное напряжение высокого уровня ≥2.4 В
Ток потребления, мА ≤220
Входной ток низкого уровня, мкА ≤500
Входной ток высокого уровня, мА ≤|-2.5|
Ток утечки сигналов РО (0…7) ≤100мк
Потребляемая мощность, Вт 1.4
Время задержки сигнала РМЕ относительно
Сигналов адреса А7… А0 ≥0
Период следования импульсов BQ2 83.3…286 нс
Время фронта нарастания или спада сигнала BQ2 ≤20 нс
Время хранения информации в выключенном состоянии>5 лет
Время хранения информации во включенном
состоянии >20 тыс.часов
Время выполнения короткой программы 1 мкс
4.6 Дешифратор.
Для того чтобы вывести на экран индикатора выходной сигнал с микропроцессорной системы требуется декодер для перехода двоично-десятичного кода в семисегментный код.
Выберем дешифратор двоично-десятичного кода в семисегментный типа К555ИД18. Данный дешифратор имеет четыре информационных входа D1, D2, D3, D4 и семь выходов с третьим состоянием Z. Дешифратор имеет выходы с открытым коллектором (3).
Сопротивления, которые подключаются к выходам дешифратора,
R12-R17, вычисляются по формуле
Где Uпит =+5 В -напряжение питания.
Uдш –напряжение на выходе дешифратора (0 В)
I˚вых –выходной ток при логическом нуле (4,5 мА)
Рассеиваемая мощность
Р = (I˚вых)² · R = 0.022 Вт
Выберем резистор типа МЛТ-0.125 Вт-11 кОм ± 10%
4.7 Устройство индикации.
В качестве устройства индикации выберем индикатор цифровой многоразрядный вакуумный люминесцентный ИВ-18, который предназначен для отображения информации в виде цифр от 0 до 9 и десятичного знака в каждом из 8-ми цифровых разрядов и вспомогательной информации на одном служебном разряде в средствах отображения информации индивидуального и группового пользования.
Корпус цилиндрический, стеклянный, выводы гибкие. Масса не боле 30 г.
Назначение выводов:
1- катод, проводящий слой внутренней поверхности баллона
2-
– аноды – сегменты с 1-го по 8-й разряд
3- ж1…ж8 – аноды – сегменты
4- е1…е8 – аноды – сегменты
5-
- аноды – сегменты
6-
– анод – сегмент 9-го разряда
7-
– анод – сегмент 9-разряда
8- а9 - анод – сегмент 9-разряда
9-12 – аноды – сегменты
13- катод
14- сетка 9-го разряда
15- сетка 1-разряда
16- сетка 3-разряда
17- сетка 5-разряда
18- сетка 8-разряда
19- сетка 7-разряда
20- сетка 6-разряда
21- сетка 4-разряда
22- сетка 2-разряда
Подключение выводов для формирования цифр и знаков:
Цифры: Выводы: Цифры: Выводы:
0 12,11,3,5,4,10 9 9,11,12,10,4,3
1 10,4 точка 2
2 12,10,9,5,3 черта 6
3 12,10,9,4,3 минус 7
4 11,9,10,4
5 12,11,9,4,3
6 12,11,5,3,4,9
7 12,10,4
8 12,11,9,4,3,5,10
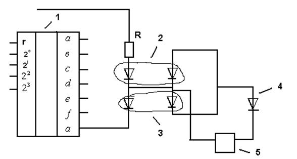
Схема управления:
1- дешифратор
2,3 –оптроны
4- индикатор
5- источник питания
Эквивалентная схема:
Основные данные ИВ-18:
Цвет свечения зелёный
Яркость индикатора, кд/м², не менее
одного цифрового разряда 900
служебного разряда 200
Напряжение накала, В 85±10
Ток накала, мА 50
Напряжение анода – сегмента, В 45
Ток анодов – сегментов суммарный, мА
для девяти разрядов 50
Скважность 10±1
Минимальная наработка, ч 10000
Срок хранения, лет, не менее 4
Блок питающих напряжений.
Выбор оптимального источника питания для виброизмерительного прибора – ответственная задача, поэтому прежде всего следует определить необходимое и достаточное качество его выходного напряжения .
Источник питания должен обеспечить питание для аналоговых микросхем:
К140УД15: +15 В…-15 В
КР590КН1: +15 В…-15 В
К1113ПВ1А: +5 В…-15 В
КМ1816ВЕ751А: +5 В
К555ИД18: +5 В
Выберем трансформатор ТПТ259 127 / 220-50, мощностью 31 В·А с бролевым сердечником ШМЛ 25*32 и напряжением вторичных обмоток 5;10;1.34 В.
Для выпрямления напряжения используем диодный мост КУ401Г
(Iпот max = 0.5 А)
При стабилизации напряжения питания будем использовать :
Для Uпит1 =+15 В –микросхему К142ЕН48
Для Uпит2 =-15 В – микросхему К142ЕН1
Для Uпит3 = +9 В – стабилитрон КС190Г
(Iст3=10 мА)
для Uпит4 = +5 В - стабилитрон КС156А
(Iст4=5 мА)
![]() |
Определим номиналы сопротивлений : R1 и R2
Из номинального ряда возьмём
Конденсаторы
возьмём по 100 мкФ
5. Метрологическое качество измерений.
Результирующая погрешность средства измерений складывается из отдельных составляющих, которые могут быть определены расчётным или экспериментальным путём.
А также суммировать погрешности часто необходимо при анализе и синтезе средств измерений, оценке погрешностей сложных измерительных устройств, когда известны погрешности отдельных его блоков, при определении его блоков, при определении требований к точности средств измерений, если изв6етна допустимая погрешность результата измерений.
Суммарная погрешность виброизмерительного прибора:
, где
- погрешность вибродатчика СЕТТ1
- погрешность усилителя напряжений
- погрешность коммутатора
- погрешность АЦП
, где
- допустимая погрешность, следовательно прибор отвечает качеству измерений.
Заключение.
На основе технического задания был разработан измерительный прибор, основанный на действии вибродатчика СЕТТ1 (на тензорезисторах), который применяется, как правило, для измерения относительного перемещения.

