Теория РезанияРефераты >> Технология >> Теория Резания
* Для всех вариантов принять резец с пластиной из твердого сплава.
ПРАКТИЧЕСКОЕ ЗАНЯТИЕ №2
Расчет режима резания при точении аналитическим способом
Цель работы: изучить методику расчета режима резания аналитическим способом. Ознакомиться и приобрести навыки работы со справочной литературой.
ОБЩИЕ СВЕДЕНИЯ
Обработка заготовки точением осуществляется при сочетании двух движений: равномерного вращательного движения детали - движения резания (или главное движение) и равномерного поступательного движения резца вдоль или поперек оси детали - движение подачи. К элементам режима резания относятся: глубина резания t, подача S, скорость резания V.
Глубина резания - величина срезаемого слоя за один проход, измеренная в направлении, перпендикулярном обработанной поверхности, т.е. перпендикулярном направлению подачи. При черновой обработке , как правило, глубину резания назначают равной всему припуску, т.е. припуск срезают за один проход
где h - припуск , мм;
D - диаметр заготовки, мм;
d - диаметр детали, мм.
При чистовой обработке припуск зависит от требований точности и шероховатости обработанной поверхности.
Подача - величина перемещения режущей кромки инструмента относительно обработанной поверхности в направлении подачи за единицу времени (минутная подача Sм) или за один оборот заготовки. При черновой обработке назначают максимально возможную подачу исходя из жесткости и прочности системы СПИД, прочности пластинки, мощности привода станка; при чистовой обработке - в зависимости от требуемой степени точности и шероховатости обработанной поверхности.
Скорость резания - величина перемещения точки режущей кромки инструмента относительно поверхности резания в направлении движения резания за единицу времени. Скорость резания зависит от режущих свойств инструмента и может быть определена при точении по таблицам нормативов [4] или по эмпирической формуле
где Сv - коэффициент, учитывающий условия обработки;
m, x, y - показатели степени;
T - период стойкости инструмента;
t - глубина резания, мм;
S - подача, мм/об;
Kv - обобщенный поправочный коэффициент, учитывающий изменения условий обработки по отношению к табличным
,
где Kmv - коэффициент, учитывающий влияние материала заготовки;
Knv - коэффициент, учитывающий состояние поверхности заготовки;
Kuv - коэффициент, учитывающий материал инструмента;
Kjv - коэффициент, учитывающий главный угол в плане резца;
Krv - коэффициент, учитывающий радиус при вершине резца - учитывается только для резцов из быстрорежущей стали.
При настройке станка необходимо установить частоту вращения шпинделя, обеспечивающую расчетную скорость резания.
, об/мин (2.3)
Основное технологическое (машинное) время - время, в течение которого происходит снятие сружки без непосредственного участия рабочего
, мин (2.4)
где L - путь инструмента в направлении рабочей подачи, мм;
i - количество проходов.
L=l+y+
, мм
где l - размер обрабатываемой поверхности в направлении подачи;
y - величина врезания, мм;
- величина перебега, мм,
=1¸2 мм.
y=t×ctgj ,
где t - глубина резания;
j - главный угол в плане резца.
Пример решения задачи
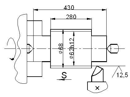
На токарно-винторезном станке 16К20 производится черновое обтачивание на проход вала D=68 мм до d=62h12 мм. Длина обрабатываемой поверхности 280 мм; длина вала l1= 430 мм. Заготовка - поковка из стали 40Х с пределом прочности sв=700 МПа. Способ крепления заготовки - в центрах и поводковом патроне. Система СПИД недостаточно жесткая. Параметр шероховатости поверхности Ra=12,5 мкм. Необходимо: выбрать режущий инструмент, назначить режим резания; определить основное время.
Решение
1. Выполнение эскиза обработки.
![]() |
рис. 1
2. Выбор режущего инструмента
Для обтачивания на проход вала из стали 40Х принимаем токарный проходной резец прямой правый с пластинкой из твердого сплава Т5К10 [2] или [3]. Форма передней поверхности радиусная с фаской [3]; геометрические параметры режущей части резца:
g=150 ; a=12; l=0 [3],
j=600 ; j1=150; [3],
r=1 мм; f=1 мм; [3].
3. Назначение режимов резания
3.1. Глубина резания. При черновой обработке припуск срезаем за один проход, тогда
3.2. Назначаем подачу. Для черновой обработки заготовки из конструкционной стали диаметром до 100 мм резцом сечением 16х25 (для станка 16К20) при глубине резания до 3 мм:
S=0,6¸1,2 мм/об [2], [3].
В соответствии с примечанием 1 к указанной таблице и паспортным данным станка (см. Приложение 1 к данным методическим указаниям) принимаем S=0,8 мм/об.
3.3. Скорость резания , допускаемая материалом резца
, м/мин
где Cv=340; x=0,15; y=0,45, m=0,2, T=60 мин [2], [3]
Поправочный коэффициент для обработки резцом с твердосплавной пластиной
Kv=Kmv×Knv×Kuv×Kjv
, [2], [3],
где Kr=1; nv=1 [2],
тогда
Knv=0,8 [2] или [3],
Kuv=0,65 [2] или [3],
Kjv=0,9 [2] или [3].
м/мин
3.4. Частота вращения, соответствующая найденной скорости резания
, об/мин
об/мин.
Корректируем частоту вращения шпинделя по паспортным данным станка
nд=315 об/мин.
3.5. Действительная скорость резания
, м/мин;
м/мин.
4. Основное время
, мин
Путь резца L=l+y +
, мм
Врезание резца y=t×ctgj=3×ctg 600=3×0,58=1,7 мм
Пробег резца
=1,3 мм.
Тогда L=280+1,7+1,3=383 мм.

