Теория РезанияРефераты >> Технология >> Теория Резания
Решение
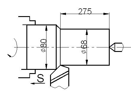
1.
![]() |
2. Выбор режущего инструмента.
Для обтачивания вала из стали 45 принимаем токарный проходной резец прямой правый с пластиной из твердого сплава Т5К10 [2] или [3] j=45°; j1=10°; с=4 мм (толщина пластинки); ВхН=25х25 (сечение державки); Ip=1,5 Н (вылет резца).
3. Назначение режимов резания.
Расчет режимов резания выполним в традиционной последовательности с использованием данных работы [7].
3.1 Глубина резания. При черновой обработке припуск срезаем за один проход , тогда
мм
3.2 Назначаем подачу. Для державки резца сечением 25х25 мм, диаметра обработки до 100 мм и глубины резания до 8 мм рекомендуется подача S=0,5 .0,7 мм/об;
Проверим допустимость рекомендуемой подачи по мощности электродвигателя , прочности державки резца и прочности пластинки твердого сплава.
Для глубины резания t=6 мм, мощности электродвигателя Nд=8 кВт и для резца j1>0° допускается подача S=0,7мм/об. Для стали с пределом прочности sв=550 МПа (55 кг/мм2) поправочный коэффициент Кмs=1,07. Следовательно, подача, допускаемая мощностью электродвигателя (из условий обеспечения работы для твердого сплава со скоростью не ниже 50 м/мин) S=0,7×1,07=0,75 мм/об.
Для резца с державкой сечением 25х25 мм и глубиной резания t=6 мм находим подачу S=3 мм/об. Умножив эту подачу на поправочный коэффициент Кмs=1,07, соответствующий стали с пределом прочности sв=550 МПа (55 кг/мм2), и Кмs=0,58, соответствующий вылету резца l=1,5 H, найдем подачу, допустимую прочностью державки резца: S=3×1,07×0,58=1,86 мм/об.
Для резца с главным углом в плане j=45°, толщиной пластинки твердого сплава с=4 мм и для глубины резания t=6 мм находим подачу S=1,11 мм/об.
С учетом поправочного коэффициента для стали (sв=550 МПа), Кмs=1,07, допускается подача по прочности пластинки твердого сплава
S=1,11×1,07=1,19 мм/об.
Из сопоставления подач S=0,7 мм/об, S=1,86 мм/об и S=1,19 мм/об, видим, что величину подачи лимитирует мощность электродвигателя. Подача, допустимая мощностью электродвигателя, не ограничивает максимальную подачу S=0,7 мм/об. Такая подача имеется на станке (согласно паспортным данным), следовательно, ее и примем для выполнения технологического перехода обработки Æ68 .
3.3. Скорость резания и частота вращения шпинделя. Для глубины резания t=6 мм резца проходного прямого с главным углом в плане j=45° для S=0,7 мм/об соответствует V=100 м/мин, Pz=6630 H, Nэ=10,7 кВт.
Определяем поправочные коэффициенты для измененных условий резца. В данном примере необходимо учесть только поправочный коэффициент в зависимости от предела прочности обработанного материала sв. Для sв=550 МПа находим Kmv =1,18,
,
.
Следовательно, для заданных условий обработки нормативные значения V, Pz и Nэ составляют: V=100×1,18=118 м/мин; Pz=6630×0,92=6100 Н; Nэ=10,7×1,09=11,6 кВт.
Найденный режим не может быть осуществлен на заданном станке , так как эффективная мощность , потребная на резание Nэ=11,6 кВт, выше мощности на шпинделе, допустимой номинальной мощностью электродвигателя (7,5 кВТ по паспорту станка). Необходимо уменьшить скорость резания. Коэффициент изменения скорости резания зависит от отношения мощности на шпинделе, допускаемой станком, к мощности по нормативам.
В данном примере это отношение будет 7,5/11,6=0,6.
Для этого соотношения коэффициент изменения скорости резания: Kv =0,55 м/мин. Скорость резания, установленная по мощности станка ,
V=188×0,55=65 м/мин
Частота вращения шпинделя
об/мин
По паспорту станка выбираем n=250 об/мин. Тогда фактическая скорость резания
м/мин.
Окончательно для перехода обработки Æ80: глубина резания t=6мм, подача S=0,7 мм/об, n=250 об/мин, Vф=62,8 м/мин.
4. Основное время
мин.
где L - путь резца
L=l+l1=275+6=281 мм
здесь l1 - величина врезания резца (для данного примера). Для глубины резания t=6 мм и главном угле в плане j=45° находим l1=6 мм;
l - длина обработанной поверхности.
Задание на практическое занятие №3.
Определить режимы резания по таблицам нормативов (по заданному варианту) для обработки на токарно-винторезном станке 16К20.
Исходные данные приведены в таблице 3.
Порядок выполнения работы
1. Пользуясь инструкцией и дополнительной литературой, изучить методику определения режима резания. Ознакомиться со справочником [7].
2. Выполнить эскиз обработки.
3. Выбрать режущий инструмент, выполнить эскиз.
4. Назначить глубину резания.
5. Определить подачу.
6. Определить скорость, силу и мощность затрачиваемую на резание.
7. Определить частоту вращения шпинделя и скорректировать по паспорту станка.
8. Определить действительную скорость резания.
9. Определить основное технологическое время. Таблица 3
|
№ |
Заготовка, материал и его свойства |
Вид обработки и параметр шероховатости |
D, мм |
d, мм |
l, мм |
|
1 |
2 |
3 |
4 |
5 |
6 |
|
1 |
Прокат. Сталь 45, sв=600 МПа |
Растачивание на проход, Ra=3,2 мкм |
97 |
100H10 |
120 |
|
2 |
Прокат. Сталь 2Х13, sв=600 МПа |
Обтачивание на проход, Ra=3,2 мкм |
80 |
70h10 |
300 |
|
3 |
Прокат. Сталь ШХ15, sв=700 МПа |
Растачивание в упор, Ra=12,5мкм |
90 |
95H12 |
50 |
|
4 |
Отливка с коркой. Серый чугун СЧ 15, НВ197 |
Обтачивание в упор, Ra=12,5 мкм |
100 |
94h12 |
150 |
|
5 |
Прокат. Латунь ЛМцЖ 52-4-1 НВ220 |
Растачивание на проход, Ra=12,5 мкм |
48 |
54H12 |
70 |
|
6 |
Отливка. Чугун ВЧ 60-2. НВ240 |
Растачивание, Ra=3,2 мкм |
70 |
63h10 |
60 |
|
7 |
Прокат. Сталь 40Х, sв=700 МПа |
Обработка в упор, Ra=12,5 мкм |
66 |
70H12 |
100 |
|
8 |
Обработанная. СЧ 24, НВ207 |
Обработка в упор, Ra=3,2 мкм |
120 |
114h10 |
250 |
|
9 |
Поковка. Чугун КЧ33 НВ163 |
Обработка на проход, Ra=12,5 мкм |
110 |
116H12 |
150 |
|
10 |
Обработанная.Сталь20Х, sв=550 МПа |
Обработка в упор, Ra=1,6 мкм |
80 |
70h7 |
200 |
|
11 |
Прокат. Сталь 40ХН, sв=700 МПа |
Обработка на проход, Ra=3,2 мкм |
74 |
80H10 |
75 |
|
12 |
Прокат. Сталь 18ХГТ, sв=700 МПа |
Обработка на проход, Ra=12,5 мкм |
170 |
155h12 |
125 |
|
13 |
Обработанная.Сталь65Г, sв=700 МПа |
Обработка в упор, Ra=12,5 мкм |
62 |
70H12 |
80 |
|
14 |
Отливка с коркой. Серый чугун СЧ 21, НВ205 |
Обработка в упор, Ra=12,5 мкм |
125 |
113h12 |
275 |
|
15 |
Поковка. Чугун КЧ35 НВ163 |
Обработка на проход, Ra=3,2 мкм |
138 |
150H10 |
100 |
|
16 |
Обработанная.Сталь1Х13,sв=500МПа |
Обтачивание на проход, Ra=3,2 мкм |
90 |
81h10 |
175 |
|
17 |
Прокат. Сталь 1Х18Н9Т, sв=550 МПа |
Обработка в упор, Ra=12,5 мкм |
42 |
50H12 |
90 |
|
18 |
Отливка с коркой. Бронза БрАЖН 10-4. НВ170 |
Обтачивание на проход, Ra=1,6 мкм |
105 |
100h7 |
85 |
|
19 |
Отливка с коркой. Серый чугун СЧ 40, НВ210 |
Обработка на проход, Ra=3,2 мкм |
60 |
69H12 |
45 |
|
20 |
Обработанная.Сталь35, sв=560МПа |
Обработка на проход, Ra=1,6 мкм |
115 |
100h7 |
280 |
|
21 |
Прокат. Сталь 38ХА, sв=680 МПа |
Обработка на проход, Ra=1,6 мкм |
85 |
90H7 |
110 |
|
22 |
Отливка с коркой. Сталь35ХГСЛ, sв=800Мпа |
Обтачивание, Ra=12,5 мкм |
95 |
90h12 |
70 |
|
23 |
Прокат. Сталь 20, sв=420 МПа |
Обработка на проход, Ra=1,6 мкм |
65 |
70H7 |
50 |
|
24 |
Обработанная.Сталь50, sв=900МПа |
Обработка в упор, Ra=12,5 мкм |
55 |
51h12 |
35 |
|
25 |
Обработанная.Сталь50Х, sв=650МПа |
Обработка в упор, Ra=3,2 мкм |
32 |
35H10 |
20 |
|
26 |
Отливка с коркой. Сталь30Л, sв=480МПа |
Обработка на проход, Ra=1,6 мкм |
100 |
92h7 |
195 |

