Схема внутрицехового электроснабжения до 1000 ВРефераты >> Технология >> Схема внутрицехового электроснабжения до 1000 В
Содержание
1. Внутрицеховые сети
Питающие
2. Распределительные внутрицеховые сети
Радиальные схемы
Магистральные схемы
Троллейные линии
Смешанные (комбинированные) схемы
3. Конструктивное выполнение внутрицеховых электрических сетей
3.1. Шинопроводы
3.2 Электропроводки
Скрытая электропроводка
3.3 Кабельные линии в сетях напряжением до 1 кВ
Модульные сети
4. Основное оборудование внутрицеховых сетей
Силовые распределительные шкафы ШР-11
Осветительные групповые щитки
Плавкие предохранители
Контактор
Магнитные пускатели
Автоматические воздушные выключатели
5. Список используемой литературы
Введение.
Сети напряжением до 1 кВ служат для распределения электроэнергии внутри цехов промышленных предприятий, а также для питания некоторых ЭП, расположенных за пределами цеха на территории предприятии. Цеховые электрические сети напряжением до 1 кВ являются составной частью СЭС промышленного предприятия и осуществляют непосредственное питание большинства ЭП. Схема внутри цеховой сети определяется технологическим процессом производства, планировкой помещений цеха, взаимным расположением ТП, ЭП и вводов питания, расчётной мощностью, требованиями бесперебойности электроснабжения, технико-экономическими соображениями, условиями окружающей среды.
На (рис 1) показано устройство внутрицеховых электроустановок, соединение которых между собой по определённой схеме образует цеховую электрическую сеть.
На (рис 1), представляющем собой поперечный разрез пролёта производственного помещения цеха, показаны открытые шинные магистрали 1, расположенные в верхней зоне (А) цеха. Там же установлен осветительный шинопровод 2. На капители колонны в зоне (Б) расположен троллейный шинопровод 3 для питания нагрузок мостового крана, по конструкциям вдоль стены цеха в зоне (В) размещены распределительный 4 и магистральные 8 шинопроводы. В цехе в зоне (Д) имеется кабельный канал 6 для прокладки внутрицеховых кабелей, распределительный шкаф 5 для питания силовых электроприемников и осветительный щиток 7 зона (Г).
1 Внутрицеховые сети.
Внутрицеховые сети делятся на питающие и распределительные.
Питающие отходят от источника питания (ТП) к распределительным шкафам (РШ), к распределительным шинопроводам или к отдельным крупным ЭП. В некоторых случаях питающая сеть выполняется по схеме БТМ (блок трансформатор – магистраль), (рис 2 б и 3). В этом случае от трансформатора КТП отходит магистральный шинопровод (магистраль), предназначенный для передачи электроэнергии нескольким РШ или нескольким ЭП, присоединённым к магистрали в различных точках. Отдельные приёмники и РШ в этом случае присоединяются к магистрали с помощью ответвлений.
2 Распределительные внутрицеховые сети - это сети, к которым непосредственно подключаются различные ЭП цеха. Распределительные сети выполняются с помощью распределительных шинопроводов (ШРА) и распределительных шкафов.
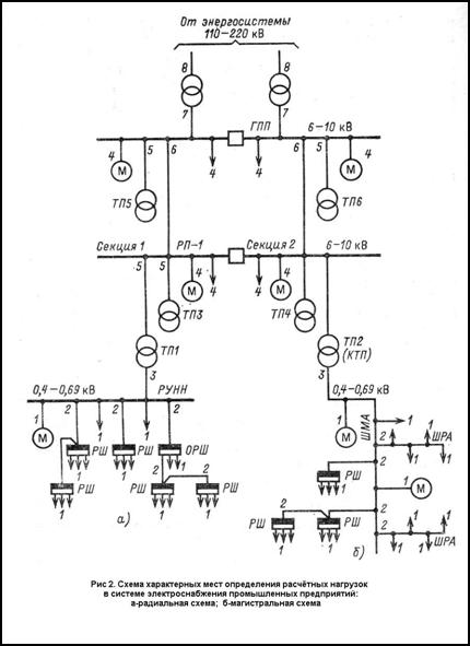
Характерным примером радиальной схемы является (рис 2 а). Здесь от секции 1 распределительного пункта РП-1 напряжением 6-10 кВ потребители НН через трансформатор получают питание отдельными линиями, отходящими от РУНН подстанции ТП1. Радиальные схемы применяют при наличии групп сосредоточенных нагрузок с неравномерным распределением их по площади цеха, во взрыво- и пожароопасных цехах, в цехах с химически активной и аналогичной средой. Радиальные схемы нашли широкое применение в насосных и компрессорных станциях, на предприятиях нефтехимической промышленности, в литейных и других цехах. Радиальные схемы внутрицеховых сетей выполняют кабелями или изолированными проводами. Они могут быть применены для нагрузок любой категории надёжности.
Достоинства радиальных схем является их высокая надёжность, так как авария на одной линии не влияет на работу ЭП, подключенных к другой линии. Недостатками радиальных схем являются: малая экономичность, связанная со значительным расходом проводникового материала, труб, распределительных шкафов; большое число защитной и коммутационной аппаратуры; ограниченная гибкость сети при перемещениях ЭП, вызванных изменением технологического процесса; невысокая степень индустриализации монтажа.
Магистральные схемы (рис 2 и 3) целесообразно применять для питания силовых и осветительных нагрузок, распределённых относительно равномерно по площади цеха, а также для питания группы ЭП, принадлежащих одной линии. При магистральных схемах одна питающая магистраль обслуживает несколько распределительных шкафов и крупные ЭП цеха.
Одной из разновидностей магистральных схем является схема БТМ (рис 3). В этом случае внутрицеховая сеть упрощается, так как цеховая КТП может быть выполнена без РУНН. Схемы БТМ широко применяются для питания цеховых сетей механических цехов машиностроительных предприятий с поточным производством. Для обеспечения универсальности сети необходимо питающую магистраль 1 рассчитать на передачу всей мощности трансформатора, распределительные шинопроводы 2 –на максимальную расчётную нагрузку
электроприёмников, расположенных на обслуживаемых шинопроводом участка цеха.
Шинопроводом называется жесткий токопровод заводского изготовления напряжением до 1 кВ, поставляемый комплектными секциями.
Согласно схемы БТМ следует проектировать с числом отходящих от КТП магистральных шинопроводов, не превышающим числа установленных на подстанциях трансформаторов. Магистральный шинопровод присоединяется непосредственно к выводам низкого напряжения трансформатора. Длинна магистральных шинопроводов при их номинальной нагрузке и
не должна превышать: 220 м при номинальном токе 1600 А и 180 м при номинальном токе 2500 А. При питании от магистральных шинопроводов одновременно силовых и осветительных нагрузок указанная предельная длинна шинопроводов снижается примерно в 2 раза.
При магистральной схеме ЭП могут быть подключены в любой точке магистрали.
Троллейные линии предназначены для питания подъёмно-транспортных механизмов цеха.
Достоинствами магистральных схем являются: упрощёние РУНН трансформаторных подстанций, высокая гибкость сети, дающая возможность перестановок технологического оборудования без переделки сети, использование унифицированных элементов (шинопроводов), позволяющих вести монтаж индустриальными методами. Недостатком является их меньшая надёжность по сравнению с радиальными схемами, так как при аварии на магистрали все подключенные к ней ЭП теряют питание. (Однако введение в схему резервных перемычек между ближайшими магистралями значительно повышает надёжность магистральных схем.) Применение шинопроводов постоянного сечения приводит к некоторому перерасходу проводникового материала.
