Технологические измерения и приборыРефераты >> Технология >> Технологические измерения и приборы
Чувствительным элементом тензопреобразователя является пластина из монокристаллического сапфира с кремниевыми пленочными тензорезисторами (структура КНС), прочно соединенная с металлической мембраной тензопреобразователя.
Мембранный тензопреобразователь 4 размещён внутри корпуса 8 и отделён от измеряемой среды металлическими гофрированными мембранами 7. Внутренние полости 6 и 10 заполнены кремнийорганической жидкостью. Фланцы 9 уплотнены прокладками 3. Измеряемая разность давлений воздействует на мембраны 7 и через жидкость воздействует на мембрану тензопреобразователя, вызывая изменение сопротивления тензорезисторов. Электрический сигнал от тензопреобразователя передаётся из измерительного блока в электронное устройство 1 по проводам через гермоввод 2.
Электронный преобразователь смонтирован на трёх платах внутри корпуса, закрытого с двух сторон свинчивающимися крышками. Схема преобразователя имеет устройства плавной и ступенчатой регулировки «нуля» и диапазона выходного сигнала (плавная настройка выполняется переменными резисторами, грубая – ступенчато путём перестановки перемычек электронной схемы преобразователя).
Устройство и работа ДИСК-250
В основу работы прибора положен принцип электромеханического следящего уравновешивания. Входной сигнал от датчика предварительно усиливается и лишь после этого производится уравновешивание его сигналом компенсирующего элемента (реохорда).
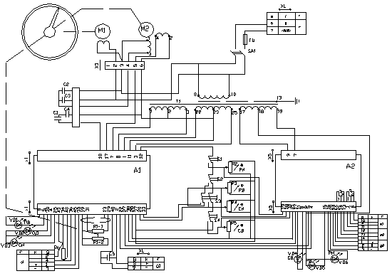
В приборе ДИСК-250 входной сигнал от датчика Д поступает во входное устройство ВхУ, где он нормализуется по нижнему пределу измерения для удобства его дальнейшей обработки. Кроме того, входное устройство содержит источник тока для питания термопреобразователей сопротивления или для питания медного резистора температурной компенсации изменения термо-э.д.с. холодных спаев термоэлектрических преобразователей.
Затем входной сигнал поступает на усилитель УВС с жесткой отрицательной обратной связью, где сигнал нормализуется по верхнему пределу измерения. Таким образом с выхода УВС снимается сигнал, нормализованный по нижнему и верхнему пределам измерений (при изменении входных сигналов от нижнего до верхнего пределов измерения выходной сигнал усилителя УВС в приборах изменяется в пределах от минус 0,5 до минус 8,5 В).
Рисунок 5 - ДИСК-250
С предварительного усилителя ПУ УВС снимается сигнал, изменяющийся в пределах от 0 до плюс 4 В при изменении входных сигналов от нижнего до верхнего пределов измерений.
Сигнал с реохорда Р, преобразованный усилителем УР в напряжение, изменяющееся от плюс 0,5 до плюс 8,5 В, сравнивается на входе усилителя небаланса УН с сигналом УВС. Работа прибора происходит следующим образом.
При изменении значения измеряемого параметра на входе усилителя УН появляется сигнал небаланса, который усиливается этим усилителем и управляет работой двигателя ДВ, который, в свою очередь, перемещает движок реохорда Р до тех пор, пока сигнал с усилителя УР не станет равным (по абсолютной величине) сигналу с усилителя УВС. Таким образом, каждому значению измеряемого параметра соответствует определенное положение движка реохорда и связанного с ним указателя прибора (на схеме не показан).
Сопротивление обмотки реохорда для всех градуировочных характеристик и диапазона измерений одинаково и составляет приблизительно 940 Ом±10 %.
Сигнал с предварительного усилителя ПУ поступает на устройство преобразования Пр входного сигнала в выходной электрический унифицированный сигнал от 0 до 5 или от 4 до 20 мА, а в приборах с ПИ-регулирующим устройством — и на пропорционально-интегральное регулирующее устройство ПИРУ.
Сигнал с усилителя УВС поступает на входы усилителей выходных устройств РН, РВ, СН, СВ:
РН, РВ — трехпозиционное регулирующее устройство с заданием установок на регулирование «меньше» и «больше»;
СН, СВ — трехпозиционное сигнализирующее устройство с заданием установок по сигнализации «меньше» и «больше».
Питание всех функциональных узлов осуществляется от источника стабилизированного напряжения ИП.
Подключение первичных преобразователей к прибору осуществляется с помощью колодки Х6 и зависит от типа датчика.
Катушка В6, намотанная медной проволокой, применяется в приборах с входными сигналами от преобразователей термоэлектрических типа ТХК, ТХА, ТПП. Сопротивление катушки Р6 при 0° С равно 5 Ом.
Входное устройство ВхУ, усилители УВС, УР, УН, а также устройство сигнализации о выходе измеряемого параметра за нижний допустимый предел измерения (сигнализация «меньше» или СН), и преобразователь «напряжение — ток» (устройство ПР) расположен на плате А1 усилителя канала измерения (УКИ).
На плате А2 усилителя выходных устройств (УВУ — в приборе ДИСК-250, УВУ-И— в приборе ДИСК-250И) расположено трехпозиционное регулирующее устройство РН — РВ и устройство сигнализаций о выходе измеряемого параметра за верхний допустимый предел измерения (сигнализация «больше» или СВ).
В приборе с ПИ-регулирующим устройством на плате АЗ расположено пропорционально-интегральное регулирующее устройство ПИРУ, а также устройство сигнализации СВ.
Обмотка возбуждения синхронного двигателя М2 подключается к сети 220 В через фазосдвигающий делитель, состоящий из двух конденсаторов С4 и СЗ, а в приборе ДИСК-250И и через разделительный трансформатор Т2.
Параллельно обмотке управления двигателя М2 подсоединены конденсаторы С1 и С4, образующие с ней резонансный контур, настроенный на частоту 50 Гц.
Синхронный двигатель М1 подключается к сети 220 В и используется в качестве привода диаграммного диска.
Резисторы В2 .Н5 и кнопки 31 .34 используются для задания уставок «меньше» и «больше» сигнализации и регулирования. Кнопки 32 и 83 при одновременном нажатии используются также для контроля исправности прибора. При этом напряжение минус 9,09 В, поделенное пополам резисторной сборкой 033, подается на вход микросхемы 029, и указатель прибора
останавливается на контрольной отметке шкалы с точностью + 3 мм, что свидетельствует об исправности цепи питания ±9,09 В, цепей реохорда и усилителя небаланса.
Выбор и описание работы температурного комплекта
Устройство и работа КСП4
По условию задания на курсовой проект в качестве вторичного температурного прибора необходимо взять КСП4. Заданный диапазон измерения температуры: -50-100°С.
Для КСП4 температурным преобразователем является термопара ТХК-0806 градуировки XK (L) с пределом измерения 0 400°С. Хромель-копелевая термопара гр. ХК развивает наибольшую ТЭДС среди стандартных термопар, но имеет нелинейную характеристику. Высокая термоЭДС позволяет применять в комплекте с термопарами гр. ХК узкопредельные измерительные приборы, обладающие повышенной чувствительностью.
Рисунок 6 - Электрическая схема КСП4
Усилители.Усилитель в измерительной цепи представляет собой отдельный блок, расположенный на задней стенке кронштейна прибора. Описание работы усилителей приведено в соответствующей инструкции, прилагаемой к прибору.
