Кинематический расчет механизмовРефераты >> Технология >> Кинематический расчет механизмов
определяем х= 35 x 44.55/236.25 = 6.6 мм
На прямой АВ диаграммы откладываем расстояние х=6.6 мм от верхней мертвой точки и поднимем перпендикуляр до кривой. От точки пересечения К проводим горизонталь до пересечения с вертикалью АD и замеряем расстояние 37.2 мм. Находим индикаторное давление из пропорции
1700 кг/см2 на диаграмме – 44.2 мм
Рх кг/см2 на диаграмме – 37.4 мм
Рх= 1700 x 37.4/44.2 = 1438.5 кг/см2
Рх= 1438.5 x 9.81 x 104 = 141116850 Па
Сила действующая на поршень Р=p x D2 x Px/4 при диаметре поршня 50 мм
Р= 3.14 x 52 x 1438.5/4 = 28230 кг
![]() |
R3,4 – реакция поршня на стенки цилиндра
Pu3 – сила инерции
R2,3 – реакция шатуна на поршень
RX2,3 – реакция шатуна на поршень по оси ординат
P – сила действующая на поршень
G3 – вес поршня
RY2,3 – реакция шатуна на поршень по оси абсцисс
Sy=0 R3,4- G3- RY2,3=0 R3,4- 14.25- RY2,3=0 R3,4- 14.25- R2,3 x sin80=0
Sх=0 Pu3+ RX2,3- P=0 Pu3+ RX2,3- 28230=0 Pu3+ R2,3 x cos80- 28230=0
Подставим значение R2,3 найденное во II звене
R3,4=14.25+R2,3 x sin80=14.25-5.817 x sin80=14.25-5.817 x 0.139= 13.44 кг
Pu3= -R2,3 x cos80+ 28230=5.817 x cos80+ 28230=5.817 x 0.99+ 28230=28235.76 кг
II – звено (шатун)
![]() |
SMA =0 1) RSu x sin410 x AS2- G2 x sin820 x AS2+Mu2-R2,3 x sin80 x AB=0
SMB=0 2) -Mu2 -RSu x sin410 x BS2+ G2 x sin820 x BS2+R1,2 x sin520 x AB=0
Sх=0 3) -R1,2 x cos520+RSu x cos410+ G2 x cos820+R2,3 x cos80=0
Sy=0 4) -R1,2 x sin520+RSu x sin410- G2 x sin820-R2,3 x sin80=0
1) RSu x 0.656 x 22.5- 5.7 x 0.99 x 22.5+Mu2-R2,3 x 0.139 x 67.5=0
2) -Mu2 -RSu x 0.656 x 45+ 5.7 x 0.99 x 45+R1,2 x 0.788 x 67.5=0
3) -R1,2 x 0.616+RSu x 0.755+ 5.7 x 0.139+R2,3 x 0.99=0
4) -R1,2 x 0.788+RSu x 0.656- 5.7 x 0.99-R2,3 x 0.139=0
1) RSu x 14.76- 127+Mu2-R2,3 x 9.382=0
2) -Mu2 -RSu x 29.52+ 254+R1,2 x 53.19=0
3) -R1,2 x 0.616+RSu x 0.755+ 0.792+R2,3 x 0.99=0
4) -R1,2 x 0.788+RSu x 0.656- 5.64-R2,3 x 0.139=0
Сложим 1-ое и 2-ое уравнения
5) RSu x 14.76- 127+Mu2-R2,3 x 9.382-Mu2 -RSu x 29.52+ 254+R1,2 x 53.19=0
5) -RSu x 14.76+ 127 -R2,3 x 9.382+R1,2 x 53.19=0
Из 3-го уравнения найдем R1,2 и подставим его в 4-ое и 5-ое уравнения
3) R1,2 =(RSu x 0.755+ 0.792+R2,3 x 0.99)/0.616= RSu x 1.226+ 1.286+R2,3 x 1.607
4) –(RSu x 1.226+ 1.286+R2,3 x 1.607) x 0.788+RSu x 0.656- 5.64-R2,3 x 0.139=0
5) -RSu x 14.76+ 127 -R2,3 x 9.382+(RSu x 1.226+ 1.286+R2,3 x 1.607) x 53.19=0
4) –RSu x 0.966- 1.013-R2,3 x 1.266+RSu x 0.656- 5.64-R2,3 x 0.139=0
5) -RSu x 14.76+ 127 -R2,3 x 9.382+RSu x 65.21+ 68.4+R2,3 x 85.476=0
4) –RSu x 0.31-R2,3 x 1.405- 6.653=0
5) RSu x 50.45+ 195.4+R2,3 x 76.094=0
Из 4-го уравнения найдем RSu и подставим его 5-ое уравнения
4) RSu=(-R2,3 x 1.405- 6.653)/ 0.31=-R2,3 x 4.532- 21.461
5) (-R2,3 x 4.532- 21.461) x 50.45+ 195.4+R2,3 x 76.094=0
5) -R2,3 x 228.64- 1082.7+ 195.4+R2,3 x 76.094=0
5) -R2,3 x 152.546- 887.3=0
5) R2,3= - 887.3/152.546= -5.817 кг
Найденное значение R2,3 подставим в 4-е уравнение и найдем RSu
4) RSu=-R2,3 x 4.532- 21.461=-(-5.817 x 4.532)- 21.461=26.362-21.461=4.901 кг
Найденные значения R2,3 и RSu подставим в 3-ое уравнение и найдем R1,2
3) R1,2 =RSu x 1.226+ 1.286+R2,3 x 1.607
R1,2 =4.901 x 1.226+ 1.286 -5.817 x 1.607= 6.009+1.286-9.348= -2.089 кг
Найденные значения RSu и R1,2 подставим во 2-ое уравнение и найдем Mu2
Mu2= -RSu x 29.52+ 254+R1,2 x 53.19= -4.901 x sin520 x AО 29.52+ 254-2.089 x 53.19= -1.791кгм
Для проверки воспользуемся 1-ым уравнением и повторно определим Mu2
Mu2= -RSu x 14.76+ 127+R2,3 x 9.382= -4.901 x 14.76+ 127-5.817 x 9.382 = -1.791 кгм
I – звено (кривошип)
![]() |
SMА =0 1) -R4,1 x sin460 x AО-М=0
SMО=0 2) –R1,2 x sin520 x AО+М=0
Из 2-го уравнения определим М
М=R1,2 x sin520 x AО= -2.089 x 0.788 x 13.5= -22.22 кгм
Из 1-го уравнения определим R4,1
R4,1= -М/ sin460 x AО=22.22/0.719 x 13.5=2.289 кг
Задача 2.5.3
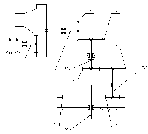
В зубчатом механизме, показанном на схеме ведущее колесо 1 в данный момент имеет угловую скорость w1 и постоянное угловое ускорение e1 направленное согласно схемы.
Определить
1. Передаточные отношения кинематических пар и их знаки
2. Угловые скорости и угловые ускорения звеньев, их направления показать на схеме механизма
3. Время в течении которого угловая скорость увеличится вдвое
4. Величину и направление силы инерции и момента инерции неуравновешенного ведущего звена в начале и конце найденного в предыдущем пункте промежутке времени. Показать рисунком направление вращения, ускорений и инерционных нагрузок
5. Определить общий КПД
6. Вычертить кинематическую схему
Примечание:
1. Зубчатое колесо нормальное с модулем m=1
2. Смещение центра масс ведущего звена относительно оси вращения принять равным модулю m=1
3. Массу и момент инерции ведущего звена относительно оси вращения определить, приняв его за цилиндр с диаметром начальной окружности зубчатого колеса 1 и длиной равной 10 модулям m=1 , плотностью r=7800 кг/м3
4. Для расчетов принять следующие значения КПД: для пары цилиндрических колес – 0.97; для пары конических колес – 0.95; для планетарной передачи внешнего зацепления – 0.5; для планетарной передачи внутреннего зацепления – 0.96
| №вар | z1 | z2 | z3 | z4 | z5 | z6 | z7 | z8 | m1, мм | w1, рад/c | e1, рад/c2 | |||
| 21 | 60 | 15 | 24 | 15 | 26 | 20 | 61 | 4 | 150 | 25 |




