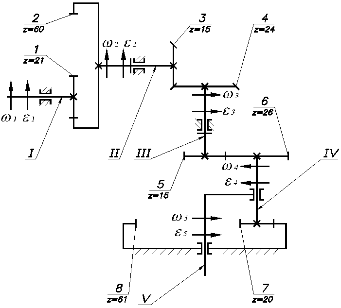
Кинематический расчет механизмовРефераты >> Технология >> Кинематический расчет механизмов
at = wI2 • r = 1502 • 10,5 = 236250 рад • г/с2
|
|
P = -G • aO1 = - 27019 • 236250 = - 6 • 109 рад • г2/с2
Определим aO1 для конечного момента времени t = 6 c по формуле
|
|
где ar = eI • ОО1 = 25 • 1 = 25 рад • г/с2
at = wI2 • r = 3002 • 10,5 = 945000 рад • г/с2
|
|
P = -G • aO1 = - 27019 • 945000 = - 26 • 109 рад • г2/с2
Инерцию ведущего звена определим по формуле
G • r 27019 • 10,5
J = ¾¾ + G • (ОО1) 2 = ¾¾¾¾¾¾ + 27019 • 12 = 1516441 г • мм2
2 2
Момент инерции ведущего звена найдем по формуле
Ми = - J • eI = - 1516441 • 25 = - 37911034 г • мм2 • рад /с2
5. Общий КПД определим по формуле
h = hцn1 • hкn2 • hплнn3 • hплвn4 = 0,97 • 0,95 • 0,5 • 0,96 = 0,44
5.
Кинематическая схема
