Искусственные минералы
Кремнезем 5SiO2 в технических продуктах встречается в виде различных полиморфных форм, из которых главными являются кварц, тридимит, кристобалит, а также кремнеземистое стекло. Минерал кварц, представляющий собой низкотемпературную форму SiO2 (образуется ниже 573°С).Остановимся на характеристике других форм.
Тридимит — умеренная температурная форма SiO2. Кварц в тридимит превращается при температуре выше 870° С. Кристаллы бесцветные или светло-серые, имеют форму пластинок или удлиненных табличек, часто с характерным образованием копьевидных двойников. Размер зерен может достигать 3—4 мм. Сингония ромбическая, удельный вес 2,27, Ng=1,473, Np = 1,469,. Ng-Np = 0,004.
|
|
В динасе содержание трндимита достигает 50—70%. Переход SiO2 в тридимитовую форму сопровождается значительным увеличением объема. Встречается также в шлаках.
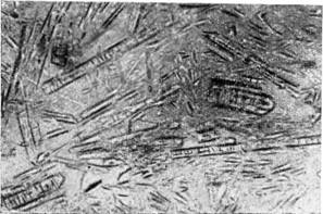
Кристобалит — высокотемпературная фаза SiO2 (образуется при температуре выше 1470°С). Дает правильные октаэдры, зернистые скопления и чешуйчатые сростки, иногда с полисинтетическим двошшкованием сложной сотовидной структуры (рис. 5). Кристаллы бесцветные, реже молочного цвета. Удельный вес 2,32. Ng=1,487, Np=1,484, Ng — Np = 0,003. Входит в состав динаса.
|
Рис. 5. Кристобалит |
Кремнеземистое стекло возникает при достаточно быстром охлаждении кремнеземистого расплава. Оно может быть бесцветным или молочной окраски, последняя обусловлена воздушными пузырьками. Стекло изотропно. N= 1,459, удельный вес 2,203. Устойчиво в кислотах (кроме плавиковой и фосфорной). Кремнеземистое стекло широко применяется как изоляционный, кислотоупорный, огнеупорный и электроизоляционный материал.
Гипс и продукты его обезвоживания
Гипс СаSО4∙Н2О и ангидрит СаSO4 — природные образования.Среди продуктов обезвоживания гипса выделяются кристаллические вещества: α-полугидрат (СаSО4∙ 0,5Н2О), β-полугидрат (СаSО4∙0,5Н2О), γ-обезвоженный полугидрат, β-обезвоженный полугидрат, α- ангидрит (СаSО4), β-ангидрит и γ-нерастворимый ангидрит.
α-Полугидрат СаSO4∙0,5Н2О получается при нагревании гипса под давлением 120—125 атм. При этом образуются бесцветные кристаллы в виде удлиненных игл или шестиугольных призм с поперечными полосками (рис. 6). Сингония моноклинная. Показатели преломления при обезвоживании возрастают: Ng=1,584, Np=1,559. Двупреломление высокое: Ng — Np = 0,025.
Рис. 6. Продукт обжига α-полугидрата при 150° (150Х)
Удельный вес 2,72—2,73. Главная составная часть высокотемпературного гипса.
β-Полу гидрат СаSО4∙0,5Н2О образуется при нагревании гипса на воздухе до 120° С и потере воды в виде газообразной фазы. Дает мелкозернистую или волокнистую массу бесцветных кристаллов. Ng=1,556, .Np = 1,550, Ng — Nр = 0,006. Удельный вес 2,67—2,68. β-Полугидрат менее устойчив, чем α-полугидрат. Главная составная часть варочного гипса.
Ангидрит СаSО4 — искусственный минерал, так называемый растворимый ангидрит, образующийся при обезвоживании полугидратов при температуре выше 220° С. Встречается в двух модификациях — αиβ. Отличается по своим свойствам от природного растворимого ангидрита. Растворимый ангидрит имеет форму призм с прямым погасанием и положительным удлинением. Показатели преломления для α-ангидрита: Ng=1,570, Np=1,554, для β-ангидрита: Ng=1,570, Nр = 1,546. Растворимые ангидриты на воздухе быстро гидратируются.
Гипс и продукты его обезвоживания широко применяются в качестве вяжущего, формовочного материала и т.д.
Прочие соединения кальция
Ольдгамит (сульфид) СаS образуется в составе основного доменного шлака в присутствии значительного количества серы. Кристаллизуется в виде очень мелких округлых изотропных зерен кубической сингонии с очень высоким светопреломлением (N = 2,90). Зерна бесцветны, водянопрозрачны. Мелкие зерна ольдгамита трудно различимы даже при больших увеличениях микроскопа. Удельный вес 2,71. Входит в состав шлаков и цементов.
Перовскит СаО ∙ ТiO2 кристаллизуется в форме октаэдров псевдокубической сингонии с ясно различимой спайностью. Окраска светло-бурая. Показатель преломления N = 2,36. Входит в состав доменных шлаков.
Искусственные высокопрочные кристаллы
Высокопрочные искусственные кристаллы применяются в технике как режущий и абразивный материал. Таких кристаллов уже известно более 40. Это различные карбиды, нитриды, гидриды и бориды. Твердость их по шкале Мооса превышает 7.
Карбид бора — твердый раствор бора, В4С. Облик кристаллов ромбоэдрический с усечением призматическими и пирамидальными формами. Сингония гексагональная. Удельный вес 2,48—2,52. Твердость по шкале Мооса около 9. Под микроскопом в отраженном свете карбид бора имеет белый цвет, высокую отражательную способность, высокий рельеф.
Карбид кремния (карборунд) 51С кристаллизуется в зависимости от температуры в кубическую (1650— 2000° С) или гексагональную (свыше 2000° С) сингонии. Структуры карбида кремния относятся к слоистым и состоят из чередующихся пачек слоев тетраэдров [814С] и [С514] двоякой ориентации. Удельный вес кубического карбида кремния 3,216, а гексагонального – 3,217, Ng=2.697, Np=2.654 , Ng-Np=0.043. В проходящем свете – зеленый, синий, реже бесцветный или дымчатый. В отраженном свете кристаллы светло-серые, почти белые, имеют высокую отражательную способность и высокий рельеф. Твердость по шкале Мооса более 9.
Нитрид ниобия Nb3N5 образуется восстановлением трехокиси ниобия сажей в атмосфере азота при 1200 ˚C. Это кристалл с плотной гексагональной решеткой. Удельный вес 8,4. Твердость по шкале Мооса 8 – 9.
Карбиды вольфрама WC и W2C получают расплавлением вольфрамового ангидрида WO3 c сажей в пламени вольтовой дуги. Оба карбида относятся к гексагональной сингонии. Твердость по шкале Мооса у WC=9, W2C =9 – 10.
Карбиды молибдена Мо2С и МоС получают расплавлением смеси молибденового ангидрида с карбидом кальция и углем в вольтовой дуге или плавлением шихты, содержащей уголь и МоО2. Кристаллы гексагональной сингонии. Твердость по шкале Мооса 7 – 9.
Список используемой литературы:
1)Инжинерная геология. Минск 2001г.
2)Искуственые минералы, их свойства и строение. Москва1989г.
3)А так же по средствам Интернета, (рисунки).
