Капитальный и текущий ремонты зданийРефераты >> Строительство >> Капитальный и текущий ремонты зданий
Ввиду малости усилий расчет проводим по предельной гибкости для сжато-изогнутой колонны λпред. = 120. Сечение принимаем из двух швеллеров №24.
Полная нагрузка на колонну составит
N =155681.4+4938.2+1338.8 = 161.96∙103 Н
С учетом коэффициента надежности по назначению здания γn = 0,95, нагрузка на колонну составит 161,96∙103∙0,95 = 153,86∙103 (Н/м2).
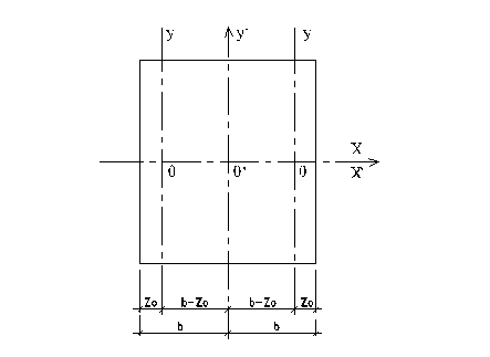
Проверка сечения. Определяем геометрические характеристики принятого сечения, рисунок 4.1.
Рисунок 4.1 - Поперечное сечение стойки
Определим моменты сечения относительно оси о'x' и о'у'. Момент инерции относительно оси x'
J'x = 2∙Jx,
где Jx - момент инерции относительно оси о'x' швеллера № 24,Jx = 2900 см4.
J'x = 2∙2900 = 5800 см4.
Момент инерции сечения относительно оси о'у'
J'у = 2∙А∙ (в - Z0),
где А - площадь сечения швеллера № 24, А = 30,6 см2;
в - ширина полки швеллера № 24, в = 9 см;
Z0 - расстояние от оси оу до наружной грани, Z0 =2,42 см.
J'у = 2∙30,6∙ (9 - 2,42) = 402,7 см4.
Минимальный радиус инерции составного сечения
ί'у = √ (J'у/2А),
А = 30,6 см2.
ί'у = √ (402,7/2∙30,6) = 2,27 см.
Гибкость стержня определяем по формуле
λу. = ℓ/ί∙у',
где ℓ - длина стойки, ℓ = 2,55 м;
ί∙у' = 2,27 см., λу. = 2,55/2,27∙10-2 = 112,3 < 120.
Проверку общей устойчивости стойки проведем по формуле
σ = N/ (φ∙2A) R,
σ - напряжение в стойке, Па;
N - продольная сила, N = 153,86∙103 Н;
φ - коэффициент продольного изгиба, при гибкости λу. = 112,3
φ = 0,304 см. приложение 17 [15];
А - площадь поперечного сечения швеллера № 24, А = 13,3 см2;
R - расчетное сопротивление стали, R = 210 МПа.
σ = 153,86∙103 / (0,304∙2∙30,6∙10-4) = 124,4∙106 Па < 210∙106 Па.
Большой запас прочности, но сечение из двух швеллеров № 22 не проходит, т.к.
λу. = 131,65 > 120.
Окончательно принимаем все колонны с сечением из двух швеллеров №24. Расположение колонн и узлы см. лист 9 графической части.
4.4 Антисейсмические мероприятия
Несущие кирпичные и каменные стены должны возводиться, как правило, из кирпичных или каменных панелей или блоков, изготавливаемых в заводских условиях с применением вибрации, или из кирпичной или каменной кладки на растворах со специальными добавками, повышающими сцепление раствора с кирпичом или камнем.
При расчетной сейсмичности 7 баллов допускается возведение несущих стен зданий из кладки на растворах с пластификаторами без применения специальных добавок, повышающих прочность сцепления раствора с кирпичом или камнем.
Выполнение кирпичной и каменной кладок вручную при отрицательной температуре для несущих и самонесущих стен (в том числе усиленных армированием или железобетонными включениями) при расчетной сейсмичности 9 и более баллов запрещается.
При расчетной сейсмичности 8 и менее баллов допускается выполнение зимней кладки вручную с обязательным включением в раствор добавок, обеспечивающих твердение раствора при отрицательных температурах.
Расчет каменных конструкций должен производиться на одновременное действие горизонтально и вертикально направленных сейсмических сил.
Значение вертикальной сейсмической нагрузки при расчетной сейсмичности 7-8 баллов следует принимать равным 15%, а при сейсмичности 9 баллов - 30% соответствующей вертикальной статической нагрузки.
Направление действия вертикальной сейсмической нагрузки (вверх или вниз) следует принимать более невыгодным для напряженного состояния рассматриваемого элемента.
Для кладки несущих и самонесущих стен или заполнения каркаса следует применять следующие изделия и материалы:
а) кирпич полнотелый или пустотелый марки не ниже 75 с отверстиями ра колонн многоэтажных каркасных зданий по возможности следует укрупнять на несколько этажей. Стыки сборных колонн необходимо располагать в зоне с меньшими изгибающими моментами. Стыкование продольной арматуры колонн внахлестку без сварки не допускается.
В предварительно напряженных конструкциях, подлежащих расчету на особое сочетание нагрузок с учетом сейсмического воздействия, усилия, определяемые из условий прочности сечений, должны превышать усилия, воспринимаемые сечением при образовании трещин не менее чем на 25%.
Кладки в зависимости от их сопротивляемости сейсмическим воздействиям подразделяются на категории.
Категория кирпичной или каменной кладки, выполненной из материалов, предусмотренных п.3.38, определяется временным сопротивлением осевому растяжению по неперевязанным швам (нормальное сцепление), значение которого должно быть в пределах:
для кладки I категории -
(1,8 кгс/кв. см);
для кладки II категории - (1,2 кгс/кв. см).
Для повышения нормального сцепления
следует применять растворы со специальными добавками.
Требуемое значение
необходимо указывать в проекте. При проектировании значение
следует назначать в зависимости от результатов испытаний, проводимых в районе строительства.
При невозможности получения на площадке строительства (в том числе на растворах с добавками, повышающими прочность их сцепления с кирпичом или камнем) значения
, равного или превышающего 120 кПа (1,2 кгс/кв. см), применение кирпичной или каменной кладки не допускается.
Проектом производства каменных работ должны предусматриваться специальные мероприятия по уходу за твердеющей кладкой, учитывающие климатические особенности района строительства. Эти мероприятия должны обеспечивать получение необходимых прочностных показателей кладки.
Высота зданий с несущими стенами из кирпичной или каменной кладки, не усиленной армированием или железобетонными включениями, не должна превышать при расчетной сейсмичности 7, 8 и 9 баллов соответственно 5; 4 и 3,5 м.
При усилении кладки армированием или железобетонными включениями высоту этажа допускается принимать соответственно равной 6; 5 и 4,5 м.
При этом отношение высоты этажа к толщине стены должно быть не более 12.
В зданиях с несущими стенами, кроме наружных продольных стен, как правило, должно быть не менее одной внутренней продольной стены. Расстояния между осями поперечных стен или заменяющих их рам должны проверяться расчетом и быть не более приведенных в табл.4.9.
Таблица 4.4
|
Категория кладки |
Расстояния, м, при расчетной сейсмичности, баллы | ||
|
7 |
8 |
9 | |
|
I |
18 |
15 |
12 |
|
II |
15 |
12 |
9 |
|
Примечание. Допускается увеличивать расстояния между стенами из комплексных конструкций на 30% против указанных в табл.9. | |||
