Проектирование двухэтажного двухквартирного зданияРефераты >> Строительство >> Проектирование двухэтажного двухквартирного здания
1. Объемно-планировочное решение
Рисунок 1
Здание в плане имеет сложную форму.
Конструктивное схема здания – здание бескаркасное, с продольными несущими стенами блокированного типа, состоит из двух блок-квартир. Квартиры 4 комнатные в двух уровнях.
Основные параметры:
Количество этажей - 2;
Высота этажа – 2,8 м;
Состав квартиры на первом этаже:
гостиная – 20,12 м 2,
прихожая –6,86 м 2,
кладовая – 1,2 м 2,
туалет – 1,2 м 2,
кухня – 8,15 м 2,
тамбур – 1,79 м 2,
веранда – 15,4 м 2.
На втором этаже располагаются:
холл –8,11 м 2,
спальня – 8,15 м 2,
детская –9,89м 2,
спальня – 9,82 м 2,
совмещенный санузел – 3,03 м 2,
Площади квартиры:
Sжилая =20,12+8,15+9,89+9,82=47,98 м 2
Sподсобная =8,15+15,4+3,03+1,2+1,2+1,79+6,86+8,11=45,74 м2
Sобщая = Sжилая + Sподсобная =47,98+45,74=93,72 м 2
Мероприятия по обеспечению эвакуации людей из здания.
Размеры дверей их расположение, ширина коридоров, размеры лестничных клеток соответствуют СНиП 21.01.-97 “Пожарная безопасность в строительстве”. Эвакуация со второго этажа – через внутриквартирную лестницу, с первого – через 2 наружные двери.
Технико-экономические показатели здания:
Площадь застройки: Sзастр =14,34∙7,17+7,27∙3,3+2∙(4,15∙4,3)=162,5 м 2
Жилая площадь: Sжилая = Sжилая ∙2=95,96 м 2
Подсобная площадь: Sподсобная = Sподсобная ∙2=91,48 м 2
Общая площадь: Sобщая = Sжилая +Sподсобная = 95,96+91,48=187,44 м 2
Строительный объем здания:
Vстр.= Sзастр∙hзд=2∙(4,15∙4,3)∙2,8+(14,34∙7,17+7,27∙3,3)∙5,7=822.74м 3
2. Расчеты
2.1 Расчет глубины заложения фундаментов
1. По СНиПу 2.02.01-83* «Основания здания и сооружений» определяю нормативную глубину промерзания грунтов.
По СНиПу 2000-01-01 таблица 3 «Строительная климатология» определяю сумму отрицательных температур t0C за год.
Мt =-36,7 ОС
d о - величина в метрах СНиП 2.02.01-83 «Основания зданий и сооружений», для грунтов: супеси, песка мелкого и пылеватого - 0,28;
Рисунок 2
d fn=dо∙√Mt
d fn=0,28 ∙√36,7=1,7 м
2. Определяю расчетную глубину промерзания грунтов d f
d f =k n∙d fn
k n-коэффициент влияния теплового режима здания = 0,6
d f =0,6∙1,7=1,02 м
3. Уровень грунтовых вод d w=5 м Рисунок 2.2
Согласно таблице 2 глубина заложения не менее d f от поверхности земли. Принимаю глубину заложения 1 м.
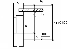
2.2 Расчет и подбор окон
Исходные данные:
Н эт=2,8 м
S=20,12 м 2
1)Определяем требуемую площадь окна
Soтр≥1/8*S=1/8*20,12=2,51 м 2
2) Определяю требуемую высоту окна
hoтр≤Нэт-(h 1+h2+h3) =2,8-(0,3+0,3+0,7) = 1,5 м
где Нэт – высота этажа
h 1- высота от уровня пола до низа светового проема h1=0,7 - 0,85 м
h2 - высота от уровня верха светового проема до потолка h2=0,3 м
h3 - толщина перекрытия в зависимости от его конструкции
Принимаю hок=1460 мм.
3) Определяю требуемую ширину окна
bотр= Soтр/hотр=2,51/1,46=1,72 м.
По ГОСТ 30674-99 «Блоки оконные из ПВХ профилей» принимаю 2 окна:
ОП 1460-1770 (4М1-16Аr-К4)
Остальные окна принимаю конструктивно ОП 1460-1470 (4М1-16Аr-К4).
2.3 Расчет и подбор перемычек
Необходимая длина перемычки определяется в зависимости от ширины перекрываемого проема и глубины опирания перемычки на стены Lоп. Величина опирания определяется:
для ненесущих перемычек – Lоп должна быть не менее 100 мм.
для несущих перемычек: Lоп должна быть не менее 170 мм при Шпр <1,5 м
Lоп должна быть не менее 230 мм при Шпр ≥ 1,5 м

Рисунок 3
ДН 21-10
Несущая lптр=1010+2*170=1350 мм. 1ПР 155.12.22-38Т (1П 15-38)
Ненесущая lптр=1010+2*100=1210 мм. 1ПР 129.12.6-1Т (1П 12-1)
ДО 21-13
Несущая lптр=1310+2*170 = 1650 мм 1ПР 195.12.22-38T
Ненесущая lптр=1310+2*100=1510 мм. 1ПР 155.12.14-2Т (1П 15-2)
ДГ 21-9; ДО 21-9
Несущая lптр=910+2*170=1250 мм. 1ПР 155.12.22-38Т (1П 15-38)
Ненесущая lптр=910+2*100=1110 мм. 1ПР 129.12.6-1Т (1П 12-1)
ДГ 21-7
Несущая lптр=710+2*170=1050 мм. 1ПР 155.12.22-38Т (1П 15-38)
Ненесущая lптр=710+2*100=910 мм. 1ПР 129.12.6-1Т (1П 12-1)
ОП 1460-1470 (4М1-16Аr-К4) и БП 22-7,5
Несущая lптр=(1510+760)+2*230=2730 мм. 1ПР 298.25.22-28Т (1П 29-28)
Ненесущая lптр=1520+760+2*100=2470 мм. 1ПР 285.12.14-4Т (1П 28-4)
ОД ОСП 15-12
Несущая lптр=1810+2*230=2270 мм. 1ПР 246.25.22-38Т (1П 24-38)
Ненесущая lптр=1810+2*100=2010 мм. 1ПР 220.12.14-3Т-Б (1П 22-3Б)
ОП 1460-1470 (4М1-16Аr-К4)
Несущая lптр=1510+2*170=1850 мм. 1ПР 195.12.22-38Т (1П 24-38)
Ненесущая lптр=1510+2*100=1710 мм. 1ПР 180.12.14-3Т (1П 22-3)
ДИ 21-13
Несущая lптр=1310+2170=1650 1ПР 195.12.22
Рисунок 4
2.4 Расчет лестницы
Исходные данные:
Высота этажа Нэт=2,8 м.
Уклон лестницы i=1:1,25
Высота подступенка, a=200 мм.
Ширина проступи, b=250 мм.
1. Принимаем ширину лестничной клетки 1 м
2. Определяем количество подступенков
Нэт/а=2800/200=14 шт.
3. Определяем количество проступей
14-1=13 шт.
3. Конструктивное решение здания
3.1 Фундаменты
Под стены здания устроен монолитный ленточный, бутобетонный фундамент. Глубина заложения фундамента принимается по расчету. Фундамент устраивают на естественно уплотненный грунт. По верху фундамента устроена гидроизоляция из "Изопласт П" по всему контуру здания. По периметру здания устраивается отмостка из асфальта, шириной 0,8 м с уклоном 3% для защиты основания от поверхностных вод.

Рисунок 5
3.2 Стены
Кирпичная кладка выполняется в соответствии со СНиП 3.03.01-87.
Наружные стены облегченные, толщиной 635 мм, из керамического полнотелого рядового кирпича (250х120х65мм), с утеплителем внутри. Марка кирпича М 100, ГОСТ 530-2007, утеплитель URSA, ГОСТ 25485-89. Кладка на цементно-глиняном растворе М75, ГОСТ 28013-98 в соотношении 1:0,5:5,5, как цемент: глиняное тесто: песок. Обработка швов кладки под расшивку снаружи и в пустошовку изнутри. Кладка многорядная с перевязкой швов через пять рядов.
Наружный облицовочный ряд кладки армируется и крепится к основной стене стальными оцинкованными анкерами, проходящими сквозь слой теплоизоляции, с шагом 600 мм. В качестве утеплителя приняты плиты URSA П-15, уложенные в 2 слоя по 60 мм.
