Проектирование здания детского сада на 320 местРефераты >> Строительство >> Проектирование здания детского сада на 320 мест
R =
(1,15.1.1,8.18,5 + 5,59.1,3.18,5 +1,95.4) =225,7кПа;
РΙΙ = 400/1,8.10+20.1,3 = 246,2 кПа
Условие РΙΙ ≈ R выполняется, расхождение менее 5%. Окончательное ширину подошвы ленточного фундамента принимаем: в =2 м.
2.4 Расчет свайного фундамента
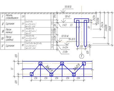
Расчет производим под несущую наружную стену жилого здания. Планировочная отметка – 0,6 м. Отметка пола подвала – 2,30 м. NoΙΙ = 354 кН. Отношение длины здания L = 56 м к его высоте Н=20 м составляет L/H=1,4. Проектируем свайный фундамент с железобетонными забивными сваями. Инженерно-геологические условия показаны на рисунке 3.
Рисунок 3 – Инженерно-геологические условия площадки и план расположения свай
Для определения глубины заложения ростверка конструктивно назначаем его толщиной 60 см, а т. к. здание имеет подвал, глубину заложения ростверка свайного фундамента принимаем 2,32 м.
Принимаем железобетонную сваю; длину сваи устанавливаем по грунтовым условиям 6 м, длина острия 0,25 м.
Определяем несущую способность сваи Fd:
Fd = γc (γcr RA+u∑ γcf fi hi); (13)
где R – расчетное сопротивление грунта, под нижним концом сваи;
A – площадь поперечного сечения сваи;
u – наружный периметр сваи;
fi – сопротивление i-гo слоя;
f1 = 6 кПа;
f2 = 29 кПа;
f3 = 31 кПа.
γc, γcr и γcf – коэффициенты условий работы грунта;
γc = γcr = γcf = 1;
hi – толщина i-го слоя;
Fd = 1 [1.2300.0.0,9+1.2.1 (6.1.8+29.2.5+31.2,32) = 382 кН
Расчетная нагрузка составляет 382/1,4 = 273 кН
Определим количество свай на 1 м фундамента
n=424/273–7,5.0,9.2,32.25=1,74 св/м
где Nоi=1,2Nоii =1,2.354=424kH
Определим расстояние между сваями dP=l/l, 74=0,57 м,
т. к. n<2 и l, 5d <0.57 <3d, принимаем двухрядное шахматное расположение свай, расстояние между рядами равно:
сР = √ (3d)2 – (dp)2= √(3.0,3)2-0,57 = 0,7 м (14)
Ширина ростверка принимается по формуле
b = d+(m-l) cP +2 = 0.3+2.0.1+0.7 = 1,2 м. (15)
Принимаем ширину ростверка равным 1,2 м.
Определим нагрузку, приходящуюся на 1 сваю.
Ncb= 424+15,84/1,74 = 252,7кН
Нагрузку сравним с её расчетной допускаемой величиной:
Ncb=252,7<273 кН – условие выполняется.
Проверяем давление на грунт под подошвой условного фундамента.
Для определения размера условного фундамента вычислим
αm=1/4 (j111 + j212 + j313 / ∑1i)=
=l/4 (15. 1,8+32. 2,5+12. 1,7/1,8+2,5+1,7)= 5,38
Определим условную ширину фундамента.
Тогда площадь подошвы условного фундамента равна:
Аусл = 1.Вусл = 2,3 м2 (16)
Объём условного фундамента равен:
Vусл = Аусл Lусл=2,3.6,4 = 14,7м3 (17)
Объём ростверка и подземной части стены:
VP = 1,2.1.0,5+0,3.1.0,4 = 0,72м3; (18)
Объём сваи на 1 м условного фундамента равен:
Vcb = 1,74.0,09м2.5,9 = 0,92м3; (19)
Объём грунта на 1 м условного фундамента равен:
Vгр = 14,7–0,72–0,92 =13м3; (20)
Вес условного фундамента:
Gгp = 13.18кН/м3 = 286,2кН. (21)
Вес сваи на 1 м стены:
Gcb = 0,92.25 = 23кН. (22)
Вес ростверка равен:
Gp = 0.72.24 =17.3кН. (23)
Тогда давление по подошве условного фундамента равно:
р =354+286+23+17,3/2,3 = 295,6кН/м2. (24)
Вычислим R для тугопластичной глины, расположенной под подошвой условного фундамента:
γс1 = 1,2 – коэффициент условия работы;
γс2 = 1 – коэффициент условия работы здания;
к = 1 – коэффициент надежности.
Прочностные характеристики глины СII = 13 кПа; jII = 12°.
Удельный вес глины определяется по формуле:
γ = 27–10/1+1 = 8,5 кН/м3. (25)
Находим усредненное значение удельного веса грунта для объёма условного фундамента
γср=19,5 *1,8+19,4. 2,5+18,2*17/1,8+2,5+1,7= 19,1кН/м3,
dв=6,4+0,2.22/19, l=6,6 м (26)
По таблице для значения jII = 12°, находим коэффициенты: Mq = 0,23; Мg = 1,94; Мc= 4,42;
Тогда расчетное сопротивление:
R = 1,2.1/1 (0,23.1. 8,5. 2,3+1,94. 6,6. 19,1+(1,94–1).2. 19,1+4,42.13) = 410кН/м2. (27)
Среднее давление по подошве равно:
Р = 295,6 кПа < R =410 кПа – условие выполняется при расчете свайного фундамента по второй группе предельных состояний.
2.5 Выбор рационального типа фундамента
1 вариант – фундамент ленточный, монолитный b = 3,25 м;
2 вариант – фундамент ленточный, сборный b = 3,25 м;
3 вариант – фундамент свайный, из забивных железобетонных свай сечением 30´30 и длиной 6 м.
Выбор производится на основе сравнения ТЭП основных видов работ, выполняемых при возведении фундамента на участке стены длиной 1 м.
Таблица 3 – ТЭП вариантов фундаментов
|
№ |
Наименование работ |
Ед. изм. |
Вариант |
Объем |
Стоимость, тг |
Трудоёмкость, ч/дн | ||
|
Ед. |
Всего |
Ед. |
Всего | |||||
|
1 |
Разработка грунта |
м3 |
1 2 3 |
5,32 5,32 1,16 |
892,52 892,52 892,52 |
4748,1 4748,1 1035,32 |
0,26 0,26 0,26 |
1,38 1,38 0,30 |
|
2 |
Устройство подготовки под фундаменты |
м3 |
1 2 3 |
0,43 0,43 - |
2438 2438 - |
1048,3 1048,3 - |
0,13 0,13 - |
0,06 0,06 - |
|
3 |
Устройство монолитного железобетонного фундамента |
м3 |
1 2 3 |
0,84 - 0,6 |
6000 - 6000 |
5040 - 3600 |
0,38 - 0,38 |
0,32 - 0,23 |
|
4 |
Устройство сборных фундаментов |
м3 |
1 2 3 |
- 0,84 - |
- 9858 - |
- 8280,7 - |
- 0,42 - |
- 0,35 - |
|
5 |
Погружение железобетонной сваи |
шт. |
1 2 3 |
- - 1,08 |
- - 18740 |
- - 20240 |
- - 0,98 |
- - 1,06 |
|
6 |
Гидроизоляция |
м2 |
1 2 3 |
6,4 6,4 5,6 |
127 127 127 |
814,1 814,1 712,32 |
0,047 0,047 0,047 |
0,3 0,3 0,26 |
|
Итого: |
1 2 3 |
11650,5 14891,2 29300,5 |
4,21 4,90 4,59 | |||||
