Проектирование производственного здания с мостовыми кранамиРефераты >> Строительство >> Проектирование производственного здания с мостовыми кранами
б) Сечение 2-2
Сечение 2-2 в уровне торца колонны коробчатое, приводим его к эквивалентному двутавровому с высотой полки, толщиной стенки и шириной стенки:
hf = hf’ = lw1 = lw = 0.275 м;
b = 2 * bw1 = 2 * bw = 2 * 0.175 = 0.35 м;
bf = bf’ = bп = 0.9 м.
Площадь боковой поверхности колонны, заделанной в стакан фундамента: Ащ = 2.16 м2.
Коэффициент, учитывающий частичную передачу продольной силы на плитную часть фундамента через стенки стакана: a’ = 0.85.
Продольная сила, передаваемая через бетон замоноличивания на стенки стакана:
|
Nc = (1 - a’) * Nсоот,
Nc = 0.4 * 900 * 0.9 * 2.16 = 699.84 кН,
Nc = (1 - 0.85) * 734.7 = 110.21 кН.
Nc = 110.21 кН.
Проверяем условие:
Nс < Rb * bf’ * hf’,
Nс = 110.21 кН < Rb * bf’ * hf’= 1150 * 0.9 * 0.275 = 284.625 кН - условие выполняется, следовательно, граница сжатой зона проходит в полке, и сечение рассчитывается как прямоугольное с шириной b = 0.9 м.
Приведенный момент в сечении:
M2 = Мmax - Nc * ea + Qcooт * hс,
M2 = 322.5 + 110.21 * 0.05 + 38.9 * 0.8 =359.13 кН*м.
Эксцентриситет продольного усилия:
е1 = M2 / Nс + еа,
е1 = 359.13 / 110.21 + 0.05 = 3.309 м.
Площадь сжатой зоны:
Аbc = bп * lп * (1 - 2 * h * е1 / lп),
Аbc = 0.9 * 1.5 * (1 - 2 * 1 * 3.309 / 1.5) = -4.6 < 0, следовательно, сила приложения находится за пределами сечения подколонника.
αn = Nсоот / (Rb * b * h0) = 734.7 / (11500 * 0.9 * 1.45) = 0.049.
ξR = 0.531
αn = 0.049 < ξR =0.531
Расчет ведем для случая αn ≤ ξR:
As = As’ = Rb * b * h0 * (αm - αn * (1 - αn / 2) / (Rs * (1 - δ)),
αm = (M2 + Nс * (h0 - as’) / 2) / (Rb * b * h02) = (359.13 + 110.21 * (1.45 - 0.05) / 2) / (11500 * 0.9 * 1.452) = 0.02.
δ = as′ / h0 = 5 / 145 = 0.035.
As = As’ = 11.5 * 104 * 0.9 * 1.45 * (0.02 - 0.154 * (1 - 0.154 / 2)) / (355 * (1 - 0.035)) = - 53 cм2.
Принимаем:
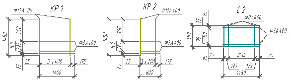
2 каркаса КР1 4 Æ12 А400 с Аs’ = Аs = 0.000452 м2> 0.0004 * Aп = 0.0004 * 1.03 = 0.000412 м2,
2 каркаса КР2 4 Æ12 А400 с Аs’ = Аs = 0.000452 м2> 0.0004 * Aп = 0.0004 * 1.03 = 0.000412 м2.
7.4.2 Проверка прочности подколонника по наклонным сечениям
Проверку прочности подколонника проводим по одному из двух наклонных сечений: 3-3 или 4-4, в зависимости от величины расчетного эксцентриситета.
Расчетный эксцентриситет:
е’ = (Мmax + Qсоот * hc) / Nсоот,
е’ = (322.5 + 38.9 * 0.95) / 734.7 = 0.489 м.
е’ = 0.489 м > hкол / 2 = 0.8 / 2 = 0.4 м, тогда расчетное сечение 4-4 с расчётным моментом:
МВ = Мmax + Qсоот * hc - 0.7 * Nсоот * е’,
МВ = 322.5 + 38.9 * 0.95 - 0.7 * 734.7 * 0.489 = 107.97 кН*м.
Площадь рабочей арматуры одной сетки С2:
Аs = МВ / (Rs * Szi),
где zi – расстояние от каждого ряда сетки С2 до торца колонны.
Szi = z1 + z2 + z3 + z4 + z5 = 0.2 + 0.4 + 0.6 + 0.8 = 2 м.
Аs = 107.97 / (35.5 * 2) = 1.52 см2.
Так как полученная по расчету площадь меньше предельно допустимой, то принимаем минимально допустимое армирование на одну сетку C2 – 4 Æ8 А400 с Аs = 2.01 см2.
7.4.3 Армирование подколонника
Подколонник фундамента армируется четырьмя вертикальными каркасами КР1, КР2 образующих пространственный каркас и пятью горизонтальными сетками С2 (рисунок 10).
Сетки С2 располагаются горизонтально по высоте от верха фундамента с шагом 200 мм. Стержни сеток С2 расположены с таким расчетом, что стержни продольной арматуры каркасов КР1, КР2 подколонника проходят внутри ячеек сетки. Толщина защитного слоя бетона для рабочей арматуры подколонника 50 мм в поперечном и продольном направлениях.
Рисунок 10. Изделия для армирования подколонника
Список использованных источников
1. ГОСТ 11118-73. Панели из автоклавных ячеистых бетонов для наружных стен зданий. Технические требования. Москва.
2. ГОСТ 13840-68*. Канаты стальные арматурные 1´7. Технические условия. Издательство стандартов. Москва.
3. ГОСТ 14098-91. Соединения сварные арматуры и закладных изделий железобетонных конструкций типы, конструкции и размеры.
4. ГОСТ 23279-85. Сетки арматурные сварные для железобетонных конструкций и изделий. Москва. Госстрой СССР. 1985.
5. ГОСТ 5781-82. Сталь горячекатаная для армирования железобетонных конструкций. Технические условия.
6. ГОСТ 6727-80*. Проволока из низкоуглеродистой стали холоднотянутая для армирования железобетонных конструкций. Технические условия. Госстрой СССР. Москва. 1994.
7. Пособие по проектированию бетонных и железобетонных конструкций из тяжелого бетона без предварительного напряжения арматуры (к СП 52-101-2003). ГУП НИИЖБ Госстроя России. Москва. 2005.
8. Пособие по проектированию предварительно напряженных железобетонных конструкций из тяжелого бетона (к СП 52-102-2004). ГУП НИИЖБ Госстроя РФ.
9. Серия 1.412.1-16. Фундаменты монолитные железобетонные на естественном основании под типовые железобетонные колонны одноэтажных и многоэтажных зданий.
10. Серия 1.424.1-5. Колонны железобетонные прямоугольного сечения для одноэтажных производственных зданий высотой 8,4-14,4 м оборудованных мостовыми опорными кранами грузоподъемностью до 32 тонн.
11. Серия 1.463.1-16. Фермы стропильные железобетонные сегментные для покрытий одноэтажных производственных зданий пролетами 18 и 24 м.
12. СНиП 2.01.07-85*. Нагрузки и воздействия. Минстрой РФ. Москва. 1996.
13. СНиП 52-01-2003. Бетонные и железобетонные конструкции Основные положения. ГУП НИИЖБ Госстроя России. Москва. 2004.
14. СП 52-101-2003. Бетонные и железобетонные конструкции без предварительного напряжения арматуры. ГУП НИИЖБ Госстроя России.
15. СП 52-102-2004. Предварительно напряженные железобетонные конструкции. ГУП НИИЖБ Госстроя России.
16. Железобетонные конструкции. Байков В. Н., Сигалов Э. Е. Москва. Стройиздат. 1985.
17. Строительные конструкции. Учебное пособие. Малбиев С.А., Телоян А.Л., Лопатин А.Н. Пермь. 2006.
