Расчет давления подкрановых балокРефераты >> Строительство >> Расчет давления подкрановых балок
Местная устойчивость стенки обеспечена, если:
Отсюда
Принимается
- стенка из листа 450х10 с
– полки 120х10 с
Площадь наружной ветви равна:
Местная устойчивость полок обеспечена если:
Геометрические характеристике наружной ветви:
Уточняем усилия в ветвях
Гибкости и коэффициенты продольного изгиба
Проверяем устойчивость ветвей из плоскости рамы (относительно оси у)
- подкрановая
- наружная
Требуемая по условию равноустойчивости длина ветви:
- подкрановая
- наружная
Принимаем
Расчёт решётки
Определим поперечную силу
Принимаем
Определяем
Принимаем ∟ 63х6
Проверка устойчивости колонны в плоскости рамы как единого, сквозного стержня.
Геометрические характеристики
Проверка устойчивости при
при
Расчёт узла сопряжения верхней и нижней частей колонны
Расчётные усилия в сечении над уступом
1.
2.
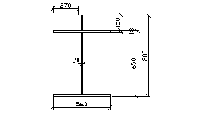
![]() |
Рис. Конструктивное решение узла
Комбинация усилий №1
- слева
- справа
Определение размеров траверсы
Назначаем высоту траверсы
, толщину подкрановой площадки
.
Из формулы
где
принимаем
Расчёт швов 2 крепления ребра к траверсе
Усилия в швах
-1 комбинация
-2 комбинация
где
Сварка принимается полуавтоматическая, проволокой СВ08А
. Расчёт выполнен по металлу шва
Расчёт швов 3 крепления траверсы к подкрановой ветви
Наибольшую нагрузку на швы 3 даёт комбинация усилий от нагрузок (сечение 3–3, над уступом)
Нагрузка на швы
где 0,9 – коэффициент сочетания
Требуемая длина шва, если
Из условия прочности стенки подкрановой ветви на срез в зоне швов 3
![]() |


