Расчет давления подкрановых балокРефераты >> Строительство >> Расчет давления подкрановых балок
Жёсткость подобранного сечения обеспечена.
Общая устойчивость подкрановой балки обеспечена тормозной конструкцией и не проверяется.
Проверка местной устойчивости стенки подкрановой балки
Определяем условную гибкость стенки
устойчивость стенки нужно проверять
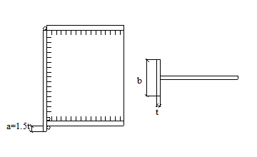
а – расстояние между рёбрами жёсткости
Принимаем а=1,5 м (кратно l=6 м)
Размеры отсека стенки
Принимаем подкрановую балку с двухсторонними поясными швами и двухсторонними основными поперечными рёбрами жёсткости
Принимаем
Толщина ребра равна:
Принимаем
Проверяем устойчивость крайнего и среднего отсеков.
Проверка устойчивости среднего отсека
Изгибающие моменты
![]() |
Поперечные силы
Определяем напряжения
Определяем критические напряжения для отсека 1,5х 0,868
Соотношение размеров отсека ![]()
Соотношение
Коэффициент защемления стенки равен:
Устойчивость стенки проверяем по формуле
Устойчивость стенки при действии максимальных напряжений обеспечена
![]() |
Рис. К проверке устойчивости крайнего отсека
Изгибающие моменты
Поперечная сила
Определяем напряжения
Устойчивость стенки проверяем по формуле
Устойчивость стенки при действии максимальных напряжений обеспечена
Расчёт опорного ребра
Для передачи опорного давления балки на колонну устанавливают торцевую диафрагму с фрезерованным торцом. Площадь строганного края опорного ребра определяют из условия смятия.
, где
Rр – расчётное сопротивление стали смятию.
![]() |
Конструктивно
Принимаем
Проверяем устойчивость опорной части относительно оси у
Момент инерции опорной части
Радиус инерции
Определяем
Проверяем устойчивость опорной части балки по формуле
устойчивость опорной части обеспечена.
Расчёт поясных швов
Поясные швы приняты двухсторонними, т. к. на подкрановую балку действуют динамические нагрузки.
- по металлу шва
- по металлу границы сплавления
- сдвигающая сила
S – статический момент пояса
- сминающая сила
Назначаем поясные швы минимально возможной толщины при сварки листов
Принимаем катет шва
Расчёт подкрановой балки на выносливость при
– расчётное сопротивление по временному сопротивлению стали
– расчётное сопротивление усталостному разрушению
α – коэффициент учитывающий количество циклов загружения
→Выносливость балки обеспечена.
Расчет поперечной рамы с шарнирным прикреплением ригеля к колоннам
Здание однопролетное, отапливаемое с мостовыми кранами
среднего режима работы.
Пролет цеха –
;
Уровень головки кранового рельса –
.
Компоновка рамы
Основные величины:
– наименьшая отметка головки кранового рельса, которая задается из условия необходимой высоты подъема крюка над уровнем пола,



