Расчет консольной фермы
Рефераты >> Строительство >> Расчет консольной фермы

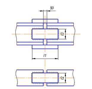
Рисунок 7-Проектирование планки

Между торцами стыкуемых элементов поясов ферм, перекрываемых планками, следует оставить зазор не менее 50 мм, для того чтобы уменьшить сварочные напряжения.


Страница: