Проектирование и расчет балочной клеткиРефераты >> Строительство >> Проектирование и расчет балочной клетки
4.4. Расчет и конструирование оголовка колонны
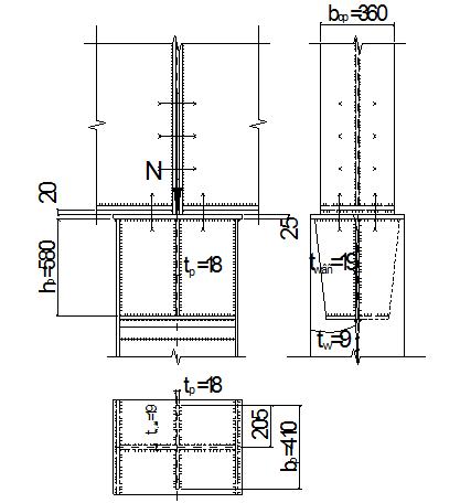
На колонну со сплошной стенкой свободно сверху опираются балки. Усилие на стержень колонны передается опорными ребрами балок через плиту оголовка. Ширина опорных ребер балок bp = 360 мм. На колонну действует продольная сила N = 2678 кН. Торец колонны фрезерован. Толщину плиты оголовка принимаем равной tf = 25 мм.
Плита поддерживается ребрами, приваренными к стенке колонны. Толщину ребер определяем из условия смятия. Требуемая площадь смятия:
Определим высоту ребра, исходя из длины швов, прикрепляющих ребро к стенке.
Задаемся катетом шва kf = 10 мм.
Сварные швы будем выполнять полуавтоматической сваркой электродами Э42, выполненными из проволоки сплошного сечения Св-08А со значением
Схема опирания главной балки на колонну
кН/см2. Для стали С275 значение
кН/см2. Таким образом, расчетные сопротивления сварного шва по металлу шва и по границе сплавления соответственно будут равны ( по табл.3 СНиП II-23-81*):
кН/см2,
кН/см2.
Значения коэффициентов
при сварке в нижнем положении равны:
кН/см2,
кН/см2, следовательно, необходимо рассчитать сварной шов на условный срез по металлу границы сплавления. Тогда длина одного углового шва будет равна
( при kf = 10 мм – для вставки стенки в колонну > 10 мм.)
см, принимаем hp=lw+1=57,16+1=58 см.
Толщину вставки в стенку колонны определим из расчета стенки на срез:
см, принимаем tw, вс = 19 мм.
4.5 Расчет и конструирование базы колонны
Собственный вес колонны:
кг.
Расчетная нагрузка на базу колонны:
кН.
Требуемая площадь плиты базы колонны
,
где y - коэффициент, зависящий от характера распределения местной нагрузки по площади смятия, при равномерно распределенной нагрузке y = 1;
Rb,loc – расчетное сопротивление смятию:
,
где Rb – расчетное сопротивление тяжелого, мелкозернистого и легкого бетонов для предельных состояний первой группы на осевое сжатие, для бетона класса В12,5 Rb = 0,75 кН/см2;
a - коэффициент для расчета на изгиб, зависящий от характера операния плит, для бетонов класса ниже В25 a =1;
- принимают не более 2,5 для бетонов класса выше В 7,5, потому в нашем случае jb = 2.
кН/см2.
При центрально-сжатой колонне и значительной жесткости плиты напряжения под плитой в бетоне можно считать равномерно распределенными, поэтому y = 1, тогда
см2.
Считая в первом приближении плиту базы квадратной, будем иметь стороны плиты равными
см;
принимаем размеры плиты
см, L = 75 cм (по конструктивным соображениям), тогда
см2.
Напряжение под плитой
кН/см2.
Плита работает на изгиб, как пластинка, опертая на соответствующее число кантов (сторон). Нагрузкой является отпор фундамента. В плите имеются три участка.
На участке 1 плита работает по схеме "пластинка, опертая на четыре канта". Соотношение сторон
> 2,
то есть плиту можно рассматривать как однопролетную балочную, свободно лежащую на двух опорах.
Изгибающий момент:
кН×см.
Требуемая толщина плиты подбирается по максимальному изгибающему моменту, принимая материал плиты – сталь С275, для которой расчетное сопротивление Ry = 26 кН/см2, тогда
см,
принимаем толщину базы 24 мм.
На участке 2 плита работает тоже, как пластинка, опертая на три канта.
см,
Соотношение сторон
,
следовательно плиту можно рассматривать как консоль длиной с.
Изгибающий момент:
кН×см.
На участке 3 плита оперта на три канта.
см,
,
следовательно плиту можно рассматривать как консоль длиной е.
Изгибающий момент:
кН×см.
База колонны (цифры в кружках - номера участков)
Расчет траверсы.
Считаем в запас прочности, что усилие на плиту передается только через швы, прикрепляющие ствол колонны к траверсам и не учитываем швы, соединяющие ствол колонны непосредственно с плитой базы. Траверса работает на изгиб, как балка с двумя консолями. Высота траверсы определяется из условия прочности сварного соединения траверсы с колонной.
Рассчитаем угловые швы на условный срез.
Задаемся катетом шва kf = 13 мм.
Сварные швы будем выполнять полуавтоматической сваркой электродами Э42, выполненными из проволоки сплошного сечения Св-08А со значением
кН/см2. Для стали С275 значение
кН/см2. Таким образом, расчетные сопротивления сварного шва по металлу шва и по границе сплавления соответственно будут равны ( по табл.3 СНиП II-23-81*):
кН/см2,
кН/см2.
