Главная
Новое
Топ
Добавить реферат
Поиск
Контакты
Главная
Новые рефераты
Популярные
Добавить реферат
Поиск
Контакты
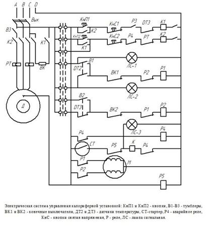
Проектирование системы вентиляции животноводческого помещения
Рефераты
>>
Строительство
>> Проектирование системы вентиляции животноводческого помещения
Страница:
Последние рефераты
НПИ причины неуспеваемости детей в школе
Нормативно-правовое обеспечение образования
Новые формы обучения иностранному языку в эпоху информационных технологий
Новые технологии обучения
Новые подходы в организации самообразовательной деятельности учащихся на уроках истории
Новые образовательные технологии как средство повышения качества образования
Новые активные формы в проведении уроков русского языка