Проектирование системы вентиляции животноводческого помещенияРефераты >> Строительство >> Проектирование системы вентиляции животноводческого помещения
где
- опытная величина сопротивления грунта;
- коэффициент, учитывающий возможное повышение удельного сопротивления грунта в течении года, по сравнению с опытным его значением. Этот коэффициент принимается по справочным данным.
Контрольные измерения сопротивлений и проверка состояния наружной части заземляющей и зануляющей проводок производиться не реже одного раза в год. Проверка заземления делается поочередно: один раз в наиболее сухой период лета, а другой – в наиболее морозный период зимы.
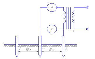
Существует несколько способов измерения сопротивления заземлителей. Наиболее простым и доступным в условиях животноводческих хозяйств является метод состоит в том, что вначале производится три измерения напряжения и тока между испытываемым заземлителем А и достаточно от него удаленными вспомогательными электродами В и С.
После этого составляют три уравнения, выражающих суммы сопротивлений:
Решая полученные уравнения, находят искомое значение сопротивления заземлителя RА.
Для большей точности определения RА рекомендуется измерять напряжение высокоомным вольтметром.
Первая помощь людям и животным при поражении их электрическим током.
При поражении током человека необходимо:
немедленно прекратить протекание тока через пострадавшего, выключив рубильник или отведя токоведущую часть от пострадавшего с помощью сухой деревянной палки, доски или других токонепроводящих предметов. Для этой цели лучше всего иметь резиновые перчатки, резиновые сапоги и галоши;
быстро расстегнуть одежду, стесняющую дыхание; осторожно разжать рот деревянным предметом; очистить рот и вытянуть язык, запавший в гортань;
создать приток свежего воздуха, открыв окна или дверь; при плохом дыхании или его отсутствии делать искусственное дыхание и продолжать его до прихода врача.
Во время искусственного дыхания нельзя допускать охлаждения пострадавшего (оставлять на сырой земле, на бетонном полу). Рекомендуется прикладывать грелку к туловищу и ногам пострадавшего.
Совершенно недопустимо оказание ”помощи” пораженному током путем сильного встряхивания или закапывания тела в землю. Такие способы приносят только вред.
При искусственном дыхании животное кладут на спину, голове его дают наклонное положение и затем медленно (сообразно с нормальным количеством дыхательных движений в минуту) разгибают и сгибают передние конечности. Одновременно с этим для возбуждения движения диафрагмы надавливают на брюшную стенку. Рекомендуется также ритмично потягивать язык пострадавшего животного и производить раздражение нервных окончаний кожи растиранием. Понаблюдением профессора Ф. Н. Щепетова, хорошие результаты дает лобелин при подкожном его введении.
При остановке сердечной деятельности необходимо применять массаж области сердца, а также вводить под кожу камфору, кофеин, эфир или спирт.
Для спасения пораженных током главную роль играет быстрота оказания первой медицинской помощи. Статистические данные показывают, что помощь, оказанная людям в течение первой минуты после поражения током, дала положительные результаты более чем в 90% случаев. При оказании помощи попрошествии 6 минут положительные результаты достигались всего лишь в 10% случаев, а по истечение 12 минут положительный эффект был весьма редким исключением.
Вывод
В данной курсовой работе я рассчитал животноводческое помещение, с искусственным микроклиматом, под которым понимают совокупность физических, химических и биологических факторов, оказывающих определенное влияние на развитие и функционирование организма животного, и ее физиологическое состояние. К основным критериям оценки окружающей среды, где обитает животное, отнесли температуру, влажность, скорость движения и химический состав воздуха, содержание в нем механических включений (пыли) и микроорганизмов, освещенность помещения. Температуру воздуха в коровнике обеспечивали с помощью приточо - вытяжной вентиляции, т. е. соблюдали равновесие между теплообразованием и теплоотдачей в организме животного, т. е. находились в диапазоне, обеспечивающий обмен веществ на постоянном уровне. Для обеспечения максимальной эффективности вентиляционной системы, она была спроектирована с учетом особенности конструкции здания, в котором она устанавливается.
Список используемой литературы
Ерошенко Г.П., Пястолов А. А. Курсовое и дипломное проектирование по эксплуатации электрооборудования. –М. – Агропромиздат 1988.
Ерошенко Г. П. Эксплуатационные свойства электрооборудования. – Саратов: Издательство СГУ, 1984.
Егорушкин В. Е. и др.”Основы теплотехники и теплоснабжения сельскохозяйственных предприятий” Москва. КолосС. 1982г.
Электротехнический справочник,. В 3т/ Под общ. Ред. Профессоров МЭИ: И. Н. Орлова (гл.ред.) и др. – 7е изд. М., 1988.
Гусев В.М. ”Теплоснабжение и вентиляции” Ленинград. Стройиздат. 1975.
Межотраслевые правила по охране труда (правила безопасности) при эксплуатации электроустановок (с изменениями и дополнениями), 2003.
Приложения
Таблица 1. Параметры воздуха в животноводческих помещениях (по НТП-СХ.1—72 и НТП-СХ.2—68).
|
Помещение |
Расчетные параметры воздуха в помещении | |||
|
Температура 0С |
Относительная влажность % |
Скорость движения воздуха м/с |
Воздухообмен на 1ц. массы животного, а % | |
|
С беспривязным содержанием коров |
3 |
85 |
0,5-1 |
17 |
|
Привязное содержание коров |
10 |
70 |
0,5-1 |
17 |
|
Телятники |
10 |
70 |
0,3-0,5 |
20 |
Таблица 2. Количество тепла, углекислоты и водяных паров, выделяемых животными (по НТП-СХ.1—72 и НТП-СХ.2—68)
|
Вид животных |
Живая масса, кг |
Количество выделяемыхна одну голову | ||
|
свободного тепла, |
углекислоты,GУК л/ч |
Водных паров, G г/ч | ||
|
Коровы сухостойные |
400 600 |
2380 2800 |
110 138 |
350 440 |
|
Коровы лактирующие: с удоем 10 л в сутки |
400 600 |
2300 2880 |
114 143 |
364 455 |
|
с удоем 30 л в сутки |
400 600 800 |
3540 4050 4550 |
175 200 225 |
560 642 721 |
|
Телята в возрасте: до 1 месяца |
30 50 80 |
302 524 775 |
15 26 38 |
47 83 121 |
|
60 |
650 |
32 |
102 | |
|
от 1 до 3 месяцев |
100 |
850 |
42 |
135 |
|
130 |
1150 |
57 |
182 | |
|
90 |
747 |
37 |
118 | |
|
от 3 до 4 месяцев |
150 |
1150 |
57 |
183 |
|
200 |
1520 |
75 |
240 | |
|
Молодняк в возрасте от 4 месяцев до 1 года |
120 250 350 |
973 1500 1970 |
48 74 97 |
153 236 310 |
