Расчет и проектирование здания Дома быта на 15 человекРефераты >> Строительство >> Расчет и проектирование здания Дома быта на 15 человек
Нагрузка на 1 метр длины марша, действующая по нормали к его оси:
(
+
)·
·cos
(2.55)
8,93кН/м2·1,2м·0,891=9,55/м.
|
|
Рисунок 5.1-Определение расчетного пролета ![]()
=
-98-2·
·
(2.56)
Где
=90мм – величина опирания марша на консольные выступы лобового ребра лестничных площадок.
=3913мм-98-2·
·90=3725мм=3,725м.
Расчетная схема и эпюры изгибающих моментов и поперечных сил показаны на рисунке 5.2
Рисунок 5.2 Расчетная схема и эпюры
и
=
=16,56кН·м
=
=17,79кН
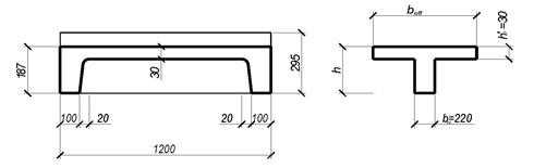
2.2.3 Определение размеров расчетного сечения
Рисунок 5.3-Действительное и расчетное сечение марша
Ширина ребра расчетного сечения
=2·
=220мм.
Толщина сжатой полки
=30мм, высота расчетного сечения
=187мм. Ширина полки расчетного таврового сечения принимается в соответствии с указаниями п.7.1.2.7[1]:
<
+2·
·
(2.57)
<220+2·
·3725=1462мм.
<
+2·6·
, если
>0,1
(2.58)
=30мм>0,1·187мм=18,7см
<220+2·6·30=580мм.
Принимаем
=580мм.
Расчет растянутой рабочей арматуры
Для сечения с одиночным армированием проверяем условие, определяющее положение нейтральной оси. Предполагаем, что нейтральная ось проходит по нижней грани полки, и определяем область деформирования для прямоугольного сечения с шириной
ξ=β=
(2.59)
Принимая с=30мм, определяем рабочую высоту сечения d=187-30=157мм.
ξ=β=
=0,191>0,167,
где ξ=0,167- верхний предел для области деформирования 1а.
С учетом того, что ξ<0,259 (0,259-верхний предел для области деформирования 1б), можно сделать вывод о том, что сечение находится в области деформирования 1б.
По формулам таблицы 6.6[1] находим величину изгибающего момента, воспринимаемого бетоном, расположенным в пределах высоты полки.
=(1,14·ξ-0,57·
-0,07)·α·
·
·
(2.60)
=(1,14·0,191-0,57·0,1912-0,07)·0,85·13,33·580·1572=
=(0,218-0,0208-0,07) ·0,85·13,33·580·1572=20,61кН·м.
Поскольку выполняется условие
<
, нейтральная ось расположена в пределах полки. В связи с этим дальнейший расчет производим как прямоугольного сечения, имеющего размеры b=
=580мм, d=157мм.
Определяем:
=
(2.61)
=
=0,102;
По таблице 6.7[2] при
=0,102 находим, что сечение находится в области деформирования 1а и η=0,939.
Находим величину требуемой площади растянутой арматуры
=
=308мм2. (2.62)
По таблице сортамента арматуры принимаем два стержня диаметром 14мм S400 (
=308мм2).
Расчет прочности сечения, наклонного к продольной оси
Расчет выполняем на основе расчетной модели наклонных сечений. При расчете железобетонных элементов с поперечной арматурой должна быть обеспечена прочность по наклонной полосе между наклонными трещинами по формуле 5.9
