Расчет и проектирование здания Дома быта на 15 человекРефераты >> Строительство >> Расчет и проектирование здания Дома быта на 15 человек
Экспликация помещений
|
№ |
Наименование |
Площадь м2 |
|
1 |
Помещения для посетителей |
56.85 |
|
2 |
Бюро обслуживания |
6.01 |
|
3 |
Ремонт часов |
6.3 |
|
4 |
Ремонт сложной бытовой техники |
23.56 |
|
5 |
Женский зал парикмахерской |
19.72 |
|
6 |
Помещение мытья и окраски волос |
8.92 |
|
7 |
Подсобная, кладовая |
9.62 |
|
8 |
Мужской зал парикмахерской |
10.36 |
|
9 |
Изготовление и ремонт обуви |
17.68 |
|
10 |
Кладовая |
11.48 |
|
11 |
Помещение звукозаписи |
7 |
|
12 |
Комната персонала |
10.66 |
|
13 |
Электрощитовая |
3.5 |
|
14 |
Венткамера, тепловой узел |
21.28 |
|
15 |
Кладовая инвентаря |
3.75 |
|
16 |
Коридоры, тамбуры |
13.05 |
|
17 |
Изготовление одежды и головных уборов |
26.36 |
|
18 |
Примерочная кабина |
4.6 |
|
19 |
Кладовые |
12.2 |
|
20 |
Зал фотосъемки для документов |
17.68 |
|
21 |
Зал для групповой съемки |
37.4 |
|
22 |
Помещение для обработки фотоматериалов |
13.63 |
|
23 |
Контора |
13.26 |
|
24 |
Гардеробные с душевыми |
20.06 |
|
25 |
Уборные |
5.1 |
|
26 |
Коридоры |
38.65 |
2 Расчетно-конструктивная часть
2.1 Расчет железобетонной плиты перекрытия ПК 51.12.
Исходные данные.
По степени ответственности здание относится ко второму классу (коэффициент надежности по назначению конструкций γn=0,95.). По условиям эксплуатации ХО. Номинальные размеры плиты B=1,2м,L=5,1м. Конструктивные размеры Lк=5,08м, Bк=1,19м. Плита с предварительным напряжением изготовлена из бетона класса С20/25 с рабочей арматурой S800, натягиваемой электротермическим способом на упоры форм.
Подсчет нагрузок на 1м2 перекрытия.
Таблице 2.1 – Подсчет нагрузок на 1м2 перекрытия
|
Вид нагрузки |
Нормативная нагрузка кН/м2 |
Частный коэффициент безопасности по нагрузке γf |
Расчётная нагрузка кН/м2 |
|
Постоянная 1. Стяжка цементно-песчаная. 0,02·20 кН/м3 2. Утеплитель. 0,3 · 4 кН/м3 3. Пароизоляция. 0,003·6 кН/м3 4. Ж/б плита. 0,11·25 кН/м3 |
0,4 1,2 0,018 2,75 |
1,35 1,35 1,35 1,15 |
0,54 1,62 0,024 3,71 |
|
Итого постоянная |
gк=4,37 |
gd=5,89 | |
|
Временная |
qк=0,7 |
1,5 |
qd=1,05 |
|
Полная нагрузка |
gк+qк=5,07 |
gd+qd=6,94 |
Расчетная нагрузка на 1 м длины плиты при ширине B=1,2м.
(gd + qd ) = 6,94 кН/м2 · 1,2м = 8,33 кН.
Определение расчетного пролета панели.
Рисунок 2.1 - Определение расчетного пролета leff
leff = 5200 - (200+190) +
· 135 +
· 135 = 4000 мм = 4,9м.
Определение расчетной схемы панели и максимальных расчетных усилий Msd,max, Vsd,max .
Максимальный изгибающий момент:
Мsd.max =
(2.1)
Мsd.max=
= 25 кН∙ м
Максимальная поперечная сила:
Vsd,max =
(2.2)
Vsd.max=
= 20,41 кН∙м.
Рисунок 2.2 - Расчетная схема панели и эпюры “Msd” и ”Vsd”.
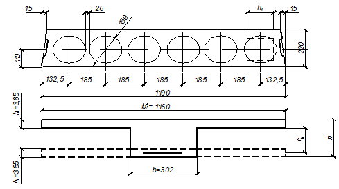
Определение размеров расчетного (эквивалентного) сечения.
Рисунок 2.3 – Действительное и расчетное поперечное сечение плиты
Для получения расчетного (эквивалентного) сечения круглые пустоты панели заменяются на квадратные равной площади со стороной квадрата равной:
h1 = 0,9 ∙ d = 0,9 ∙ 159 = 143,1 мм. h’f =
=
= 38,45 мм = 3,845 см;
