Проектирование рецептур буровых растворов по интервалам бурения для Приобского месторождения
1.5 Применяемое оборудование в циркуляционной системе
На данном предприятии используется типовая схема очитки бурового раствора. В нее входят:
- две емкости по 100 м3, запасная и основная;
- глиномешалка, для внедрения реагентов в буровой раствор в процессе бурения;
- два вибросита со сменными сетками;
- илоотделители и пескоотделители;
- лопастные перемешиватели, применяемые для предупреждения осаждения на дно емкости дисперсной фазы.
1.6 Нормы расхода буровых растворов по интервалам бурения (расчетные)
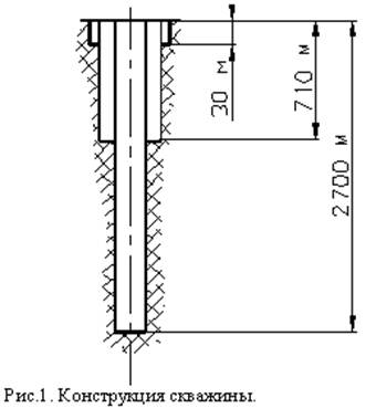
Таблица 9
Расход бурового раствора по интервалам бурения
|
Интервал, м Расход, м3/с |
0-30 |
30-710 |
710-2700 |
|
Для выноса шлама |
0,037 |
0,0146 |
0,0146 |
|
Для нормальной работы ЗД |
0,036 |
0,036 |
0,0143 |
|
Для очистки забоя |
0,024 |
0,0168 |
0,0128 |
|
Выбранный |
0,037 |
0,036 |
0,0146 |
2 Выбор растворов по интервалам бурения скважин
2.1 Анализ используемых в УБР буровых растворов
Для бурения скважин предусмотрено использование экологически малоопасных рецептур бурового раствора на основе отечественных реагентов КМЦ-600, САЙПАН, ГИПАН, НТФ, ТПФН, КССБ. Химические реагенты и их приготовление для обработки бурового раствора.
1. КМЦ применяется для регулирования фильтрационных свойств бурового раствора.
Приготовление водного раствора КМЦ на буровой производится в глиномешалках или гидромешалках. Глиномешалка МГ2-4 заполняется на 2/3 водой, загружается расчетное количество реагента, перемешивается в течении 10 мин. Приготовление раствора КМЦ осуществляется из расчета не более 200 кг на глиномешалку.
2. КССБ принимается для снижения вязкости пресных растворов, вызывает пенообразование. При использовании КССБ необходимо применять пеногаситель.
3. Гипан применяется для снижения показателя фильтрации пресных и слабоминерализованных буровых растворов, вызывает раннее загустевание пресных растворов.
Гипан не требует специального приготовления, но для более равномерной обработки бурового раствора рекомендуется производить двадцатикратное разбавление водой товарного гипана.
4. НТФ- применяется для снижения вязкости, структурных характеристик глинистого раствора в процессе бурения, регулирования фильтрационных свойств. Не требует специального приготовления, может добавляться в сухом виде под перемешиватели.
5. Бентонит, модифицированный метасом и кальцинированной содой, применяется для заготовки и обновления объема глинистых буровых растворов при снижении удельного веса.
6. Кальцинированная сода применяется для обработки раствора после разбуривания цементного стакана в башмаке кондуктора, а также в качестве понизителя вязкости.
7. Графит серебристый применяется как профилактическая смазочная добавка к буровому раствору.
8. ФК-2000- смазывающая добавка многофункционального действия, экологически чистая. Состоит из ПАВ на основе растительных масел. Совместима со всеми химическими реагентами. Оптимальная добавка от 0,1 до 0,5%.
2.2 Обоснование выбора типа растворов
Тип бурового раствора выбирается в первую очередь из условия обеспечения устойчивости стенок скважины, определяемой физико-химическими свойствами слагающих горных пород и содержащихся в них флюидов, пластовым и горным давлениями, а так же забойной температурой. При этом следует руководствоваться накопленным опытом бурения в проектном районе с промывкой различными буровыми растворами. Критерием оптимальности применяемого типа бурового раствора являются затраты времени и средства на борьбу с осложнениями, связанными с типом бурового раствора. Если затраты времени на борьбу с подобными осложнениями отсутствуют, то применяемый тип бурового раствора следует считать оптимальным.
Необходимо помнить, что тип бурового раствора определяет не только осложнения при бурении, но и в большей мере эффективность разрушение долотом. Чем быстрее бурится скважина, тем меньше, как правило, наблюдается осложнений. Поэтому при решении этого вопроса следует анализировать и учитывать отечественный и зарубежный опыт бурения скважин в аналогичных разрезах. При прочих равных условиях всегда следует отдавать предпочтение буровым растворам с минимальным содержанием твердой фазы.
Отдельно решается вопрос выбора бурового раствора для вскрытия продуктивных горизонтов. Буровой раствор выбирается так, чтобы предупредить ухудшение коллекторских свойств продуктивных пластов вследствие возникновения капиллярного эффекта при вытеснении из приствольной зоны продуктивного пласта фильтрата бурового раствора.
2.3 Обоснование параметров буровых растворов
При проектировании параметров буровых растворов всегда нужно стремиться к тому, чтобы достигались высокие скорости бурения, высококачественное вскрытие продуктивных пластов, предупреждались всевозможные осложнения.
Плотность раствора влияет на гидростатическое давление, на забой и стенки скважины. При наличии в разрезе водо-, газо-, нефтепроявляющих пластов обычно давление бурового раствора поддерживают несколько большим пластового с тем, чтобы предотвратить или резко уменьшить интенсивность поступления флюидов в скважину. Иногда плотность увеличивают для предупреждения обвалообразований. Плотность раствора уменьшают при поглощении, для снижения гидравлических потерь в циркуляционной системе и дифференциального давления на забое, повышения буримости горных пород и т.д.
Плотность бурового раствора рассчитывается для каждого интервала совместимых условий бурения по горизонту с максимальным градиентом пластового давления по формуле
(2.1)
где Кп – коэффициент превышения гидростатического давления бурового раствора над пластовым;
Pпл – пластовое давление, Па;
g – ускорение свободного падения;
Н – глубина залегания кровли горизонта с максимальным градиентом пластового давления.
Рекомендуется принимать Кп = 1,1-1,15 при Н<1200 м (DР£1,5 МПа); Кп = 1,05-1,1 при Н=1200-2500 м (DР£2,5 МПа); Кп = 1,04-1,07 при Н>2500 м (DР£3,5 МПа).
Для качественного вхождения в продуктивный пласт, необходимо произвести очистку бурового раствора от шлама, также произвести химическую обработку раствора до указанного ПФ.
