Сооружение штольни в горной местности
Площадь поперечного сечения вчерне – это площадь по наружному контуру крепи и почве выработки. Площадь поперечного сечения вчерне мы принимаем равным площади поперечного сечения в свету, так как выработка прямоугольно-сводчатой формы, не требующая возведение крепи. Итак :
.
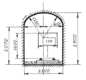
Рис. Типовое сечение однопутной прямоугольно-сводчатой формой с локомотивной откаткой породы
Далее полученные данные вносятся в паспорт крепления разведочной выработки, который наряду с другими важнейшими документами, является документом в соответствии с которым осуществляется проходка выработки. Он содержит все необходимые сведения о конструкции крепи и материалах, из которых она изготавливается, способе её возведения и оборудовании, которое при этом применяется.
4. Разработка паспорта буровзрывных работ
Взрывчатыми веществами (ВВ) называются взрывчатые химические соединения или механические смеси ряда химических компонентов, которые в своём составе содержат все необходимые химические элементы для реакции взрывного окисления без притока кислорода извне.
Рекомендуемый способ отбойки пород по СНиП при коэффициенте крепости по шкале М.М. Протодьяконова
– взрывание.
Взрывание – процесс детонирования зарядов ВВ в заданной последовательности и в заданный момент времени способами, обеспечивающими безопасность взрыва. Для этой цели используют средства взрывания, с помощью которых начальный импульс передаётся заряду ВВ и, таким образом, возбуждается его детонация.
Взрывные работы при проведении горных выработок выполняются в соответствии с паспортом буровзрывных работ, который состоит из схемы расположения шпуров в забое, табличных показателей по шпурам, технико-экономических показателей взрыва и мероприятий по технике безопасности.
Исходными параметрами для составления паспорта БВР является площадь поперечного сечения выработки и глубина шпуров в комплекте.
Одним из критериев эффективности БВР является величина коэффициента использования шпуров (КИШ). Удовлетворительными значениями КИШ можно считать для монолитных скальных пород ХVI-ХХ категорий – 0,75-0,8. При реализации паспорта БВР, совершенствуя схему расположения шпуров и некоторые другие параметры, добиваются, чтобы фактическое значение КИШ было бы не ниже принятого при проектировании.
Исходным параметром при составлении паспорта БВР является глубина шпуров в комплекте. Определим глубину шпуров исходя из заданной скорости проходки:
l= L/(T*n*к*m*η) =700/(3*30*1*4*0,8) » 2,5, где
L=700м- проектная длина штольни;
T= 3 мес- время, отводимое на проходку выработки; m = 4 - число рабочих смен в сутки;
n = 30 - число рабочих дней в месяц
- число циклов в каждой смене;
η - коэффициент использования шпуров.
В связи с малой площадью поперечного сечения выработки бурение шпуров в забои осуществляется с помощью переносного перфоратора типа ПП-54В1. В качестве установочных приспособлений для переносных перфораторов используются пневмоподдержки П-1. Для патронов диаметром 36 мм следует применять в качестве породоразрушающего инструмента съёмные коронки КДП-40-25. Марка твёрдого сплава ВК – 15 или ВК – 11В.
Основные параметры буровой коронки КДП 40-25
Типоразмер коронки КДП-40-25
Диаметр, мм 40
Размеры посадочного конуса, мм 25
Высота коронки, мм 77
Масса коронки, кг 0,5
Буровые коронки КДП-40-25 предназначены для бурения шпуров перфораторами ПП-54В1 в горных породах с коэффициентом крепости f=6÷20 по шкале проф. Протодъяконова. Тип соединения со штангой – конусное. Рекомендуемая область применения: бурение вязких, трещиноватых и абразивных пород.
Буровые штанги предназначены для передачи буровой коронке энергию удара, крутящего момента и осевого усилия подачи. Буровая штанга для перфораторов с боковой промывкой отличается тем, что её хвостовик удлинён для монтажа муфты боковой промывки.
Буровую штангу для перфораторов изготавливают из шестигранной стали марки 55С2 по ТУ 14-1-681-73 с конусным соединением с коронкой.
Диаметр вписанной в шестигранник окружности составляет 25 мм. Буровые штанги с боковой промывкой имеют длину 1,5-5 м с интервалом 0,5 м.
Максимальная длина штанги в комплекте должна быть не менее, максимальной глубины шпуров. Для переносных перфораторов применяются шестигранные штанги с осевым отверстием для промывки. Буровой комплект состоит из 2-4 штанг. Мы выбираем буровой комплект, состоящий из 4-х штанг БШ25-700, БШ25-1600, БШ25-2500, БШ25-3400 длиной 700,1600, 2500, 3400 мм массой соответственно 2,8; 6,3; 9,9; 13,1 кг.
Рассчитаем подвигание забоя за цикл (длина уходки):
Проверочный расчёт:l = lух*к*Т *n*m = 2,0*1*3*30*4 = 720м
Длина наклонных шпуров в комплекте:
Врубовые шпуры перезаряжаются на один патрон и их длина:
Итак, длину врубовых шпуров принимаем равной
(на 10% больше
).
Определим коэффициент крепости горных пород с поправкой профессора Л.И. Барона на их разрушаемость взрывом
fБ = f/3 + [10f/3]1/2 = 12,6
Рассчитаем коэффициенты относительной работоспособности ВВ и учитывающий влияние зажима пород, учитывая, что работоспособность принятого ВВ (аммонал «Скальный №3»)
:
;
Определяется удельный расход эталонного ВВ на разрушение породы в контурах воронки нормального выброса:
Удельный расход эталонного ВВ по формуле М.М. Протодьяконова:
q0 = 1.6 e (f/S)1/2 = 2,0 кг/куб.м
e - коэффициент работоспособности ВВ.
Определяется удельный расчётный расход ВВ:
, где
- коэффициент структуры породы (практически монолитные).
По формуле Н.М. Покровского определяется количество шпуров в забое:
, где
- диаметр шпура;
- плотность ВВ в патроне;
- коэффициент заполнения шпура взрывчатым веществом.
