Изучение оценки биологической безопасности продукции птицеводства на лабораторных животныхРефераты >> Ботаника и сельское хоз-во >> Изучение оценки биологической безопасности продукции птицеводства на лабораторных животных
Собирательные трубочки мозгового слоя выстланы кубическим или призматическим эпителием. Клетки светлые, границы клеток четко выражены.
Легкие – органы дыхания, состоят из имеющих характерное строение воздухоносных путей и респираторного отдела (Рис. 3 ). Стенки бронхов среднего калибра покрыты однослойным многорядным реснитчатым эпителием или однослойным однорядным мерцательным, в бронхах малого калибра. Собственный слой слизистой оболочки состоит из рыхлой соединительной ткани. Мышечной слой слизистой формируется слоем гладких мышечных клеток ориентированных по спирали. Подслизистая основа сформирована из рыхлой соединительной ткани и включает в свой состав концевые отделы слизисто – белковых желез. Фиброзно-хрящевая оболочка бронхов среднего калибра, характеризуется обширными хрящевыми пластинками, которые в бронхах малого калибра полностью отсутствуют.
Респираторные бронхиолы распадаются на альвеолярные ходы, которые, ветвясь, заканчиваются альвеолярными мешками, состоящими из совокупности респираторных альвеол. Альвеолы выстланы однослойным эпителием, расположенным на базальной мембране. Интерстициальная ткань легкого сопровождают умеренно кровенаполненые кровеносные сосуды и воздухоносные пути, она разграничивает доли и дольки паренхимы органа, ее элементы выявляются в составе долек органа, в стенках альвеол и ходов альвеол.
Для соединительной ткани сопровождающей бронхи, характерны скопление лимфоидной ткани, формирующей по ходу бронхиального дерева лимфоидные узелки.
При исследовании сердца установлено, что эпикард и эндокард имеют свойственное строение (Рис. 4 ).
Основная часть миокарда, рабочая сердечная ткань, сформирована из миоцитов, прочно соединенных своими концами и образующих многочисленные анастомозы. Зоны контакта миоцитов имеют вид одиночных темноокрашенных прямолинейных или ступенчатых полосок, расположенных перпендикулярно длины оси клеток. Миоциты содержат 1-2 светлых ядра овальной формы, имеющих центральное расположение. Поперечная исчерченность, обусловленная строением миофибрилл, отчетливо выражена. Миоциты окружены тонковолокнистой соединительной тканью (эндомизий миокарда), содержащие многочисленные умеренно кровенаполненые капилляры, обеспечивающие процессы микроциркуляции.
Атипичные миоциты (проводящие) более светлые, имеют неправильную форму и поперечный диаметр в 2-3 раза больше, чем диаметр сократительных миоцитов.
При скармливании крысам мяса цыплят-бройлеров, содержащего свинец, установлено, что структура печени неоднородна (Рис. 5). Наряду с сохранившими нормальное строение дольками, в паренхиме печени обнаруживаются очаги с выраженной зернистой дистрофией, с признаками дистрофического ожирения и участками некроза, наиболее выраженных в дольках с нарушенным балочного строения.
В качестве основных изменений в структуре почек на первый план выступает зернистая дистрофия основной массы эпителия извитых канальцев, петель Генли и собирательных трубочек, а также очаговый некроз эпителия канальцев (Рис.6).
Поражение интерстициальной ткани имеет характер отдельных более или менее многочисленных очагов, разбросанных среди нормальной ткани.
В миокарде (Рис.7) отмечается наличие кровоизлияний, гиперемия сосудов, умеренная очаговая зернистая дистрофия.
В легких (Рис. 8) отмечается гиперемия сосудов. Междольковые и межальвеолярные перегородки расширены. Альвеолы заполнены воздухом и жидкостью, содержащей незначительное количество белковых веществ и клеточных элементов.
При скармливании крысам мяса цыплят-бройлеров, содержащего свинец, установлено, что в печени (Рис. 9 ) гепатоциты в состоянии умеренной зернистой или очаговой жировой дистрофии, балочное строение долек печени сохранено, венозные синусы расширены, гепатоциты несколько набухшие с мутноватой цитоплазмой, ядра сохранены, контуры их сглажены. В отдельных дольках обнаруживаются группы клеток, в цитоплазме которых выявляются жировые капли различной величины.
Наряду с отмеченными изменениями на периферии отдельных долек отмечаются гепатоциты в состоянии некроза.
В качестве основных изменений в структуре почек (Рис. 10) на первый план выступает зернистая дистрофия основной массы эпителия извитых канальцев, петель Генли и собирательных трубочек, а также очаговый некроз эпителия канальцев. Поражения интерстициальной ткани имеет характер отдельных очагов. В миокарде (Рис.11) сосуды гиперемированы, поперечная исчерченость ослаблена в отдельных участках мышцы. Отмечается умеренная зернистая дистрофия. В легких (Рис. 12) отмечается гиперемия сосудов. Междольковые и межальвеолярные перегородки несколько расширены, альвеолы заполнены воздухом и жидкостью, содержащей незначительное количество белковых веществ и клеточных элементов.
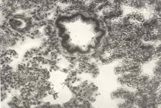
Рисунок 1. Печень. Группа № 1 (контроль)
Печень имеет характерное дольчатое строение. Гепатоциты формируют четко выраженные, радиально лежащие балки. (Увел.400).
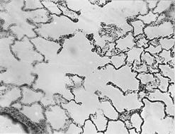
Рисунок 2. Почки. Группа № 1 (контроль). Паренхима органа состоит из четко выраженного периферического коркового вещества и мозгового слоя. (Увел.400).
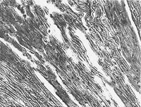
Рисунок 3. Сердце. Группа № 1 (контроль).
Эпикард и эндокард имеет свойственное им строение (Увел. 400).
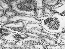
Рисунок 4. Легкие. Группа № 1 (контроль)
Имеют характерное строение воздухоносных путей и респираторного отдела. (Увел. 400).
Рисунок 5. Печень. Группа № 2 .
В паренхиме обнаруживаются очаги выраженной зернистой дистрофии с признаками дистрофического ожирения и участками некроза (Увел.400).
Рисунок 6. Почки. Группа № 2
Зернистая дистрофия основной массы эпителия извитых канальцев (Увел. 400).
Рисунок 7. Сердце. Группа № 2
В миокарде отмечается наличие кровоизлияний, гиперемия сосудов, умеренная очаговая зернистая дистрофия (Увел.400).
Рисунок 8. Легкие. Группа № 2
Гиперемия сосудов. Альвеолы заполнены воздухом и жидкостью, содержащей белковые вещества и клеточные элементы (Увел.400).
Рисунок 9. Печень. Группа № 3
В клетках печени обнаруживается наличие дистрофического ожирения с признаками зернистой дистрофии. В пораженных участках долек гепатоциты увеличены (Увел.400).
Рисунок 10. Почки. Группа № 3
Изменения структуры почек носят очаговый характер. Некротические изменения выражены в меньшей степени и носят менее распространенный характер (Увел.400).
