Особенности сбора, обработки и хранения шишек и семян сосны обыкновенной в Семипалатинском филиале ГУ ГЛПР Семей орманыРефераты >> Ботаника и сельское хоз-во >> Особенности сбора, обработки и хранения шишек и семян сосны обыкновенной в Семипалатинском филиале ГУ ГЛПР Семей орманы
Очистить, привести в порядок инструмент, оборудование, поместить их на хранение в отведенные места. Снять обмундирование, спецодежду и обувь, очистить и освободить их от пыли, поместить их на хранение. Убедиться в отсутствии энцефалитного клеща, при наличии—удалить.
Выполнить гигиенические процедуры, при работе в зоне радиационного загрязнения выполнить предписанные процедуры. О всех замечаниях по работе сообщить должностному лицу и занести замечания в журнал административно-общественного контроля по охране труда. Загасить костры и присыпать их почвой.
Приложение 2
Машины и устройства для сбора и обработки семян
Подъемник для сбора шишек ПСШ поднимает двух рабочих в крону дерева на высоту до 8,5 м с целью сбора шишек на плантациях. Он смонтирован на гусеничном тракторе ДТ-75М и состоит из колонны 2, гидроцилиндра подъема плеча 3, стрелы 4, гидроцилиндра управления люльками 5, рукояти 7, и механизма 8 раздвижения люлек (корзин) 6.
![]() |
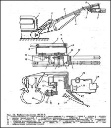
![]() |
Виброустановка ВСО-1 отряхивает орехи грецкие (и другие подобные плоды) с растущих деревьев в период растрескивания околоплодника, когда максимальная сила связи плодов с ветвями не превышает 1—1,5 кг при влажности плодоножки не более 10—15%. Виброустановку навешивают на тракторы различных марок. Она состоит из рамы 2 с навесным устройством, стрелы 3 со штангой 4, гидравлического привода 5, подвесного устройства 6
![]() |
Шишкосушилка стационарная
![]() |
Обескрыливает семена хвойных и лиственных пород, извлекает их из сережек, стручков, коробочек и ягод, а также очищает семена от примесей, сортирует их по размерам и массе. Она состоит из электромотора 1, вентилятора 2, заслонки 3, осадочной камеры 4, вертикального канала 5 воздушной очистки, заслонки приемного бункера б, загрузочного бункера 7, ворошилки 8, заслонки приемного бункера 9, барабана обескрыливателя 10, клиноременной передачи 11 привода вала обескрыливателя и цилиндрического барабана, приемных бункеров 14 и 15, ворошилки 16, семесбор-ника обескрыленных и неочищенных.семян 19 и решет барабана 20, 21 и 22. предназначенные для очистки и сортирования семена из бункера 7 поступают в барабан 10 обескрыливателя через отверстие,
Машина для извлечения семян МИС-1
Состоит из барабана наружного неподвижного 13, внутреннего подвижного 14 с вертикальным валом, загрузочного бункера 15 для исходного материала, в котором также размещен редуктор 16 для привода внутреннего барабана; решетного устройства 17. Все части машины смонтированы на станине 18.




