Проект комплексной механизации водоснабжения свиноводческого комплексаРефераты >> Ботаника и сельское хоз-во >> Проект комплексной механизации водоснабжения свиноводческого комплекса
Рисунок 7 - Схема ленточного водоподъемника.
1 - рама; 2 - крыша; 3 - ведущий шкив; 4 - ремень; 5 - двигатель; 6 - лента; 7 - натяжной шкив; 8 - груз.
Для подачи воды на производственные и хозяйственно-питьевые нужды животноводческие хозяйства должны быть оборудованы водопроводной сетью. Различают внешнюю и внутреннюю водопроводную сеть.
Внешняя водопроводная сеть - это та часть распределительной сети, которая расположена на территории комплекса или фермы за пределами помещений. Она может быть разветвленной или кольцевой.
Разветвленная, или тупиковая сеть (рисунок 8а), состоит из отдельных линий. Вода из водонапорной башни проходит по главной магистрали с ответвлениями, которые заканчиваются тупиками. Таким образом, вода поступает к потребителю только с одной стороны. Тупиковая сеть применяется лишь на небольших фермах.
Кольцевая сеть (рисунок 8б) обеспечивает движение воды по замкнутому кругу (кольцу) и подводит ее к потребителю с двух сторон. Кольцевая водопроводная сеть длиннее, чем соответствующая тупиковая, однако у нее имеется немало преимуществ: не застаивается вода, увеличивается пропускная способность сети и другие. Поэтому кольцевую сеть применяют чаще.
Внутренняя водопроводная сеть предназначена для непосредственного распределения воды между потребителями внутри зданий. Для бесперебойной подачи воды на производственные нужды эта сеть выполняется только кольцевой. В производственных зданиях крупных комплексов эту сеть присоединяют к кольцевой сети наружного водопровода двумя вводами раздельно.
Рисунок 8 - Схема водопроводных сетей.
а - тупиковый; б - кольцевой.
Расход воды в животноводческих хозяйствах в течение суток неравномерный, и приспособить работу насосных станций к изменениям потребления воды без дополнительных промежуточных резервуаров воды очень трудно. Поэтому при устройстве водопроводных сетей необходимо предусмотреть специальные сооружения для запаса воды на непрерывное питание потребителей.
По способу получения воды из этих сооружений они бывают напорно-регулирующие и безнапорные.
Напорно-регулирующие сооружения создают в водопроводной сети напор, необходимый для распределения нужного количества воды потребителям. К ним относят водонапорные башни и пневматические котлы. Водонапорные башни создают необходимый напор за счет поднятия водонапорного бака на необходимую высоту, а в пневматических котлах - за счет давления сжатого воздуха в пространстве, свободном от воды в герметически закрытом сосуде.
Безнапорные сооружения выполняют в виде подземных резервуаров, вода из которых подается насосами в водонапорную сеть, а затем потребителю.
Выбор конкретной схемы
Основываясь на исходные данные: водоснабжение комплекса по откорму свиней на 12 тыс. голов в год, шахтный колодец и башенная водокачка выбираем схему водоснабжения, включающую в себя также насосную станцию и водопроводную сеть.
Рисунок 9 - Схема водоснабжения при заборе воды.
1 - шахтный колодец; 2 - насосная станция; 3 - водопроводная сеть; 4 - водонапорная башня; 5 - место потребления воды (свинарник - откормочник)
Технологический расчет
Имеем следующие исходные данные:
1. Схема водопровода
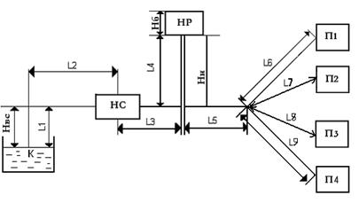
Рисунок 10 - Расчетная схема водопровода.
К - колодец (источник воды); НС - насосная станция (водоприемник); НР - напорно-регулирующее сооружение; П1, П2, П3, П4 - потребители, l1,l2 - линии всасывающего трубопровода; l3, l4 - линия напорного трубопровода; l5,l6,l7,l8,l9 - линия разводящего трубопровода; Нвс - высота всасывания геометрическая (расстояние по вертикали между уровнем воды в источнике и осью насоса); Нн - высота нагнетания геометрическая (расстояние по вертикали от центра насоса до уровня воды в напорном резервуаре); Нб - высота бока; Нг - геометрическая разность нивелирных отметок земли у башни и наиболее высоко расположенной точки водопотребления.
2. Источник имеет дебит Д = 280 м3/ч
3. Напорно-регулирующее сооружение - башенная водокачка или резервуар с Нб = 4,0 м
4. Геометрическая разность нивелирных отметок Нг = 0.
5. Время работы насосной станции Т = 13 часов (работает с 6 до 19 часов).
6. Потребители:
а) П1 - свинарник-откормочник №1
б) П2 - свинарник - откормочник №2
в) П3 - свинарник-откормочник №3
г) П4 - свинарник-откормочник №4
7. Линии водопровода,
а) l1 = Hвс = 5,5 м; l2 = 68 м.
б) l3 = 73 м; l4 = Нн.
в) l5 = 150 м; l6 = 135 м; l7 = 100 м; l8 = 110 м; l9 = 125 м.
8. Величина свободного напора в конечной точке водоразбора Нсвн = 4,8 м.
9. Насос центробежный (привод ременный).
10. Расход воды по часам суток в процентах от суточного:
|
24-1 |
1-2 |
2-3 |
3-4 |
4-5 |
5-6 |
6-7 |
7-8 |
8-9 |
9-10 |
10-11 |
11-12 |
12-13 |
13-14 |
14-15 |
15-16 |
16-17 |
17-18 |
18-19 |
19-20 |
20-21 |
21-22 |
22-23 |
23-24 |
|
0,5 |
2,5 |
1,5 |
2,0 |
3,0 |
6,0 |
5,0 |
4,5 |
3,0 |
6,0 |
6,0 |
11,5 |
5,0 |
5,5 |
5,5 |
5,5 |
5,5 |
4,5 |
4,0 |
7,0 |
2,0 |
1,0 |
1,5 |
1,5 |
