Основы передачи информаци. Разработать схему. КонтрольнаяРефераты >> Коммуникации и связь >> Основы передачи информаци. Разработать схему. Контрольная
Задание :
Разработать схему электрическую функциональную передатчика и приемника цифровой системы телеизмерения (ТИ). Определить шаг квантования (дискретизации) по времени ∆t, число уровней квантования и разрядность (К) без избыточного двоичного кода, посылаемого в канал связи (КС), и необходимую скорость передачи V на КС.
Вариант 11
Данные:
АЦП с промежуточным преобразованием аналоговой величины в изменение частоты импульсов.
- Определяем значения методических составляющих относительных приведенных среднеквадратических погрешностей квантования по уровню
и квантования по времени 
Рациональным считается случай, когда
=
.
Откуда методические составляющие относительных приведенных среднеквадратичных погрешностей квантования по уровню и по времени
=
= 0.324%
1.1 Находим число уровней квантования.
Для АЦП с промежуточным преобразованием аналоговой величины в изменение частоты импульсов число уровней квантования находим по формуле :
. Относительная приведенная погрешность связана с абсолютной погрешностью
выражением
При квантовании по уровню значения
распределены по равномерному закону, поэтому абсолютное значение среднеквадратической погрешности
.
Учитывая, что ![]()
, получим
- Определяем минимальную длину информационной комбинации К.
Поскольку
, то К = 8 разрядов (букв).
- Определяем шаг квантования по времени при ступенчатой аппроксимации непрерывного сигнала:

При квантовании по времени значение абсолютной погрешности, возникающей за счет этого квантования, распределено по нормальному закону:
.
От сюда получим :
Тогда
с.
- Находим скорость передачи по КС. При передаче безизбыточным кодом к информационным буквам добавляется синхроимпульс, который служит для разделения отдельных комбинаций и организаций синхронизации передающего и приемного полукомплектов.
Если принять, что признаком синхроимпульса (СИ) является длительность посылки и Си занимает в Кс время, отводимое для передачи двух информационных букв, то скорость передачи:
- Изображаем пример линейного сигнала, поступающего в КС, для кода 01001100
- период генератора, ведущего распределитель
- шаг квантования по времени.
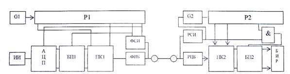
- Составим структурную схему
Рисунок 2 - Структурная схема передатчика и приемника цифровой системы телеизмерения
Длина синхронно и синфазно работающих распределителей Р1 и Р2
определяется длиной информационной комбинации (8 букв) и
синхроимпульсом (синхроимпульс занимает два периода генератора).
Электрический сигнал от источника информации (ИИ) поступает на АЦП,
который производит полный цикл преобразований но команде, поступающей
с 10-и ячейки Р1. Время одного цикла преобразования в АЦП не должно
превышать время ввода в КС последовательного кода. После окончания
преобразования сигнал, совпадающий с фронтом импульса с 9-й ячейки PI,
разрешает запись в буферную память БП1 новой комбинации. Эта память
выполнена на D - триггерах (команда записи подается на синхровходы всех 8
триггеров). Преобразователь кодов ПК1 служит для перевода параллельного
кода в последовательный и состоит из восьми схем И и одной ИЛИ.
Распределители Р1 и Р2 выполнены на базе счетчиков со схемой гашения,
обеспечивающей нужный коэффициент пересчета и дешифраторов.
Для того, чтобы каждая единичная посылка в КС, отображающая один разряд кода, занимала половину отводимого для передачи буквы времени, дешифратор распределителя Р1выполненн со стробированием импульсами, поступающими от генератора.
Формирователь синхроимпульсов (далее -- ФСИ) выполнен на Ж триггере.
Различитель синхроимпульсов (далее РСИ) выполнен в виде цифрового различителя удлиненного импульса. Сигнал с выхода РСИ, свидетельствующий о появлении СИ, должен появиться в момент, соответствующий 0.6 длины СИ, и оканчиваться в момент окончания СИ. Преобразователь последовательного кода в параллельный ПК2 состоит из D триггеров. На все входы Dтриггеров поступают элементы
информационной комбинации из КС, а на синхровходы подаются поочередно импульсы 1-8 - и ячеек Р2. Перезапись информации из ПК2 в БП2 разрешается после проверки синхронности движения Р1 и Р2.
Министерство образования и науки Украины
Одесский национальный политехнический университет
Контрольная работа
по дисциплине “Основы передачи информации”
Выполнил студент
группы ЗАТ-041
Пархоменко Виталий
Вариант 11
Шифр 004311
Проверил:
Одесса 2007
