Влияние вязкости и дисперсности несовместимых полимеров на волокнообразование в их смесях
В настоящее время широкое применение получают методы формования полимерных материалов с заданной структурой на основе смесей несовместимых полимеров. Так, кристаллизующиеся полимеры при содержании в смеси с аморфными 20—40% образуют в расплаве (при его про-давливании через капилляры или узкие щели) ультратонкие волокна диаметром от нескольких микрометров до десятков микрометров [1—4]. Эти волокна, фиксируемые при охлаждении смеси ниже температур кристаллизации и стеклования компонентов, могут играть роль армирующей добавки или могут быть использованы в качестве фильтровальных материалов после удаления полимера-матрицы.
Образование тончайших волокон в условиях деформирования смесей полимеров определяется рядом факторов: природой компонентов, составом смеси, степенью дисперсности волокнообразующего компонента, свойствами поверхности раздела (в частности, поверхностным натяжением на границе раздела фаз и наличием на ней поверхностно-активных соединений). Из реологических характеристик решающее значение имеют две: соотношение вязкостей обеих фаз и напряжение сдвига, при котором образуются волокна. Что касается соотношения вязкостей, то, согласно лит. данным [5—8], оптимальным условием волокнообразования кристаллизующегося компонента является равенство вязкостей обоих компонентов.
В настоящей работе впервые приведены данные об условиях волокнообразования в смесях несовместимых полимеров при изменении вязкостей ПЭ и ПС в широких пределах, а также при изменении дисперсности смеси. Смеси различных составов исследовали при напряжениях сдвига х от —10 до —2-105 Па. При этом верхний предел напряжений определялся эффектом эластической турбулентности, обусловливающей потерю устойчивости струи в каналах.
Реологические свойства исследованных полимеров и их смесей.
На рис. 1, а приведена зависимость вязкости ПЭ и ПС от напряжения сдвига. Видно, что все образцы, за исключением ПС-3, проявляют ярко выраженное неньютоновское течение. При изменении молекулярной массы ПС и ПЭ вязкость может изменяться на два-три десятичных порядка. В отличие от вязкости величины модуля высокоэластичности изученных полимеров практически одинаковые и возрастают с увеличением напряжения сдвига (рис. 1, б).
Из рис. 2 видно, что все смеси проявляют неньютоновское течение, которое усиливается с увеличением молекулярной массы ПЭ, добавленного к ПС. В этом же направлении возрастает и вязкость смесей. Обращает на себя внимание слабое влияние способа приготовления смеси на ее вязкость (смеси ПЭ-2 — ПС-1). Для большинства изученных смесей при больших значениях т, отмеченных у оси абсцисс стрелкой, наблюдаются искажения формы и поверхности экструдата, возрастающие с увеличением напряжения сдвига и обусловленные переходом смеси к неустойчивому, турбулентному течению. Величины этих напряжений лежат в области ~105 Па, как это отмечается и для других полимерных систем [13].
На рис. 3 приведены результаты такого обобщения для изученных смесей. В тех случаях, когда ньютоновское течение смесей не было достигнуто, величины rjo определяли по данным рис. 2 методом экстраполяции зависимости lg ц—х на т=0. Из рис. 3 видно, что при использовании одного ПС и разных типов ПЭ достигается инвариантное описание полученных данных. При переходе к смесям на основе ПС-2 и ПС-3 получаются более пологие кривые, что обусловлено, по-видимому, более узким ММР этих образцов ПС по сравнению с ПС-1. Все это свидетельствует о возможности инвариантного описания течения полимерных двухфазных смесей исходя из представления о некотором характерном времени релаксации системы, лежащем в основе рассматриваемого метода [14].
Рис. 1. Зависимость вязкости (а) и модуля высокоэластичности (б) исследованных полимеров от напряжения сдвига: 1-ПЭЛ, 2-U3-2, 3-Пд-З, 4-ПС-1, 5-ПС-2, 6 - ПС-3
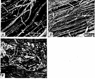
Морфология экструдатов смесей. Исследование морфологии экструдатов показало, что при малых напряжениях сдвига ПЭ присутствует в матрице ПС в виде отдельных частиц. Повышение т приводит к появлению в смеси волокон ПЭ, имеющих ограниченную длину и переменное поперечное сечение по длине волокна. Из рис. 4, а, на котором приведена микрофотография, полученная после отмывки ПС из экструдата смеси ПЭ-3 — ПС-1, видно, что наряду с волокнами ПЭ имеются и отдельные частицы ПЭ. Показано, что для каждой изученной смеси (за исключением ПЭ-2 — ПС-3) существует свой сравнительно узкий интервал напряжений сдвига, охватывающий 0,1—0,2 десятичного порядка и характеризуемый средней «критической» величиной Тср, превышение которой приводит к образованию в экструдате волокон ПЭ практически неограниченной длины. В этом случае исследование отмытых от ПС отрезков экструдатов длиной (2—3) •10-3 м, содержащих тысячи волокон, не позволило обнаружить их концы. Важно подчеркнуть, что эти волокна имеют постоянное поперечное сечение по всей длине.
Рис. 2. Зависимость вязкости смесей ПЭ и ПС от напряжения сдвига: 1 - ПЭ-1 - ПС-1 (А); 2- ПЭ-2 - ПС-1 (А); З-ПЭ-З-ПС-1 (А); 4 -ПЭ-2 -ПС-1 (Б); 5-ПЭ-З-ПС-2 (Б); 6-ПЭ-2-ПС-2 (Б); 7-ПЭ-2-ПС-3 (Б); S-ПЭ-З-ПС-З (Б); 9-ПЭ-2-ПС-1 (В) и 10-ПЭ-2-ПС-1 (Г)
Рис. 3. Зависимость lgOl/Ло)—lg(Yno) изученных смесей: J —ПЭ-1 — ПС-1 (А); 2-ПЭ-2-ПС-1 (А); З-ПЭ-З-ПС-1 (А); 4-ПЭ-3-ПС-2 (Б); 5-ПЭ-2-ПС-2 (Б); 6-ПЭ-2-ПС-3 (Б); 7-ПЭ-З-ПС-З (Б)
Это следует из рис. 4, б для отмытого от ПС экструдата смеси ПЭ-3 — ПС-3. Для большинства смесей ПЭ и ПС установлено существование предельного напряжения сдвига Тпр, увеличение которого нарушает волокнообразование в смесях из-за перехода к неустойчивому, турбулентному течению. Это видно на микрофотографии продольного среза с экструдата ПЭ-3 — ПС-1, полученной в поляризованном свете (рис. 4, в), где светлые области соответствуют фазе ПЭ. Величина Тпр несколько меняется для разных смесей и лежит в интервале lg Тпр= (5,0±0,15) Па, что близко к напряжениям, при которых проявляется искажение поверхности и формы экструдатов. Рассматриваемая картина наблюдается и при меньших содержаниях ПЭ в смеси. Так, нам удалось обнаружить образование непрерывных волокон ПЭ при его содержании в смеси 10% (смесь ПЭ-3 - ПС-1) и 1 % (смесь ПЭ-2 - ПС-1).
Хотя образование волокон ПЭ связано с деформацией и коалесценцией его частиц в смеси с ПС при продавливании расплава смеси через капилляр, величина вязкости ПЭ не играет решающей роли в процессе формирования волокон. Действительно, ПЭ-2 не образует волокон в смеси с маловязким ПС-3 практически при любых напряжениях сдвига, но образует волокна в достаточно широком интервале т в смеси с высоковязким ПС-1
Рис. 4. Микрофотографии волокон ПЭ-3, полученных в смеси с ПС-1, при Т=1,0-•103 Па (а), а также в смеси с ПС-3 при т=6,8-104 Па (б); в - продольный срез, с экструдата смеси ПЭ-3 - ПС-1 при т=1,0105 Па
