Исследование и разработка технологических основ получения материалов на основе системы Ca-I-Cu-O по методу электрохимического внедрения
С целью получения дополнительных данных о механизме формирования оксидного слоя состава Са-У-С-0 были сняты циклические катодно-анодные потенциодинамические кривые в растворе Ca(CgHgSOg) Д области потенциалов от -1,4 до +0,8 В. Показано, что расширение области циклирования до +0,75 .+0,808.
способствует накоплению Са на электрод; внедрение Са происходит как в медную основу, так и в поверхностный оксидный слой. После выдержки в атмосфере "активного" кислорода, особенно если ей предшествовала термообработка, происходит снижение тока на электроде вследствие уменьшения количества поверхностных дефектов, участвующих в реакции. Характер электрохимической обработки оказывает сильное влияние на содержание в поверхностном слое меди кислорода и кальция и на формирование микроструктуры.
В главе шестой рассмотрено влияние условий поляризации на фазовые превращения в системе Са-У-Си-0 и возможность формирования структуры подобной ВТСП. При времени оксидирования 5 мин в растворе УаОН образуется ячеистая структура.
|
|
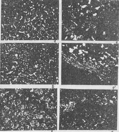
Последующая катодная поляризация в растворе УС в ДШ при -1,8 В сопровождается образованием кристаллов новой фазы. Увеличение времени внедрения иттрия приводит ЭЖ еще большему насыщению поверхности оксидного слоя иттрием. Последующее катодное внедрение Са из раствора Са(С104)2 в ДШ при Екп= -2,6 В в течение 2,6,12 ч.) сопровождается коалесценцией и коагуляцией кристаллов и образованием монолитного слоя. Последующая выдержка Си-0 с внедренным У и Са в растворе УаОН в токе "активного" кислорода приводит к росту ячеистой структуры и увеличению количества дефектов на поверхности (рис.11). Осадок зарастает мелкодисперсной фазой. Аналогичный эффект оказывает и термообработка образцов (950 °С, 30 мин.) перед выдержкой в токе 0g(рис. 12).Увеличение длительности термообработки приводит к растрескиванию слоя и образованию густой сетки мелких пор. По границам трещин просматривается отслаивание оксидной пленки. Сопоставление микроструктурных исследований с результатами рентгеноструктурного анализа (рис.13) показало, что в исследуемой системе возможно формирование структур подобных ВТСП.
Глава седьмая посвящена рассмотрению технологических рекомендации по разработке нового электрохимического процесса получения сложных оксидов купратной системы Са-У-Си-0 со структурой, подобной ВТСП, на основе обобщений результатов эксперимента: анодное оксидирование (УаОН 150 г/л, i-= 1 А/дм2,80-90°С, 30 мин.) ; катодная обработка по методу внедрения последовательно в насыщенном растворе УС1д или УРО^Е^ -1,8 В; i =12 ч.) и в растворе Са (С4)2 1 моль/л в ДМФ (Е= -2,6 В; tg =12 ч.) ; термообработка при 950 °С 2 часа; обработка в токе "активного" кислорода (1 ч.) .
Подготовка поверхности перед 'формированием оксидного слоя Са-У-Си-0 на медной основе или чужеродных подложках для обеспечения хорошей сцепляемости осадка и обеспечения функциональных свойств предполагает механическое и электрохимическое полирование, систему промывок и сушку образцов при 100 °С с последующим охлаждением вместе с печью в течение 6 час. Перед обработкой кислородом отожженные при 950°С образцы должны остывать вместе с печью в течение 12 час.
В ы в о д ы
1. Впервые исследовано электрохимическое поведение меди в апротонных органических растворах солей иттрия и кальция.
В широком интервале потенциалов (-1,8 .-3,2 Ъ), температур (-70 .+70°С}и длительности катодной поляризации (до 24 час.) . Установлено, что процессу катодного внедрения кальция и иттрия в медный электрод предшествует стадия разряда-ионизации с образованием ионов промежуточной валентности. Диффузия внедрившихся атомов в глубь Си электрода подчиняется уравнению, что обусловлено влиянием замедленной кристаллизационно-химической стадии. Найдено, что на начальном этапе поляризации происходит разработка поверхности электрода и увеличение концентрации поверхностных дефектов. Показано, что при замене ДШ на ПК плотность тока на электроде снижается примерно в 10 раз. Этот эффект связан с увеличением вязкости и плотности ПК и более низкой его электропроводностью. Энергия активации процесса внедрения кальция в медь при температурах выше О °С составляет 59,4 кДж/моль и уменьшается до 24,8 кДж/моль в области отрицательных температур.
2.На оксидированном медном электроде плотность тока катодного внедрения i п кальция снижается в несколько раз. Зависимость i jq-j от длительности предварительного оксидирования носит периодический автоколебательный характер. Амплитуда колебаний тока возрастает, а их частота уменьшается по мере установления в системе стационарного состояния.
3.Высказано предположение, что накопление иттрия в электроде сопровождается изменением стехиометрического состава формирующейся фазы и, как следствие, снижением кинетического коэффициента &0./ь4/тот 0,90 до 0,095 Кл/см2*с.
4.Показано, что зависимость величины f от 1/Т отклоняется от линейного, что может быть связано с сильным разупорядочивающим действием изменения температуры на поведение ионов в структуре растворителя и внедрившихся атомов У в металле электрода.
Установлено, что катодное внедрения иттрия в оксидированную медь протекает по механизму периодических окислительно-восстановительных реакций в твердой фазе.
5.Исследовано катодное внедрение иттрия в оксидированные пленки меди на подложках из стали, алюминия и магния. Установлено, что плотность тока катодного внедрения иттрия наиболее высока в случае оксидированных Си(Ре)электродов и снижается в ряду Си (Ре) >окс Си(А1) > окс Си(м) . Последующее модифицирование слоев У-Си-0 фазы кальцием характеризуется на порядок более высокой плотностью тока для электродов на М0- подложке и практически не изменяется на подложках из А1 и стали. Характер зависимости YSL~ 1//Т позволяет говорить, что периодические окислительно-восстановительные реакции в (формируемых фазах У-Си-0 и Са-У-Си-0 сопровождаются структурными преобразованиями, очень чувствительными к материалу подложки
7.Показано, что расширение области циклирования до +0,75 В способствует накоплению кальция на электроде; внедрения кальция происходит как непосредственно в медную основу, так и в поверхностный оксидный слой; снижение тока на электроде после выдержки в атмосфере активного кислорода, особенно если ей предшествовала термообработка, связано с уменьшением количества поверхностных дефектов, участвующих в реакции; характер электрохимической обработки оказывает сильное влияние на содержание в поверхностном слое кислорода и кальция и на формирование микроструктуры.
