Проект ректификационной установки непрерывного действия для разделения смеси метиловый - этиловый спирт
Содержание
Реферат
Введение
1. Расчет колонны
1.1 Материальный баланс
1.2 Расчет диаметра колонны
1.3 Определим высоту колонны
2. Гидравлический расчет колонны
3. Тепловой расчет ректификационной колонны
3.1 Расчет тепловой изоляции колонны
4. Расчет вспомогательного оборудования
4.1 Расчет кипятильника
4.2 Расчет дефлегматора
4.3 Расчет холодильника для дистиллята
4.4 Расчет холодильника для кубового остатка
4.5 Расчет подогревателя
Заключение
Список использованной литературы
Приложения
метиловый этиловый спирт ректификационная колона
Реферат
В курсовом проекте приведены результаты расчета ректификационной колоны непрерывного действия, предназначенной для разделения бинарной смеси метиловый спирт – этиловый спирт.
Курсовой проект содержит расчетно-пояснительную записку из 44 страниц текста, 4 таблиц, 2 рисунков, 5 литературных источников и графическую часть из 2 листов формата А1.
Введение
Ректификация - массообменный процесс, который осуществляется в большинстве случаев в противоточных колонных аппаратах с контактными элементами (насадки, тарелки), аналогичными используемыми в процессе абсорбции. Поэтому методы подхода к расчету и проектированию ректификационных и абсорбционных установок имеют много общего.
Большое разнообразие тарельчатых контактных устройств затрудняет выбор оптимальной конструкции тарелки. При этом наряду с общими требованиями (высокая интенсивность единицы объема аппарата, его стоимость и др.) ряд требований может определяться спецификой производства: большим интервалом устойчивой работы при изменении нагрузок по фазам, способностью тарелок работать в среде загрязненных жидкостей, возможностью защиты от коррозии. Зачастую эти качества становятся превалирующими, определяющими пригодность той или иной конструкции для использования в каждом конкретном процессе.
Целью расчета массообменного аппарата является определение конструктивных размеров, т.е. высоты и диаметра колонны, гидромеханических и экономических показателей ее работы.
При расчете процессов ректификации составы жидкостей обычно задаются в массовых долях или процентах, а для практического расчета удобнее пользоваться составами жидкостей и пара, выраженными в мольных долях или процентах.
Простая перегонка.
Фракционная перегонка. Перегонку проводят путем постепенного испарения жидкости, находящейся в перегонном кубе. Образующиеся пары отводятся и конденсируются. Процесс осуществляют периодическим или непрерывным способом.
Если простая перегонка проводится периодически, то в ходе отгонки НК содержание его в кубовой жидкости уменьшается. Вместе с тем, изменяется во времени и состав дистиллята, который обедняется НК по мере протекания процесса. В связи с этим отбирают несколько фракций дистиллята, имеющих различный состав. Простая перегонка, проводимая с получением конечного продукта разного состава, называется фракционной, или дробной, перегонкой.
Процессы ректификации осуществляются периодически или непрерывно при различных давлениях: при атмосферном давлении, под вакуумом (для разделения смесей высококипящих веществ), а также под давлением больше атмосферного (для разделения смесей, являющихся газообразными при нормальных температурах).
Непрерывно действующие установки. Ректификационная колонна имеет цилиндрический корпус, внутри которого установлены контактные устройства в виде тарелок или насадки. Снизу вверх по колонне движутся пары, поступающие в нижнюю часть аппарата из кипятильника, который находится вне колонны, т. е. является выносным, либо размещается непосредственно под колонной. Следовательно, с помощью кипятильника создается восходящий поток пара.
Влияние агрегатного состояния и температуры исходной смеси на работу колонны.
При выборе оптимальных условий работы ректификационной установки необходимо учитывать расход тепла и основные параметры (температуру и давление) теплоносителей — греющего пара и охлаждающей воды, а также требуемые размеры, как самой колонны, так и соединенных с ней теплообменных аппаратов (кипятильника, нагревателя исходной смеси, дефлегматора и холодильника паров). Все эти факторы взаимосвязаны и зависят, в частности, от температуры и агрегатного состояния подаваемой на разделение смеси.
Исходная смесь может поступать в колонну не только в жидком, но и в парообразном состоянии или в виде смеси жидкости и пара. При прочих равных условиях — заданны составах дистиллята уD и остатка xW, давлении Р в колонне и др. — подвод тепла в колонну минимален в случае подачи в нее жидкой исходной смеси, предварительно нагретой до температуры кипения tK на питающей тарелке.
Кипятильник, или куб предназначен для превращения в пар части жидкости, стекающей из колонны, и подвода пара в ее нижнюю часть (под насадку или нижнюю тарелку). Кипятильники имеют поверхность нагрева в виде змеевика или представляют собой кожухотрубчатый теплообменник, встроенный в нижнюю часть колонны. Более удобны для ремонта и замены выносные кипятильники, которые устанавливают ниже колонны с тем, чтобы обеспечить естественную циркуляцию жидкости.
В периодически действующих колоннах куб является не только испарителем, но и емкостью для исходной смеси. Поэтому объем куба должен быть в 1,3—1,6 раза больше его единовременной загрузки (на одну операцию). Обогрев кипятильников наиболее часто производится водяным насыщенным паром.
Дефлегматор, предназначенный для конденсации паров и подачи орошения (флегмы) в колонну, представляет собой кожухотрубчатый теплообменник, в межтрубном пространстве которого обычно конденсируются пары, а в трубах движется охлаждающий агент (вода). Однако вопрос о направлении конденсирующихся паров и охлаждающего агента внутрь или снаружи труб следует решать в каждом конкретном случае, учитывая желательность повышения коэффициента теплопередачи и удобство очистки поверхности теплообмена.
Расчет колпачковой тарельчатой ректификационной колонны непрерывного действия
Расчет ректификационной колоны сводится к определению ее основных параметров – диаметра и высоты. Оба параметра в значительной мере определяются гидродинамическим режимом работы колонны, который в свою очередь, зависит, от скорости и физических свойств фаз, а так же от типа и размеров насадок.
При выборе колпачков, клапанов, насадок для аппаратов руководствуются рядом соображений
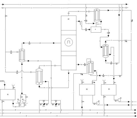
Принципиальная технологическая схема и ее описание
Рисунок 1 – Схема непрерывно действующей ректификационной установки.
Непрерывно действующие установки. Ректификационная колонна имеет цилиндрический корпус, внутри которого установлены контактные устройства в виде тарелок или насадки. Снизу вверх по колонне движутся пары, поступающие в нижнюю часть аппарата из кипятильника, который находится вне колонны, т. е. является выносным, либо размещается непосредственно под колонной. Следовательно, с помощью кипятильника создается восходящий поток пара.
