Химические методы очистки отходящих газов
2NH3 + 2NO + ½02 -+ 2N2 + ЗН2О;
2NH3 + N02 + ½02 + 3/2N2 + 3H20.
Реакция является основной, так как оксид азота N0 составляет обычно около 95 % в сумме оксидов азота. В соответствии с этими уравнениями с теоретической точки зрения достаточно стехиометрического количества аммиака относительно оксидов азота для перевода их в экономически чистые продукты — молекулярный азот (N2) и Н2О. При мольном отношении NH3 : NOx = = 1:1 восстанавливается 80—90 % оксидов азота, и в отходящем газе содержание аммиака не превышает 20 млн-1. Метод СКВ используется в широком масштабе для очистки газов городских и промышленных котельных, работающих на газе и нефти. В США и Канаде разновидность метода селективного каталитического восстановления широко используется для очистки хвостовых газов заводов по производству азотной кислоты и других химических производств. В настоящее время в США разрабатывается ряд процессов, призванных наглядно продемонстрировать эффективность метода СКВ для очистки топочных газов при использовании всех типов топлива — газ, уголь, нефть. Эффективность метода СКВ определяется параметрами:
1) система сжигания — вид топлива;
2) состав катализатора;
3) активность катализатора, его селективность и время дейтвия;
4) форма катализатора, конфигурация каталитического реактора;
5) отношение NH3 : NOX и концентрация NOx;
6) температура каталитического реактора;
7) скорость газового потока.
Метод СКВ предусматривает наличие катализатора, каталитического реактора, емкости для хранения аммиака и систему его подачи в газовый поток. Большое сопротивление каталитического реактора приводит к падению давления потока; для его компенсации предусматривается система вентиляторов.
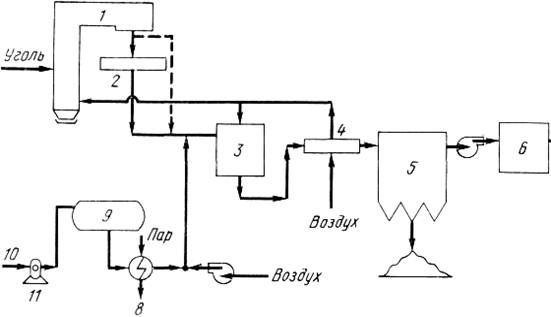
Наиболее эффективно каталитическое восстановление происходит в области 300—450 °С. Для обеспечения именно такой температуры газового потока каталитический реактор располагают между экономайзером котла и теплообменником для подогрева входящего воздуха. Общепринятая схема приведена на рис. 11. От конструкции реактора и типа катализатора зависит качество всего процесса восстановления, что требует детального обсуждения.
Большинство катализаторов формируется на основе диоксида титана (ТiO2) и пентоксида ванадия (V2O5). Диоксид титана — удобный носитель и не отравляется SO3. Пентоксид ванадия промотирует реакцию взаимодействия аммиака и оксидов азота и мало чувствителен к действию SO2. Композиция катализатора и соотношение составных частей защищены в большинстве случаев патентами.
Рис. 2. Схема процесса селективного каталитического восстановления:
1 — топка котла; 2 — экономайзер; 3 — реактор; 4 — теплообменник для нагрева воздуха; 5 — электрофильтр; 6 — блок обессеривания топочного
газа; 7 — дымовая труба; 8 — испаритель аммиака; 9 — емкость для
хранения аммиака; 10 — выгрузка аммиака с железной дороги или
автотранспорта; 11 — компрессор
Тип реактора и структура катализатора могут изменяться в широких пределах, однако основным фактором при конструировании является содержание мелкодисперсных частиц в топочном газе. Для котельных на газе катализатор используют в виде сферических шариков, колец или цилиндров, расположенных слоем на сетчатом поддоне. Для котельных, использующих в качестве топлива нефть или уголь, характерно большое содержание золы в потоке топочного газа. В этом случае предпочтительны системы с параллельным газовым потоком в каталитической зоне, В этих устройствах топочный дым проходит по открытым каналам, стенки которых параллельны поверхности катализатора. Мелкие частицы остаются в турбулентном потоке, в то время как оксиды азота вступают в каталитическую реакцию с поверхностью катализатора в результате турбулентности и диффузии.
Разновидностью данного типа являются устройства, в которых катализатор удерживается в стенках каналов с помощью специальных сеток или экранов.
Рис. 3. Конструкция сменных блоков реактора СКВ :
а — трубчатая конфигурация;
б — сотовая, с использованием гофрированных металлических пластин.
Катализатор может быть порошкообразным материалом различной дисперсности или закрепляться на поверхности металлических или керамических носителей. Для удобства изготавливают блоки объемом 1 м3 (рис. 3), которые послойно соединяют в реакторе (рис. 4).
|
Толочнь/й дь/н |
Несмотря на большую работу по совершенствованию реактора и типа катализаторов, некоторые вопросы требуют дальнейшей доработки. Не во всех случаях можно предотвратить отравление катализатора ядами, присутствующими в топочном газе, и предотвратить осаждение крупных частиц золы и сажи на каталитической поверхности. Мелкие частицы размером <1 мкм могут закрывать каталитические центры на поверхности носителя. Особенно важно продлить время работы катализатора и сохранность реактора без закупорки каналов при использовании в качестве топлива угля. Необходимо увеличить продолжительность работы катализатора с 1 до 2 лет при наличии в топочном дыме оксидов серы и сажи.
В методе СКВ эффективность восстановления определяется скоростью потока, мольным отношением аммиак : оксиды азота и температурой при мольном отношении, равном 1; обычно востанавливается более 90 % оксидов, содержащихся в исходном В случае большого отношения степень восстановления увеличивается при одновременном нежелательном увеличении в атмосферу аммиака.
Основной недостаток метода СКВ — образование и осажден на стенках технологического оборудования твердого сульфат аммония и расплава бисульфата аммония при выходе из каталитического реактора. Эти соединения — (NH4)2SO4 и NH4) SO4 образуются по реакции вводимого аммиака с SO3, который получается при сгорании высокосернистых топлив. Особенно трудно избежать осаждения солей в воздушном теплообменнике. Наиболее острой эта проблема является для технологических линий с использованием устройств электростатической очистки топочного газа перед его подачей в каталитический реактор и далее в воздушный теплообменник, когда в качестве топлива применяются нефть и уголь с высоким содержанием серы. Вероятно, частицы золы в турбулентном газовом потоке способствуют механической очистке стенок от солей или аммонийные соли конденсируются на мелкодисперсных частицах и в таком виде выносятся с потоком из теплообменника. Тем не менее в большинстве случаев необходимо предусматривать способы очистки от копоти горячих и холодных внутренних поверхностей оборудования и промывку теплообменника водой для растворения солей. Воду после промывки, как и сточные воды из блока десульфуризации газового потока (ДГП), необходимо очищать от аммиака перед сбросом, В настоящее время разработаны специальные конструкции теплообменников, не допускающие конденсации солей, однако они не введены в практику.
