Управление запасами на предприятии
Где М=V2 *Y/2, W=M*Ei
Pmax=P1+P3+P5+P7=74,334 Па
Таким образом, потери давления в вентиляционной сети составляют Р=74,334 Па.
ПОДБОР ВЕНТИЛЯТОРА
Требуемое давление, создаваемое вентилятором с учетом запаса на непредвиденное сопротивление в сети в размере 10% составит:
Pтр=1,1*P=81,7674 Па
В вентиляционной установке для данного помещения необходимо применить вентилятор низкого давления, т.к. Ртр меньше 1 кПа.
Выбираем осевой вентилятор (для сопротивлений сети до 200 Па) по аэродинамическим характеристикам т.е. зависимостям между полным давлением Ртр (Па), создаваемым вентилятором и производительностью Vтр (м/ч).
С учетом возможных дополнительных потерь или подсоса воздуха в воздуховоде необходимая производительность вентилятора увеличивается на 10%:
Vтр=1,1*G=2620 м/ч
По справочнику выбираем осевой вентилятор типа 06-300 N4 с КПД nв=0,65 первого исполнения. КПД ременной передачи вентилятора nрп=1,0.
4.2. Расчет зануления
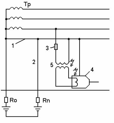
Степень воздействия электротока на организм человека зависит от его величины о протяженности воздействия. В случае если устройства питаются от напряжения 380/220 В или 220/127 В в электроустановках с заземленной нейтралью применяется защитное зануление. На рисунке 4.2 представлена принципиальная схема зануления.
Ro - сопротивление заземления нейтрали
Rh - расчетное сопротивление человека;
1 - магистраль зануления;
2 - повторное заземление магистрали;
3 - аппарат отключения;
4 - электроустановка (паяльник);
5 - трансформатор.
Рис. 4.2 Схема зануления
Зануление применяется в четырехпроводных сетях напряжением до 1 кВ с заземленной нейтралью. Зануление осуществляет защиту путем автоматического отключения поврежденного участка электроустановки от сети и снижение напряжения на корпусах зануленного электрооборудования до безопасного на время срабатывания защиты. Из всего выше сказанного делаем вывод, что основное назначение зануления - обеспечить срабатывание максимальной токовой защиты при замыкании на корпус. Для этого ток короткого замыкания должен значительно превышать установку защиты или номинальный ток плавких вставок.
Расчет сводится к проверке условия обеспечения отключающей способности зануления: Jкз>3Jнпл.вст>1,25Jнавт
Исходные данные: мощность питающего трансформатора 160 кВ*А; схема соединения обметок трансформатора – «звезда»; электродвигатель серии 4А; U = 380 В; тип – 4А160М2, N = 18,5 кВт.
Расчет Jкз производится по формуле: Jкз= Uф/(Zт/3+Zп)
где Uф – фазное напряжение, В; Zт – сопротивление трансформатора, Ом; Zп – сопротивление петли «фаза-нуль», которое определяется по зависимости
Zп = √(Rф + Rн)2 + (Xф + Xо + Xи)2
Где Rн; Rф – активное сопротивление нулевого и фазного проводников, Ом; Xф; Xо – внутренние индуктивные сопротивления фазного и нулевого проводников соответственно, Ом; Хи – внешнее индуктивное сопротивление петли «фаза-нуль», Ом.
Значение Zт зависит от мощности трансформатора, напряжения, схемы соединения его обмоток и конструктивного исполнения трансформатора. При расчетах зануления Zт берется из таблицы.
Расчетные полные сопротивления
масляных трансформаторов
| Мощность трансформатора кВ*А | Номинальное напряжение обмоток высшего напряжения, кВ |
|
|
| 40 | 6…10 | 1,949 | 0,562 |
| 63 | 6…10 | 1,237 | 0,360 |
| 100 | 6…10 | 0,799 | 0,226 |
| 160 | 6…10 | 0,487 | 0,141 |
| 250 | 6…10 | 0,312 | 0,090 |
| 400 | 6…10 | 0,195 | 0,056 |
| 630 | 6…10 | 0,129 | 0,042 |
| 1000 | 6…10 | 0,081 | 0,027 |
| 1600 | 6…10 | 0,034 | 0,017 |
В данном случае Zт = 0,487 Ом.
1. Зная мощность Р электродвигателя рассчитываем номинальный ток электродвигателя Jнэл.дв.
Р = √3 * Uн* Jнэл.дв cos α /1000 [кВт]
Jнэл.дв = 1000*Р/√3 * Uн cos α [А]
где Р – номинальная мощность двигателя, кВт; Uн – номинальное напряжение, В; cos α = 0,92 – коэффициент мощности, показывающий, какая часть тока используется на получение активной мощности и какая на намагничивание;
Jнэл.дв = 1000*18,5/√3 *380*0,92 = 30,6А
2. Для расчета активных сопротивлений Rн и Rф необходимо предварительно выбрать сечение, длину и материал нулевого и фазного проводников. Сопротивление проводников из цветных металлов определяется по формуле:
