Расчёт балочной клетки усложнённого типаРефераты >> Строительство >> Расчёт балочной клетки усложнённого типа
Проверка прогиба
Относительный прогиб:
<
Проверка общей устойчивости балки
Сжатый пояс в направлении из плоскости изгиба балки закрепляется балками настила, расстояние между которыми равно lef= l = 0,857 м
Наибольшее значение отношения lef к ширине сжатого пояса bf, при котором требуется проверка общей устойчивости, определяется по формуле:
– расчёт на общую устойчивость балки не требуется.
5. Расчёт составной сварной главной балки
Расчёт нагрузок
Нормативная от временной нагрузки, веса настила, веса балки настила, веса вспомогательной балки:
– вес вспомогательной балки,
Lб – пролёт вспомогательной балки.
Нормативная от веса главной балки:
Lб2 – пролёт главной балки.
Расчётная от временной нагрузки, веса настила и веса балки настила, веса вспомогательной балки:
Расчётная от веса главной балки:
Подбор сечения главной балки
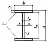
Сечение составной сварной балки состоит из трех листов: вертикального – стенки (1) и двух горизонтальных – полок (2).
Расчетный изгибающий момент:
Для принятой толщины листов полок tf = 20 мм расчетное сопротивление стали С375 равно Ry =345 МПа. Коэффициент условия работы ус =1. В первом приближении c1 = 1,1.
Требуемый момент сопротивления:
Высоту сечения балки h предварительно определим по соотношению между honmW, honmf и hmin где honmW - оптимальная высота сечения из условия прочности; honmf - оптимальная высота сечения из условия жесткости; hmin -оптимальная высота сечения из условия минимальной жесткости, при обеспечении прочности.
1) оптимальная высота балки из условия прочности:
где
– отношение высоты балки к толщине стенки в пределах kw=125÷140. Принимаем kw=130
2) оптимальная высота балки из условия жёсткости:
где
,
Предельный прогиб для балки пролётом Lб2=12м по СНиП 2.01.07-85* составляет:
Средняя величина коэф. надёжности по нагрузке составляет:
3) Высота балки из условия минимальной жёсткости при обеспечении прочности:
Выбор высоты балки
Т.к. honmW < hmin < honmf , принимаем h= honmW = 75,55 cм
Высота главной балки должна соответствовать наибольшей строительной высоте перекрытия согласно заданию:
h=hc max – tн – bуголка – hшвел.
где tн - толщина настила.
Наибольшая строительная высота перекрытия определяется разностью отметок верха настила и габарита помещения под перекрытием:
hc max =8,4 – 6,6 = 1,8 м
h=1,8 – 0,006 – 0,09 – 0,11 = 1,594 м > hmin оставляем выбранную высоту h=878мм.
Принимаем по ГОСТ 82-70 толстолистовую сталь шириной 800 мм. С учётом обрезки кромок с двух сторон по 5 мм hw= 800 – 10 = 790 мм
По коэф. kw= 130 определяем толщину стенки:
Принимаем tw = 7 мм. Толщину полок назначим равной tf = 11 мм
Полная высота балки:
h= hw +2 tf = 790 + 2∙11 = 812 мм
Момент инерции стенки:
Требуемый момент инерции полок:
где Jтр max определим по двум значениям из условий:
а) прочности Jтр max = 0,5Wтр h = 0,5∙2211,13∙10-6∙0,812 = 89771,9 см4
б) жесткости Jтр max = 106790,5 см4
Jтр =89771,9 – 41123,2 = 48648,7 см4
Требуемая площадь сечения полки:
Толщину полки определяем из условия обеспечения её местной устойчивости:
В расчёте было принято 1,1 см, что больше tf = 0,8 см
Ширину полки назначаем из условия
, т.е.
Принимаем среднее значение bf = 220 мм, что соответствует ширине листа универсальной стали по сортаменту ГОСТ 82-70.
Уточняем вес главной балки
Уточним собственный вес балки по принятым размерам:
Площадь поперечного сечения: A = 2Af + Aw =2∙1,1∙22 + 0,7∙79 = 103,7 см2
Нормативный вес погонного метра балки:
= γs A ψ = 77∙0,01037∙1,03 = 0,82 кН/м
где γs = 77 кН/м3 – удельный вес стали;
ψ = 1,03 – конструктивный коэффициент, учитывающий вес рёбер жёсткости и сварных швов.
Расчётный вес погонного метра балки:
=
∙γfm = 0,82∙1,05 = 0,861 кН/м
Уточняем усилия.
Изгибающие усилия от нормативных и расчётных нагрузок:
