Интраскопия (Лазерные методы диагностики и термографии)
Радиометрический подход весьма перспективен. Он предполагает использование самой современной техники и может найти применение для проведения массового профилактического обследования, получения количественной информации о патологических процессах в исследуемых участках, а также для оценки эффективности—термографии.
ТЕПЛОВИЗИОННАЯ ТЕХНИКА И ПЕРСПЕКТИВЫ ЕЕ СОВЕРШЕНСТВОВАНИЯ
Успехи медицинской науки во многом зависят от качества используемой медицинской аппаратуры. Тепловизоры, применяемые сейчас в тепловизионной диагностике, представляют собой сканирующие устройства, состоящие из систем зеркал, фокусирующих инфракрасное излучение от поверхности тела на чувствительный приемник. Такой приемник требует охлаждения, которое обеспечивает высокую чувствительность. В приборе тепловое излучение последовательно преобразуется в электрический сигнал, усиливающийся и регистрирующийся как полутоновое изображение.
В настоящее время применяются тепловизоры с оптико-механическим сканированием, в которых за счет пространственной развертки изображения осуществляется последовательное преобразование инфракрасного излучения в видимое.
В термовизионной аппаратуре видимое изображение высвечивается на экране ЭЛТ поэлементно, т.е. кадр изображения формируется, как в телевидении, путем перемещения луча по горизонтали и вертикали. Получение поэлементной развертки обеспечивает оптико-механическое сканирование. В результате на выходе преобразователя формируется видеосигнал, подобный телевизионному. Поскольку спектральный состав части излучения, которая вызывает сигнал на выходе преобразователя, определяется областью пропускания оптической
системы и спектральной характеристикой преобразователя, термовизионная аппаратура имеет более широкую область спектральной чувствительности, чем та, которая построена на базе электронно-оптического преобразователя.
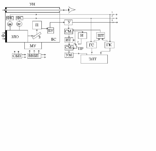
Упрощенная функциональная схема термовизора приведена на рисунке
|
Основное усиление сигнала осуществляется линейным усилителем У, выходные сигналы с которого поступают на сумматор СМ1. На другой вход сумматора подается серия пилообразных импульсов от блока формирования шкалы температур ШТ. Помимо этого для получения сложных синтезированных изображений на сумматор могут подаваться сигналы и с других устройств и блоков. Таким образом СМ1 формирует видеосигнал, обеспечивающий получение основного изображения с яркостной отметкой, где наибольшая плотность потока излучения соответствует наиболее яркому свечению экрана ЭЛТ (позитивное изображение). Результирующий сигнал, заполняющий все время кадра, с выхода СМ1 поступает на блок формирования изотерм ИТ и на сумматор СМ2 (в положении 1 переключателя ПР).
При анализе негативного изображения сигнал с выхода СМ1 передается к СМ2 через инвертор И (положение 2 переключателя ПР), который изменяет знак выходного сигнала сумматора СМ1 на противоположный.
Термовизоры в простейшем варианте имеют два крупных конструктивных блока: блок сканирования БС, где размещены элементы оптической системы, устройства сканирования, преобразователь, балансно—усилительный блок, устройства для создания запускающих импульсов развертки, и электронно-осциллографический блок, содержащий основную массу электронных устройств, блоки питания и ЭЛТ. Электронно-осциллографический блок в последнее время часто совмещается с микропроцессорной системой или с мини-ЭВМ. Блок сканирования размещается на механизме установки МУ в виде стойки или треноги с устройствами для поворота и наклона, чтобы направить его на контролируемый объект, и часто делается переносным.
Изображение, получаемое термовизором, может быть зафиксировано и обработано с помощью средств вычислительной техники, например, как это показано на рис. 4
От термовизора к блоку управления БУ подводится видеосигнал изображения и импульсы синхронизации (точки 1, 2 и 3 на рис. 3 и рис 4). БУ организует работу всей системы обработки информации, задаваемую оператором с пульта управления ПУ. Видеосигнал термовизора преобразуется аналого-цифровым преобразователем АЦП в цифровую форму с помощью интерфейса ИНТ, связывающего АЦП с общей шиной ОШ, после чего цифровые сигналы поступают в измерительный магнитофон МГ и в память ЭВМ. Обработку информации может производить микропроцессор МКП или мини-ЭВМ, которые используют при этом постоянное запоминающее устройство ПЗУ. Сформированные изображения и другая полученная информация отображаются на видеоконтрольных устройствах ВКУ1 и ВКУ2.
Общим недостатком существующих тепловизоров является необходимость их охлаждения до температуры жидкого азота, что обусловливает их ограниченное применение. В 1982 году ученые предложили новый тип инфракрасного радиометра. В его основе - пленочный термоэлемент, работающий при комнатной температуре и обладающий постоянной чувствительностью в широком диапазоне длин волн. Недостатком термоэлемента является низкая чувствительность и большая инерционность. С целью увеличения выходного сигнала и повышения чувствительности в радиометре используется термобатарея, состоящая из 70-80 соединенных последовательно и сжатых в плотный пакет термоэлементов. При этом резко уменьшаются потери за счет излучения и конвекции воздуха, что в конечном счете приводит к повышению чувствительности примерно на порядок. После оптимизации высоты батареи, которой прямо пропорциональна чувствительность прибора, точность измерения температуры достигла примерно 0.1 С. В настоящее время радиометр проходит клинические испытания.
Особенного внимания заслуживают тепловизионные приборы, работающие в миллиметровых диапазонах длин волн. Сконструировано и испытано два новых типа тепловизоров, чувствительных к миллиметровым электромагнитным волнам. Эти аппараты улавливают волны на три порядка длиннее, чем инфракрасные. Такие волны проникают на большую глубину по сравнению с теми, которые улавливает обычный инфракрасный тепловизор. Приборы могут различать колебания температуры до доли градуса в тканях, расположенных на несколько миллиметров внутрь от поверхности кожи. Обычный же тепловизор регистрирует излучение только с поверхности тела.

снижает влияние электромагнитных помех.