Блюда из круп
Из тарелок используют подстановочную тарелку, тарелку для хлеба (пирожковую), тарелку под первое блюдо и тарелки под вторые блюда, (количество их зависит от количества перечня блюд), количество бокалов соответствует количеству блюд. Обычно ставят бокал для воды, бокал для белого вина, бокал для красного вина, и рюмку для крепких напитков.
В особых случаях ставят фужер для шампанского. Если подают на стол несколько блюд, то стол сервируют так:
Сначала ставят подстановочную тарелку, затем тарелку под первое блюдо, справа ножи и ложки, в том порядке, как будут их использовать, начиная с дальнего края от тарелки.
Слева так же кладут вилки, десертные столовые приборы кладут сверху над тарелкой.
Справа сверху под столовыми приборами под углом в 45о ставим бокалы.
Слева сверху тарелка для хлеба.
Накройте стол белой, хорошо выглаженной скатертью. Под нее рекомендуется подложить фланель или какую-нибудь другую тяжелую мягкую ткань: скатерть ляжет ровнее, стук тарелок и приборов смягчится. В зависимости от числа сидящих за столом поставьте две-три тарелки с тонкими ломтиками черного и белого хлеба. Закуски расположите в разных местах стола. Количество судков с перцем, уксусом, соусами зависит от числа обедающих. Судки с приправами лучше всего располагать ближе к средней линии стола. Рекомендуется сервировать стол посудой однообразного фасона и расцветки. Для каждого члена семьи и гостя поставьте мелкую столовую тарелку, на нее — закусочную, а с левой стороны от нее — пирожковую.
Справа от каждой мелкой тарелки положите ложку и нож (отточенной стороной лезвия в сторону тарелки), слева — вилку. Ложки и вилки должны лежать вогнутой стороной кверху. Хорошо поставить у каждого прибора отдельную маленькую солонку или одну солонку на два прибора. Салфетки, сложенные треугольником или колпачком, положите на закусочную тарелку. У каждого прибора поставьте фужер для минеральной воды, фруктового или томатного сока.
У обеденного стола около места хозяйки можно поставить столик, на котором поместить миску с супом, чистые тарелки. Если за столом сидят пять-шесть человек, хозяйка может свободно передать гостю тарелку с жарким, рыбой. При большом числе обедающих удобнее блюда разносить. Нужно только иметь в виду следующее правило: когда вы разносите кушанья, уже разложенные на тарелки, подавайте их гостю с правой стороны; если кушанье подается на блюде и человек должен сам положить его на тарелку, подходите слева.
Перед подачей сладкого надо убрать со стола ненужную посуду и судки с приправами, смести крошки. Самовар или чайник с кипятком поставьте на маленький столик, вплотную придвинутый к краю стола, у которого сидит хозяйка, разливающая чай. У этого же края расположите чайную посуду. В центре стола поставьте вазы с вареньем и конфетами, около ваз — сухарницы с печеньем. Графины с фруктовыми и ягодными соками разместите равномерно по всему столу.
Не забывайте, что бульон и суп-пюре едят бульонной или десертной ложкой, левой рукой придерживая ручку чашки. Пирожок не разламывают и не нарезают, а откусывают от целого. Чашку бульона можно поднести ко рту и допить остатки бульона. Если подали бульон с курицей, то вначале едят бульон, а затем с помощью вилки и ножа кусочки курицы.
Суп едят черпая ложкой от себя, чтобы не испачкать костюм. Клецки, лапшу, картофель можно размельчать краем ложки. Не старайтесь зачерпнуть последнюю ложку супа, ее оставляют в тарелке.
Мясные блюда (жаркое, шницель натуральный, котлеты отбивные, бифштекс натуральный, ромштекс, лангет и др.) едят с помощью ножа и вилки. Когда съедят один кусок, отрезают следующий. Не следует нарезать сразу всю порцию, потому что еда быстро остынет. Мясо, приготовленное кусочками (бефстроганов, поджарку), едят вилкой.
Рубленые котлеты, тефтели, зразы, рулет мясной резать ножом не принято.
Горячие рыбные блюда едят с помощью специального рыбного прибора (вилки и ножа). Вилкой отделяют мякоть рыбы от кости, придерживая ножом. Рыбу ножом не режут. Рыбу можно есть и с помощью двух вилок: вилкой в правой руке отделяют мякоть от костей, вилкой в левой руке кладут кусочки рыбы в рот. Если есть одна вилка, ее берут в правую руку для отделения мякоти рыбы от костей, а в левую — кусочек хлеба для придерживания рыбы. Рекомендуется пользоваться специальным рыбным ножом, поскольку обеденный столовый нож перерезает мягкие косточки рыбы, и они могут попасть в рот вместе с мякотью. Иногда на стол с левой стороны ставят небольшую тарелочку для костей.
Техника безопасности.
Во избежание несчастных случаев работники кухни должны изучить правила эксплуатации оборудования и получить практический инструктаж у заведующего производством. В местах расположения оборудования необходимо вывесить правила его эксплуатации. Пол в цехах должен быть ровным, без выступов, не скользкий.
При работе в цехах необходимо соблюдать следующие правила:
-на полу рядом с производственными столами необходимо устанавливать подножные решетки;
-ножи должны иметь хорошо закрепленные ручки и храниться в определенном месте;
-производственные ванны и столы должны иметь закругленные углы.
Во время работы необходимо своевременно удалять и перерабатывать отходы, следить за санитарным состоянием цеха и каждого рабочего.
При работе в горячем цехе работники должны обязательно изучить правила эксплуатации механического и теплового оборудования и получить практический инструктаж у заведующего производством. В местах расположения оборудования необходимо вывесить правила эксплуатации.
Пол в цехе должен быть ровным, без выступов, не скользким.
Температура в цехе не должна превышать 26 град.С.
Разбор, чистку, смазку любого оборудования можно производить лишь при полной остановке машин и отключении их от источников электроэнергии, пара и газа.
Электрооборудование должно быть заземлено.
При работе с оборудованием кухни необходимо знать и строго соблюдать правила эксплуатации данного оборудования.
Перед началом работы проверяют исправность машины. Рубильники и предохранители должны быть закрытого типа. Включать и выключать машины при помощи кнопок ПУСК и СТОП.
Все движущиеся части машин должны быть ограждены, а корпус заземлен. Если обнаруживается неисправность, то сообщают руководителю и машину не эксплуатируют.
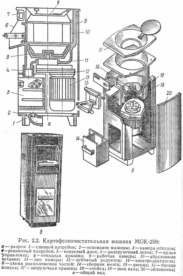
Рассмотрим, в качестве примера, работу на картофелеочистительной машине МОК-250 (рис.1).
Прежде чем приступить к работе на машине, необходимо получить инструктаж, проверить её исправность, убедится в наличии всех защитных ограждений, отсутствии видимых повреждений. Подготовить необходимое сырье для работы, посуду для загрузки сырья.
Строго в соответствии с инструкцией пользования произвести загрузку, очистку и выгрузку сырья. Обесточить агрегат. Произвести тщательную очистку бункеров (камер), промыть чистой водой, оставить открытыми до полного высыхания. Затем собрать все принадлежности, закрыть емкости.
