Структурная схема ЭВМРефераты >> Программирование и компьютеры >> Структурная схема ЭВМ
Прерывающая программа начинается с команды RESTART (RST), по которой из стека передается номер команды возврата и результат выполнения последней команды перед прерыванием. Перед командой RET должна быть команда снятия запрета на прерывание - EI, иначе триггер будет в нуле и одна и та же прерывающая программа будет выполняться бесконечно.
34. СПЕЦИАЛИЗИРОВАННЫЕ УСТРОЙСТВА
ИНТЕРФЕЙСА. АЦП
|
|
К специализированным устройствам интерфейса относятся АЦП, ЦАП, преобразователи кодов. Специализированные устройства преобразуют информацию к виду, удобному для восприятия данной машины (это делают АЦП и преобразователи кодов). ЦАП преобразует
информацию к виду, удобному для восприятия периферийным устройством. Преобразование аналоговой информации в цифровую основано на теореме Котельникова: любой аналоговый сигнал может быть записан в дискретной форме и информация не будет потеряна, если шаг квантования t будет выбран из условия:
, где F max - максимальная частота спектра передаваемого сигнала.
|
|
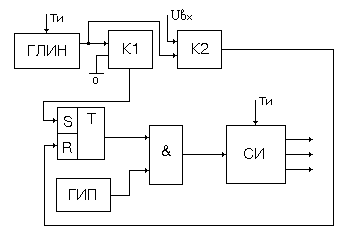
В данной схеме происходит промежуточное преоб-разование напряжения Uвх в длительность импульса триггера, которая в свою очередь определяет количество импульсов генератора импульсной последовательности (ГИП) со считанных счетчиком. Счетчик выдает результат в двоичном коде, следовательно показания счетчика пропорциональны Uвх. Тактовый импульс запускает генератор линейно изменяющегося напряжения (ГЛИН) и обнуляет счетчик. В двух компараторах К1 и К2 происходит сравнение напряжения ГЛИН с "0" и с Uвх.
|
|
Когда уровень напряжения ГЛИН равен "0", то на выходе К1 вырабатывается сигнал, который устанавливает триггер в единичное состояние. На схему "И" подается единичный сигнал с выхода триггера и последовательность импульсов с выхода ГИП. Импульсы ГИП подаются на счетчик, который их считает. Когда напряжение "пилы" станет равным Uвх, сигнал с выхода К2 "опрокинет" триггер в нулевое состояние, импульсы через схему "И" не проходят, счет прекращается. Количество прошедших импульсов пропорционально Uвх. Т.к. напряжение "пилы" строго говоря не является линейным, особенно на начальном участке, то точность преобразования не велика. Большую точность обеспечивают АЦП с ОС и АЦП следящего типа.
35. АЦП С ОБРАТНОЙ СВЯЗЬЮ (ОС)
|
|
|
|
ЦАП вырабатывает напряжение ОС. Это напряжение имеет ступенчатую форму. С приходом тактового импульса счетчик начинает считать от генератора импульсной последовательности (ГИП). Счет прекращается при подаче нулевого сигнала с вых. компаратора. Этот сигнал вырабатывается в том случае, если напряжение ОС больше или равно Uвх. Количество сосчитанных импульсов пропорционально Uвх в двоичном коде.
36. АЦП СЛЕДЯЩЕГО ТИПА.
|
|
АЦП с ОС преобразует в двоичный код только возрастающее Uвх. АЦП следящего типа преобразует в цифровой сигнал как возрастающее, так и убывающее напряжение. В этой схеме применяется реверсивный счетчик. Когда на вых. компаратора (К) единичный сигнал (Uвх > Uос) счетчик находится в режиме прямого счета. Когда Uвх Uос, на выходе К - "0" и счетчик переходит в режим обратного счета.
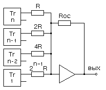
37. ЦАП С СУММИРОВАНИЕМ НАПРЯЖЕНИЯ НА ОПЕРАЦИОННОМ
УСИЛИТЕЛЕ (ОУ).
|
|
ЦАП преобразует информацию в двоичном коде в непрерывную. На его выходе формируется ступенчатое напряжение. Точность воспроизведения зависит от шага квантования и величины "ступеньки". Ни шаг квантования, ни величину "ступеньки" нельзя уменьшить ниже технических возможностей схемы. Схемы ЦАП могут строиться с суммированием напряжения или тока на ОУ или как аттенюатор сопротивлений.
В этой схеме триггеры образуют регистр, в который заносится двоичный код числа. Коэффициент передачи ОУ для выхода каждого триггера является взвешенным в соответствии с разрядом числа, хранимого в триггере:
Напряжение с выхода триггера n-ного разряда передается на выход усилителя с коэффициентом передачи:
т.е. он в 2 раза больше, чем коэффициент Kn-1. Следующий весовой коэффициент n-ного разряда в 2 раза больше весового коэффициент n-1 разряда. Если считать, что уровень "1" соответствует Е, а уровень "0" - 0, то:
где N - десятичное значение преобразуемого двоичного числа, записанного в регистре.
Е - напряжение питания триггера, соответствующее логической "1"
Величина ступеньки определяется уровнем "1" и не может быть меньше напряжения питания.
НЕДОСТАТОК: нестабильное питание триггера и необходимость точного подбора большого числа номиналов сопротивлений на входе ОУ.
38. ПРИМЕНЕНИЕ МИКРО ЭВМ В СИСТЕМАХ АВТОМАТИЗИРОВАННОГО УПРАВЛЕНИЯ (САУ)
Примером САУ можно считать можно считать станок с ЧПУ. САУ должна поддерживать какой - либо параметр на заданном уровне. В качестве регулируемого параметра может быть угол резания резца.
Задание представляет собой входное воздействие Х, которое в САУ называется входным воздействием. На объект управления воздействует возмущающее воздействие Е, которое представляет собой износ режущего инструмента и влияние материала заготовки. Выходная величина Y представляет собой действительное значение угла резания. Это действительное значение с помощью датчика состояния объекта преобразуется в электрический сигнал. Контроллер преобразует аналоговый сигнал в цифровой и передает в управляющую микро ЭВМ. В память микро ЭВМ также передается заданное значение регулируемого параметра в двоичном коде. ЭВМ сравнивает эти значения и вырабатывает управляющее воздействие.
