Структурная схема ЭВМРефераты >> Программирование и компьютеры >> Структурная схема ЭВМ
Работа ЦПЭ осуществляется в соответствии МК ЦПЭ F6 .F0, которая является. частью МК микро ЭВМ. Т.к. для обработки данных АЛУ объединяются параллельно, то АЛУ должно формировать сигналы сдвига вправо (входной - СП1, выходной - СП0) и сигнал переноса (входной - С1, выходной - С0).
Сигналы X и Y управляют схемой ускоренного переноса, в которой формируется цифра переноса одновременно с образованием суммы разрядов чисел.
Выходной буфер ВБ3 открыт только при подаче цифры переноса, в остальных случаях открыт вых. буфер ВБ4. Выходные данные из 2-х разрядного регистра адреса и 2-х разрядного аккумулятора передаются через вых. буферы 1 и 2 на шину адреса А1 А0 и на шину данных Д1 Д0 только при подаче сигналов разрешения выдачи адреса ВА и выдачи данных ВД.
При наличии высокого уровня синхросигнала (1) триггеры открыты для приема информации. На отрицательном. фронте синхросигнала происходит передача данных с выходных триггеров.
20. БЛОК МИКРОПРОГРАММНОГО УПРАВЛЕНИЯ (БМУ).
Структура микрокоманд.
Из ОЗУ в блок микропрограммного управления (БМУ) поступает код команды, содержащий адрес первой микрокоманды (МК) микропрограммы выполнения данной команды. Эта микропрограмма записана в управляющей памяти, входящей в состав устройства управления. По указанному адресу считывается из управляющей памяти МК для всего микропроцессорного устройства. Эта МК содержит МК СРП БМУ, микрокоманду ОЗУ, МК устройства ввода - вывода.
|
МК ЦПЭ |
МК БМУ |
МК ОП |
МК УВВ |
. |
Сформированные МК передаются на соответствующие узлы микропро-цессорного устройства. БМУ служит для формирования адреса следующей МК. Если нет никаких условных переходов, то следующая МК считывается из следующей ячейки ПЗУ, на котором организована управляющая память. МК БМУ содержит поле условных переходов УА6 .УА0, в котором записывается адрес следующей МК; поле управления признаками УФ3 .УФ0 и поле управления загрузкой микрокоманды ЗМ.
Поле управления признаками указывает вид перехода: условный, безусловный и способ формирования адреса следующей МК при наличии условного перехода. Управляющие сигналы для управления признаками - это сигнал переноса и сигнал сдвига вправо. При наличии в поле управления загрузкой ЗМ = 1, адрес МК загружается в регистр адреса МК. МК БМУ:
|
Поле условных переходов YA6 . YA0 |
Поле управления признаками УФ3 . УФ0 |
Поле управления загрузкой ЗМ |
МК операционного устройства содержит код микрооперации F6 .F4, номер регистра общего назначения F3 .F0, который является приемником или источником информации. Маскирующий сигнал К, в общем случае является двухразрядным, ВА - сигнал разрешения выдачи адреса и ВД - сигнал разрешения выдачи данных. МК ОУ:
|
F6 .F4 |
F3 .F0 |
K |
BA |
ВД |
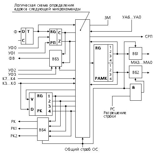
21. СТРУКТУРНАЯ СХЕМА И ПРИНЦИП ДЕЙСТВИЯ
БЛОКА МИКРОПРОГРАММНОГО УПРАВЛЕНИЯ (БМУ)
На входы K7 .K0 БМУ подается код команды, который является адресом первой микрокоманды (МК) микропрограммы выполняемой команды.
По сигналу ЗМ=1 адрес первой команды загружается в регистр адреса МК. Регистр позволяет адресовать 4-х разрядный номер колонки (16 колонок) и 5-ти разрядный. номер строки (32 строки).
Код К7 .К0 - 8-ми разрядный, поэтому первоначально в старшем разряде номера строки записывается 0. Такая разрядность регистра адреса МК позволяет адресовать 512 ячеек ПЗУ, расположенных в 16-ти колонках и 32-х строках.
В первой МК БМУ содержится способ формирования адреса следующей МК. Поля УА6 .УА0 первой МК подаются на логическую схему определения адреса следующей МК. Сформированный схемой адрес подается в регистр адреса МК и через выходные буферы 1 и 2 на адресную шину, связывающую БМУ с управляющей памятью.
Считывание номера колонки с вых. буфера 1 происходит при подаче на вход "общий строб" единицы.
Считывание номера строки через выходной буфер 2 происходит при подаче "1" на входы "общий строб" и "разрешение строки". Команда БМУ в поле УА6 .УА0 в старших разрядах содержит вид перехода, а в младших номер строки или столбца. Например первая команда JCC - команда безусловного перехода в текущей колонке содержит в разрядах УА6 и УА5 указания вида перехода, в остальных разрядах номер строки, номер колонки не изменяется. Вторая команда JZR - команда безусловного перехода в нулевую строку. В разрядах УА6 .УА4 указывается вид перехода, в остальных разрядах - номер колонки, а в адресе строки указывается нулевая строка. Если при выполнении команды JZR приходим к ячейке с адресом (0,15), т.е. нулевая строка, 15-ая колонка, вырабатывается сигнал строб разрешения прерывания. Этот сигнал подается на блок приоритетного прерывания (БПП), и если до этого поступил запрос на прерывание, то выход строк БМУ отключается от ПЗУ и на ПЗУ подается номер первой строки первой команды прерывающей команды. Если запроса на прерывание не было, продолжает выполняться основная программа и на входы К7 .К0 подается код следующей команды.
Признаки участвуют в формировании адреса следующей МК при условных переходах. Признаки, такие как сдвиг вправо и цифра переноса подаются от центрального процессорного элемента (ЦПЭ) по единой шине на вход Ф триггера признаков. В поле признаков содержится сигнал УФ0 .УФ1, по которым признак записывается в регистр признаков и сигналы УФ2 УФ3, по которым признак считывается из регистра признаков через выходной буфер 3 на выход Фв, с которого они подаются на вход ЦПЭ.
В третьей команде условного перехода JFL по содержимому триггера признаков младший разряд номера колонки равен содержимому триггера признаков.
22. БЛОК ПРИОРИТЕТНОГО ПРЕРЫВАНИЯ (БПП)
Каждой команде соответствует микропрограмма, состоящая из отдельных микрокоманд (МК). На входы К7 .К0 БМУ подается код команды, который является адресом первой МК микропрограммы данной команды в управляющей памяти. 1-ая МК содержит указания, как формировать адрес второй МК. Этот адрес формируется логической схемой определения адреса следующей МК. Последняя МК каждой микропрограммы содержит указание JZR о переходе в нулевую строку 15-ой колонки. По этому адресу содержится МК, в поле ЗМ которой содержится "1". К этому времени на входах К7 .К0 поступает код следующей команды, который по сигналу ЗМ=1 загружаются в регистр адреса МК (РАМК). Так происходит выполнение программы в отсутствие прерываний.
