Структурная схема ЭВМРефераты >> Программирование и компьютеры >> Структурная схема ЭВМ
Схема преобразователя с цифровой индикацией :
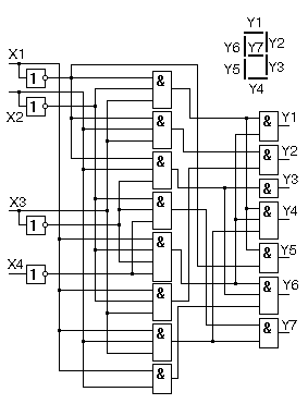
10. ПРЕОБРАЗОВАТЕЛЬ КОДА 8421 В 2421
|
|
Код 2421 образуется из кода 8421. До 4-х он повторяет код 8421, а дальше образуется как инверсия дополнения до 9-и. Код 8421 является двоично-десятичным кодом, где коэффициенты 8,4,2 и 1 являются весовыми коэффициентами, т.е. соответствуют "стоимости" каждого разряда. Сочетания: 1010, 1011, 1100, 1101, 1110, 1111
являются запрещенными. Преобразователи кодов применяются в системах интерфейсов.
|
8421 |
2421 | ||||||
|
X4 |
X3 |
X2 |
X1 |
Y4 |
Y3 |
Y2 |
Y1 |
|
0 |
0 |
0 |
0 |
0 |
0 |
0 |
0 |
|
0 |
0 |
0 |
1 |
0 |
0 |
0 |
1 |
|
0 |
0 |
1 |
0 |
0 |
0 |
1 |
0 |
|
0 |
0 |
1 |
1 |
0 |
0 |
1 |
1 |
|
0 |
1 |
0 |
0 |
0 |
1 |
0 |
0 |
|
0 |
1 |
0 |
1 |
1 |
0 |
1 |
1 |
|
0 |
1 |
1 |
0 |
1 |
1 |
0 |
0 |
|
0 |
1 |
1 |
1 |
1 |
1 |
0 |
1 |
|
1 |
0 |
0 |
0 |
1 |
1 |
1 |
0 |
|
1 |
0 |
0 |
1 |
1 |
1 |
1 |
1 |
11. ПРОГРАММИРУЕМАЯ ЛОГИЧЕСКАЯ МАТРИЦА
(ПЛМ)
|
|
ПЛМ является узлом ЭВМ, функционирование которого определяется программой, записанной в него. ПЛМ может использоваться в качестве дешифратора ПЗУ, например в МП К580, в качестве ПЗУ управляющей памяти.
При записи программы в ПЛМ прожигаются плавкие предохранители, соединяющие транзисторы МДП с шинами матрицы. Матрица М1 называется матрицей конъюнкции. На горизонтальные шины подаются переменные. На вертикальных шинах образуются конъюнкции. На
вертикальных шинах появляется единичный сигнал только тогда, когда все транзисторы, включенные в узлы матрицы и подсоединенные к этой шине закрыты. В узлах матрицы включаются транзисторы МДП.
Прожигание программы в соответствии с назначением матрицы состоит в том, что прожигается плавкий предохранитель и транзистор, подсоединяется к узлу матрицы. Если на входы транзисторов подать нули, то они будут закрыты. Матрица М2 называется матрицей дизъюнкции. На ее горизонтальных шинах появляется сигнал в том случае, если снимать сигнал через инвертор.
12. НАКАПЛИВАЮЩИЙ СУММАТОР
Накапливающий сумматор является автоматом с памятью, т.е. слагаемые могут приходить поочередно в произвольные моменты времени и запоминаться в линиях задержки или в триггерах. Накапливающий. сумматор применяется в асинхронных устройствах, в которых слагаемые не привязаны к тактам тактового генератора.
|
|
С приходом слагаемого аi=1 элемент "ИЛИ" устанавливается в "1", триггер устанавливается. в "1". Если bi=1 и приходит через какое-то время после ai, то оно запоминается в линии задержки и
одновременно bi опрокидывает триггер в "0". На инверсном выходе триггера устанавливается "1", следовательно на вторую схему "И" подаются две единицы, следовательно на выходе второй схемы "ИЛИ" формируется цифра переноса в старший разряд, равная "1". Если Pi=0, то цифра суммы, которая снимается с прямого выхода триггера, равна "0". Если Pi=1, то сумма Si=1.
|
ai |
bi |
Pi |
Si |
Pi+1 |
|
0 |
0 |
0 |
0 |
0 |
|
0 |
0 |
1 |
1 |
0 |
|
0 |
1 |
0 |
1 |
0 |
|
0 |
1 |
1 |
0 |
1 |
|
1 |
0 |
0 |
1 |
0 |
|
1 |
0 |
1 |
0 |
1 |
|
1 |
1 |
0 |
0 |
1 |
|
1 |
1 |
1 |
1 |
1 |
