Усилители постоянного тока
Рефераты >> Физика >> Усилители постоянного тока

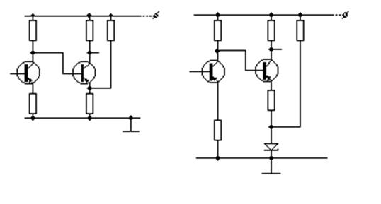
В схеме усилителя выводы коллектора и базы транзисторов соседних каскадов соединены непосредственно. В этих условиях резисторы Rэ каждого последующего каскада (осуществляющие внутрикаскадные отрицательные обратные связи по постоянному току) предназначены также для создания необходимого напряжения Uбэп в режиме покоя. Это достигается повышением отрицательного потенциала на эмиттере каждого транзистора от протекания через резистор Rэ эмиттерного тока до величины, меньшей по абсолютному значению потенциала его базы или, что то же, потенциала коллектора транзистора предыдущего каскада. Так, для транзистора T2 второго каскада имеем:

Uбэп2 = Uкп1 – Uэп2 = Uкп1 – Iэп2Rэ2. (1.1)

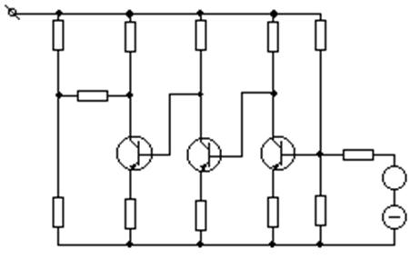
Во входную цепь усилителя (рис.2.1) последовательно с источником входного сигнала включен источник входного компенсирующего напряженияUкомп.вх. его вводят для того, чтобы при eг = 0 напряжение Uбп1 соответствовало требуемому значению напряжения в режиме покоя и ток через источник был равен нулю. С этой целью компенсирующее напряжение выбирают равным Uбп1.

Нагрузка Rн усилителя включена в диагональ моста, образованного элементами выходной цепи оконечного каскада и резисторами R3, R4. Такой способ подключения нагрузки используют в тех случаях, когда необходимо обеспечить условие Uн = 0 при eг =0. Резисторы R3, R4 в схеме выполняют роль делителя для создания компенсирующего напряжения выходной цепи каскада, равного Uкп3 при eг = 0.

Сопротивление Rэ1, рассчитываемое по режиму температурной стабилизации первого каскада, имеет величину от нескольких сотен Ом до 1-3 кОм. Сопротивления Rэ последующих каскадов используют не только для температурной стабилизации, но также для обеспечения требуемых значений Uбэп в режиме покоя. При связи базы транзистора последующего каскада с коллектором транзистора предыдущего каскада (рис.2.1) напряжение на эмиттере, так же как и напряжение на коллекторе каждого последующего каскада, увеличивается (по абсолютной величине в случае транзисторов типа p-n-p).

Простейшая схема. многокаскадного УПТ.

RК2

Т3

Uкомп.вх

Способы повышения коэффициентов усиления усилительных каскадов, входящих в УПТ.  

Rэ1

а)


Страница: