Усилители постоянного тока
Это вызывает необходимость повышения сопротивления Rэ в каждом последующем каскаде с целью получения требуемых значений Uэп. Возникающие при этом трудности связаны с тем, что увеличение Rэ приводит к уменьшению коэффициентов усиления последующих каскадов и общего коэффициента усиления усилителя.
Указанный недостаток схемы может быть исключён при некотором видоизменении её каскадов, как показано на рис.2.2,а,б. В схеме рис.2.2,а сопротивление Rэ уменьшается за счёт включения резистора Rд и пропускания через резистор Rэ дополнительной составляющей тока Iд. Для схемы рис.2.2,б задачу решают включением в цепь эмиттера стабилитрона.
Способ построения УПТ на основе непосредственной связи простейших усилительных каскадов может быть использован для получения сравнительно невысокого коэффициента усиления (порядка нескольких десятков) при относительно большом усиливаемом сигнале 0,05 – 0,1 В.
При необходимости получения больших коэффициентов усиления (сотни и тысячи) применение этого способа построения УПТ невозможно ввиду сильного проявления дрейфа усилителя, вызываемого нестабильностью напряжения питания и особенно температурной нестабильностью параметров транзисторов, в частности Iк0(э) = (1+B)Iк0. Минимальные изменения напряжения на коллекторах транзисторов первых каскадов, возникающие под воздействием температурных изменений тока Iк0(э), усиливаются последующими каскадами, создавая недопустимые изменения выходного напряжения усилителя. Применение же температурной компенсации здесь затруднено по технологическим соображениям. Она основана на том, что при Температурная компенсация предполагает включение в схему усилителя термочувствительных элементов, например терморезисторов. Она основана на том, что при изменении температуры приращения токов и напряжений в схеме под влиянием изменения параметров вводимых элементов действуют в направлении, обратном их приращениям, вследствие температурной нестабильности параметров транзисторов. В условиях разброса параметров используемых элементов температурная компенсация требует тщательного подбора термокомпенсирующих элементов для каждого отдельного усилителя с учётом всего температурного диапазона его работы, что неприемлемо при серийном производстве и эксплуатации аппаратуры (из-за трудностей ремонта).[1]
3. ДИФФЕРЕНЦИАЛЬНЫЕ УСИЛИТЕЛЬНЫЕ КАСКАДЫ
Радикальным средством уменьшения дрейфа УПТ являетсяприменениепараллельно-балансных (дифференциальных)каскадов. Одна из наиболее распространённых схем дифференциальных усилительных каскадов представлена на рис.3.1. По этой схеме построены каскады, выпускаемые в виде отдельных микросхем (например, К1УТ181, К1УТ221); она используется также во входных каскадах многих УПТ интегрального исполнения.[4]
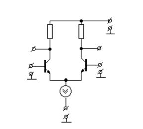
Дифференциальный усилительный каскад выполняют по принципу сбалансированного моста, два плеча которого образованы резисторами Rк1 и Rк2, а два других – транзисторами Т1 и Т2. Выходное напряжение снимается между коллекторами транзисторов (т.е. с диагонали моста) или с коллекторов.
На транзисторе Т3 собрана схема источника стабильного тока Iэ1 и Iэ2 транзисторов Т1, Т2.в схему источника стабильного тока входят резисторы R1, R2, R3 и источник питания Eк2. Транзистор Т4 в диодном включении предназначен для повышения стабильности тока Iэ в зависимости от изменения температуры (элемент температурной компенсации).
Дифференциальный каскад допускает подачу входных сигналов от двух источников (на оба входа Uвх1, Uвх2) или от одного источника входного сигнала (рис.3.1, 3.2). в последнем случае входной сигнал подаётся на базу одного из транзисторов или между обеими базами. Входы Uвх1 и Uвх2 при схемах соединения по рис.3.3, 3.4 называются дифференциальными.
Питание каскада производится от источников + Ек1 и – Ек2 с равными напряжениями. С помощью напряжения питания Ек2 снижают потенциал эмиттеров транзисторов Т1, Т2 относительно общей точки схемы («земли»). Это позволяет подавать сигналы на входы усилителя без введения дополнительных компенсирующих напряжений, что требовалось, в частности, в схеме рис.3.1.
Схема дифференциального каскада требует применения близких по параметрам транзисторов Т1, Т2 и равенства сопротивлений Rк1, Rк2 (рис.3.2). Благодаря этому при входных сигналах, равных нулю, достигается баланс моста, напряжения на коллекторах обоих транзисторов равны и выходное напряжение, снимаемое с диагонали, Uвых = Uвых1 – Uвых2 = 0. Высокая стабильность схемы в отношении изменения напряжения питания, температуры и прочих факторов объясняется тем, что при одинаковом дрейфе по обоим усилительным каналам каскада напряжения на коллекторах изменяются на одну и ту же величину и дрейф на выходе каскада отсутствует. В реальных условиях за счёт существующего разброса параметров транзисторов или их неодинакового изменения во времени некоторый дрейф в каскаде всё же имеется. Однако он существенно меньше, чем в предыдущих схемах, поскольку величина дрейфа здесь определяется разностным дрейфом двух близки по параметрам усилительных каналов. Идентичность параметров транзисторов Т1, Т2 легко достигается при интегральном (микросхемном) исполнении, когда их изготовление осуществляется в едином технологическом процессе на общем кристалле полупроводника.
| |||
| |||
![]() |
![]() | ![]() |
![]() |
| |||||||||||||
![]() | |||||||||||||
![]() | |||||||||||||
| |||||||||||||
| |||||||||||||






