

а) б)
Схема дифференциального усилительного каскада допускает подачу входных сигналов одновременно на оба входа (рис.3.2). Дифференциальное входное напряжение при сигналах Uвх 1, Uвх2 неодинаковой полярности будет равно
Uвх = Uвх1 + Uвх2 (3.1),
а дифференциальное входное напряжение:
Uвых = KUд(Uвх1+Uвх2) (3.2)
Представляет интерес также подключение входных напряжений одинаковой полярности, т.е. двух совпадающих по фазе (синфазных) сигналов. Дифференциальный каскад позволяет решать часто встречающуюся на практике задачу сравнения с высокой степенью точности значений напряжений входных сигналов или увеличения их разности. Это, в частности, объясняет название «дифференциальный каскад». При наличии двух синфазных входных сигналов дифференциальное выходное напряжение пропорционально разности Uвх1 – Uвх2:
Uвых = KUд(Uвх1 – Uвх2) (3.3)
При подаче на входы двух сигналов одинаковой полярности необходимо учитывать возможность появления на выходах Uвых1, Uвых2 так называемой выходной синфазной ошибки. Она обусловливается наличием на обоих входах одинакового постоянного напряжения (постоянной составляющей), равному наименьшему из напряжений Uвх1, Uвх2.
Синфазную ошибку усиления оценивают коэффициентомсинфазной передачи каскада Ксинф =
Uбал / Есинф, который обычно много меньше единицы. Качество дифференциального каскада характеризуется отношением Ксинф / КUд, показывающим способность каскада различать малый дифференциальный сигнал на фоне большого синфазного напряжения. Выражение 20lg(Ксинф / КUд) характеризует коэффициент ослабления синфазного сигнала (КОСС) дифференциального каскада. В современных дифференциальных усилительных каскадах величина КОСС может составлять от – 60 до – 100 дБ.[1]
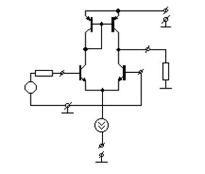
4.ДИФФЕРЕНЦИАЛЬНЫЙ КАСКАД С ДИНАМИЧЕСКИМИ НАГРУЗКАМИ
При интегральном исполнении дифференциальных усилительных каскадов вместо резисторов Rк широко используют транзисторы, выполняющие функцию динамических нагрузоккаскада. Подобные схемы позволяют обеспечить существенно большие значения коэффициента усиления RUд по сравнению с рассмотренной схемой, имеющей резистивные нагрузки, что важно при создании многокаскадных УПТ. Пример построения одной из схем таких каскадов показан на рис.4.1.
| | | | | |
| |
Схема дифференциального каскада с динамическими нагрузками. | |
|
| |  |
|
| |  |