Отчет о первой технологической практике на Опытном заводе ЛучРефераты >> Технология >> Отчет о первой технологической практике на Опытном заводе Луч
Объем порции засыпки чешуек хрома подбирается опытным путем и измеряется при помощи меток на мерном совке.
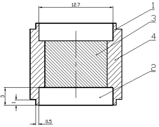
![]() |
Рис.3 Схема холодного уплотнения
1.Пуансон.
2.Чешуйки хрома.
3.Втулка (оболочка).
4.Контейнер.
5.Пяток-основание.
6.Стол пресса.
6. На заполненной хромом оболочке с обоих сторон изготавливаются посадочные места под крышку и буртики для сварного шва (см.рис.4).
![]() |
Рис.4
1.Буртик под сварку.
2.Посадочное место под крышку.
3.Уплотненные чешуйки хрома.
4.Стальная оболочка.
а)по наружной поверхности :
Оболочка протачивается прямым проходным резцом по наружному диаметру в соответствии с диаметром контейнера для горячего компактирования зазором (1 1,5)мм на термическое расширение.
![]() |
![]() |
б)на внутренней поверхности:
На заполненной хромом оболочке с обоих сторон упорным резцом изготавливаются посадочные места под крышку
Операция механической обработки осуществляют на токарном станке типа 1К62.
Контроль геометрических размеров осуществляется при помощи штангенциркуля с погрешностью
0,05 мм.
7. Герметизация оболочки осуществляется приваркой крышек к оболочке с двух сторон поочередно на электронно-лучевой установке типа ЭЛУ-2 при остаточном давлении в рабочей камере установки
мм.рт.ст.
![]() |
2)формирующий электрод
3)вольфрамовый катод
4)анод с центральным отверстием для пропускания луча к заготовки
5)диафрагма
6)краевые зоны луча
7)магнитные линзы
8)отклоняющая система
9)заготовка.
Сварной шов образуется за счет расплавления сопряженных буртиков на крышка и оболочке. Режим сварки: ток эмиссии (30 40)мА, угловая скорость вращения заготовки (12 15) об/мин. Контроль остаточного давления в рабочей камере установки осуществляется вакуумметром ВИТ-2П с первичным преобразователем ПМИ-2 и МИ-10-2ю
Контроль величины тока эмиссии осуществляется с помощью миллиамперметра, установленного на пульте управления установки.
Контроль угловой скорости вращения осуществляется с помощью шкалы на рукоятке управления вращением заготовки.
8. Контроль герметичности оболочки после сварки осуществляется на гелиевом течении ПТИ-7 по IV классу герметичности способом опрессовки гелием по ОСТ 5-0170-75 «Контроль герметичности металлических конструкций». Вакуумплотность должна быть не хуже 1в.
9. Смазка и нагрев заготовок. На предварительно обезжиренную поверхность заготовок кистью наносится слой графитовой смазки ЭЛП-В. Смазка просушивается на воздухе. Нагрев заготовок перед горячим компактированием до температуры (1150 1200)0С осуществляется в индукторе, на воздухе.
Температура нагрева заготовок контролируется оптическим пирометром типа «Проминь» с погрешностью
200С.
10. Подготовка прессинструмента перед компактированием. Соответствующий размеру заготовки контейнер нагревается перед компактированием до температуры (400 500)0С в электропечи сопротивления типа Н-30, а заготовка нагревается в индукционной печи в вакууме до (900 950)0С. Температура контролируется термоэлектрическим термометром типа «ХА» с прибором КСПЗ-П.
В качестве смазки применяется: для смазки контейнера смазка типа «МС», а заготовка не смазывается.
11. Горячее компактирование.
В нагретый контейнер запрессовывается закаленный пяток из стали ЗХ2В8; контейнер устанавливается на стол пресса вниз пятаком и смазывается маслографитовой смазкой «МС».
Нагретая до заданной температуры заготовка выгружается из индукционной печи и закладывается в контейнер. Сверху в контейнер опускается пуансон и осуществляется рабочий ход пресса (до того момента, когда давление достигнет максимального – 200 кгс/см2). По окончанию компактирования контейнер освобождается от заготовки усилием холостого хода пресса и операция компактирования повторяется со следующей заготовкой.
Контроль давления пресса осуществляется с помощью гидравлического манометра (ГОСТ 86-25-59) установленного на пульте управления пресса.
12. После компактирования заготовка протачивается прямым проходным резцом на токарном станке по наружному диаметру, который на (1 1,5) мм должен быть меньше диаметра контейнера, из которого будет проводится выдавливание.
![]() |
13. Подготовка прессинструмента.
Рабочие поверхности контейнера, матрицы смазываются коллоидно-графитовым препаратом ЗЛП-В, просушивается на воздухе и нагревается перед прессованием до температуры (400 500)0С в электропечи сопротивления Н-30.
14. Прессование.
Разогретые матрица и контейнер устанавливаются на стол пресса и смазываются масло-графитовой смазкой «МС». Заготовка, нагретая до температуры (1100 1150)0С, выгружается из индукционной печи и помещается в контейнер. Сверху ставится пуансон и осуществляется прессование через матрицу.
15. Удаление оболочки.
![]() |
Подрезание торцов выполняется специальными подрезными резцами.






