Основные показатели, определяющие качество электроэнергииРефераты >> Технология >> Основные показатели, определяющие качество электроэнергии
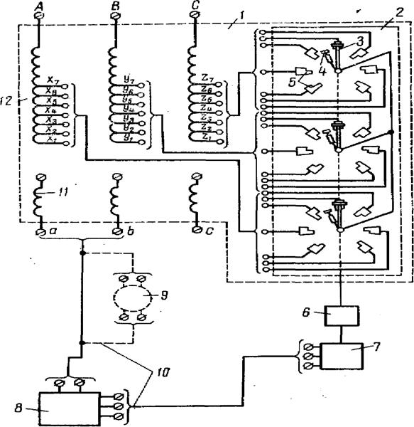
На рис. Показана схема включения обмоток и переключателей ответвления для трансформаторов напряжением 35, 10, 6 кВ мощностью от 60 до 630 вКА. Регулирование напряжения осуществляется в пределах [4´(+2.5) и 2´(-2,5)]%.
Переключатель приводится в действие от электродвигателя. Переключение ответвлений обычно автоматизировано.
Рис . Схема регулируемых трансформаторов с шестью ступенями регулирования.
/—трансформатор; 2—переключатель ответвлений; 3— рабочий контакт переключателя; 4—вспомогательный контакт; 5—неподвижный контакт; 6—редуктор привода; 7—электродвигатели привода; 8—система автоматического управления; 9—трансформатор напряжения типа ТСМАН-630/35; /О—соединительные провода;, II—обмотка низшего напряжения; 12—обмотка высшего напряжения
На ГПП устанавливается трансформаторы с переключаю-щими устройствами, имеющими большое число ступеней и размещенными в отдельном баке. Так для трансформатора типа ТМН с мощностью 5,6 МВА напряжением 35/10 кВ применяют переключатели типа РНТ-9 с реактором с восемью ступенями по 2,5% или более совершенные переключатели с мелкими ступенями регулирования по 1,5% .
|
|
Рис . Схема многоступенчатого регулирования напряжения трансформаторов:
Установки продольной компенсации (УПК).
Принцип действия УПК поясняет векторная диаграмма
U1
![]()
![]()

R1 XL XC U2 I2
![]()
![]()
![]()
![]()
![]()
![]()
![]()
cosj1 cosj2
![]() | |||
I2XL
U1 I2XL
I2R1
![]() | ![]() |
U2I2R1 U2 I2XC

![]()
U1
![]()
![]()
![]()
![]()
![]()
![]()
![]()
j j1 j2 j1 j2
![]()
![]()
![]()
I2 I2
а) без конденсаторов б) при включении трансформаторов
При наличии в сети только активного R1 и индуктивного XL cопротивлений напряжения U2 уменьшается за счет падения напряжений - активного I2R1 и индуктивного I2XL . В этом случае U2<U1, DU=U1-U2>0.
При включении емкостного сопротивления XC получается третье падение напряжения I2XC направленное противоположно I2XL. I2XC может быть подобрана таким образом, что вектор U2 будет равен вектору U1 или даже больше его, т.е. DU=0 или DU<0.
Величина XC выбирается в зависимости от потери напряжения без УПК DU%, допустимой потери напряжения DUдоп%, номинального напряжения Uн, тока нагрузки Im и sinj2
Достоинства УПК:
1) Автоматическое регулирование напряжения.
2) При одинаковом регулирующем эффекте мощность конденсаторов УПК получается в 4-6 раз меньше, чем мощность КБ при поперечной компенсации.
3) Применение конденсаторов, рассчитанных только на перепад напряжения IXC.
Недостатки УПК:
1) Возможность появления резонансных явлений
2) Недопустимость сквозных токов к.з.
3) Повышение уровня токов к.з.
ВОЛЬТОДОБАВОЧНЫЕ ТРАНСФОРМАТОРЫ
Вольтодобавочные трансформаторы имеют одну обмотку, включенную последовательно с линией, в которой регулируется напряжение. Эта обмотка получает питание от вспомогательного трансформатора, первичная обмотка которого питается от сети или постороннего источника тока.
На рис (а) показана принципиальная схема ВДТ
1- основной трансформатор
2- последовательный трансформатор
3- регулировочный трансформатор
Здесь к возбуждающей обмотке вольтодобавочного транс-форматора подводится напряжение, сдвинутое по фазе на 900 по отношению к напряжению данной фазы. Так для создания добавочного напряжения Ерег в фазе А к возбуждающей обмотке этой фазы подводят линейное напряжение UВС .
Тогда вектор добавочного напряжения Ерег будет перпендикулярен вектору фазного напряжения UA1, а вектор напряжения на выходе регулятора UA2 ,будет сдвинут на угол a, по отношению к вектору UA1. При этом угол a может быть как опережающим, так и отстающим.



