Основные показатели, определяющие качество электроэнергииРефераты >> Технология >> Основные показатели, определяющие качество электроэнергии
Статические источники реактивной мощности (ИРМ).
ИРМ характеризуется высоким быстродействием, плавным изменением реактивной мощности, безинерционностью.
В качестве примера на рис. приведена схема статического ИРМ с параллельным включением регулируемой индуктивности и нерегулируемой емкости. В качестве индуктивности принят управляемый реактор с подмагничиванием, в качестве емкости - конденсаторная батарея.
Суммарная мощность ИРМ:
Q=QL - QC
![]() |
QL- мощность, потребляемая реактором
QC - мощность. генерируемая конденсаторной батареей
Значение и направление мощности ИРМ в каждый момент зависят от регулируемой мощности QL. QC выбирается равной или несколько меньше ожидаемого наброса реактивной мощности. При набросе реактивной мощности ИРМ повышается до максимального значения, равного QC, а при сборе понижается до минимального значения.
ОТКЛОНЕНИЯ И КОЛЕБАНИЯ ЧАСТОТЫ.
Нарушение баланса между мощностью, вырабатываемой генератором электростанции или энергосистемы, и мощностью требуемой промышленными предприятиями, приводит к изменению частоты тока электросети.
Основной причиной возникновения колебаний частоты являются мощные приемники электроэнергии с резкопеременной активной нагрузкой (тиристорные преобразователи главных приводов прокатных станов). Активная мощность этих приемников изменяется от нуля до максимального значения за время менее 0,1с, вследствие чего колебания частоты могут достигать больших значений.
Изменения частоты даже в небольших пределах влияют на работу электросетей и приемников электроэнергии. Понижение частоты тока приводит к увеличению потерь мощности и напряжения в электросетях и к недовыработке продукции. Влияние снижения частоты на потребляемую мощность электроприемников различно:
1) потребляемая мощность приемниками электроосвещения, электропечами сопротивления и дуговыми электропечами практически незначительно зависит от частоты;
2) мощность забираемая механизмами с постоянным моментом на валу ( металлорежущие станки, поршневые насосы, компрессоры и др.), пропорциональна частоте;
3) потери мощности в сети пропорционально квадрату частоты;
4) потребляемая механизмами с вентиляторным моментом сопротивления ( центробежные насосы, вентиляторы, дымососы и др.) мощность пропорциональна частоте в третьей степени;
5) у центробежных насосов, работающих на сеть с большим статическим напором (противодавлением), например у питательных насосов котельных, потребляемая мощность пропорциональна частоте в степени выше третьей.
Изменение частоты существенно влияет на работу приборов и аппаратов применяемых в телевидении, вычислительной технике.
Разгрузка энергосистемы при образовавшемся недостатке мощности осуществляется устройствами автоматической частотной разгрузки (АЧР) или вручную персоналом энергосистемы путем отключения потребителей по питающим линиям (трансформаторам) по специально разработанному так называемому аварийному графику (АГ). Устройства АЧР предназначены для разгрузки энергосистемы при авариях, вызывающий большой дефицит мощности. Величина АЧР принимается не менее 50% нагрузки энергосистемы с разбивкой на очереди с различными объемами разгрузки и различными установками автоматов по частоте и выдержке времени.
Разгрузка энергосистемы персоналом вручную по аварийному графику (АГ) применяется также в случае возникновения дефицита мощности из-за аварии. График АГ разрабатывается в размере 15% нагрузки системы с разбивкой на очереди по мощности.
Частотная разгрузка применяется совместно с частотным автоматическим повторным включением (ЧАПВ), восстанав-ливающим электроснабжение отключенных потребителей.
Устройства АВР используются на предприятиях без учета общих интересов электроснабжения потребителей при возникающих дефицитах мощности в энергосистеме. Резервирование потребителями отключенной АЧР нагрузки с помощью АВР на оставленные в работе линии снижает эффективность АЧР, что может привести к развитию аварии в энергосистеме.
Правильное использование АВР в сетях потребителей может быть обеспечено за счет рационального размещения АВР и согласования действия АВР с действиями АЧР.
На рис показаны основные принципы выбора и размещения АВР и АЧР в наиболее простых схемах эл. снабжения
а) при электроснабжении от одного питающего центра
ОН
б) от питающего центра и распределительной сети
ПЦ - питающий центр;
ПП - п/ст потребления;
ОН - ответственные нагрузки.
Для первого рис. АВР необходимо устанавливать одностороннего действия только для резервирования ответственных нагрузок линии 1. Под АЧР можно поставить линии 2и3.
При таком размещении АВР обеспечивается резервирование ответственных нагрузок потребителя при аварийном отключении линии 1 и реальное снятие нагрузки по линиям 2 и 3 при работе АЧР.
Для второго случая (рис б) АВР может быть двустороннего действия, если во-первых, пропускная способность линии 2 позволяет резервировать соответствующую нагрузку распределительной сети и, во-вторых, питающие РП линии не поставлены в свою очередь под АЧР.
Схемные решения АЧР.
Существуют два метода АЧР: по абсолютному значению частоты и по скорости изменения частоты.
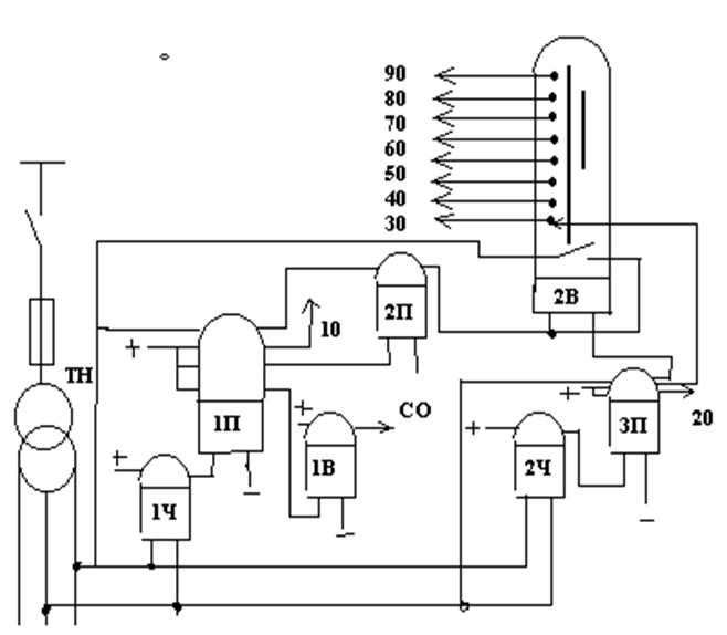
Рис. Схема устройства АЧР по абсолютному значению частоты.
Первый метод АЧР чаще всего применяется в системе электроснабжения промышленных предприятий. Он заключается в срабатывании реле частоты РЧ при определенном её значении, задаваемом энергосистемой, что приводит к отключению части потребителей через промежуточное реле РП.
Второй метод АЧР с отключением потребителей в определенной очередности применяется обычно в энергосистемах.
При снижении частоты срабатывает частотное реле 1Ч, которое через промежуточное реле 1П дает импульс (без выдержки) на отключение первой очереди потребителей (контакты 10). Одновременно получает питание через промежуточное реле 2П специальное электродвигательное реле времени 2В.
Если после отключения первой очереди потребителей частота в сети не восстанавливается, то срабатывает частотное реле 2Ч и отключается вторая очередь через промежуточное реле 3П (контакты 20). Далее через контактное кольцо электродвигательного реле 2В отключаются остальные очереди ( контакты 30-90).
Если после отключения указанных очередей не восстанавливается до номинального уровня, то через реле 1В с максимальной выдержкой времени отключается последняя специальная очередь потребителей (контакты СО).

