Совершенствования технологических процессов переработки зерна в муку и крупуРефераты >> Технология >> Совершенствования технологических процессов переработки зерна в муку и крупу
В результате воздействия воды на вещества зерна структура его эндосперма существенно изменяется, происходит его разрыхление, поэтому прочность его значительно понижается, в процессе измельчения о разрушается с незначительной затратой энергии. В то же время прочность оболочки возрастает и вследствии такого эффекта эндосперм легко отделяется от них в процессе измельчения на вальцовых станках. Оболочки же при этом получаются в виде крупных частиц и поэтому в процессе сортирования продуктов в рассевах, частицы эндосперма и частицы оболочек формируют самостоятельные фракции и поступают в различные потоки.
Величина увлажнения и длительность процесса отволаживания зерна в бункерах зависит от исходной характеристики помольной партии.
Затем, из бункеров для отволаживания через вибропитатели, зерно поступает на винтовой конвейер и далее в пневмоприемник - отвод, затем в циклон - разгрузитель, на аспирацинный канал, в котором отбираются легкие примеси, и в размольное отделение.
Размольное отделение
В размольном отделении производят помол подготовленного зерна и разделение (сортирование) измельченных продуктов на конечные продукты: муку и отруби. Дополнительно можно получать некоторое количество манной крупы.
Следовательно, в размольном отделении осуществляют следующие технологические операции:
- измельчение зерна и промежуточных продуктов;
- просеивание измельченных продуктов для фракционирования их по крупности, и в конечном счете, получения муки и отрубей;
- обогащение крупных фракций промежуточных продуктов на ситовеечных машинах.
Данной технологической схемой предусмотрено три дранных и три размольных системы.
Технологический процесс в измельчающем отделении протекает следующим образом: измельчение продукта на вальцовых станках с последующей обработкой продукта на виброситах, рассеве и ситовеечной машине.
Измельчение продуктов осуществляется на трех дранных и трех размольных системах, на каждую из которых выделено 1/2 вальцового станка 3М.2.25х60. Так как мы в эту технологическую схему поставили вымольную бичевую машину, то вымол оболочек прово
дится на ней. Сортирование измельченных продуктов производлится на рассеве ЗРШ-6М.
Для выделения сходовых продуктов на 1-й дранной и 2-й дранных системах, установлены центробежные пневмосетовые сепараторы У1-БСД-3,5 с металлоткаными ситами, на 3 - капроновое сито № 20. Эти продукты идут “С системы на систему”.
Фактический выход продуктов размола составляет:
- мука 1 сорта 50% .53%;
- мука высшего сорта 14% .16%;
- манная крупа 0.1% .2%;
- отруби 30% 38%.
Для получения выхода муки высшего и первого сортов, необходимо провести анализ технологической схемы и усовершенствовать технологический процесс.
4.1 Анализ применяемой технологии и возможность ее совершенстввания.
Обзор литературных источников по переработке зерна в муку, а так же анализ технологического процесса на мукомольном заводе “Конного завода 157” показывает, что в данной технологической схеме заменить центробежные пневмосетовые сепараторы на рассев ЗРШ-4М, а так же для вымола с ходового продукта (отрубей) после ЗД станка целесообразно применить вымольную бичевую машину (ЗВО-1).
Измененная технологическая схема представлена на рис 4.2.
СХЕМА ТЕХНОЛОГИЧЕСКОГО ПРОЦЕССА
![]() |
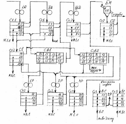
Для выделения сходовых продуктов на 1 Д и 2 Д установлены металлотканые сита, на 3 Д капроновые сита № 12. Эти продукты идут “с системы на систему”, а с 3 Д оба схода поступают для окончательного вымола на БМ. Где происходит отделения эндоспарма от оболочки. Эндосперм в измельченном виде проходи через сетчатую поверхность барабана и поступает для дальнейшего просева на рассев. Сход - отрубная часть выводится в бункер накопитель отрубей. Нижним сходом с рассевов 1 Д и 2 Д отбирают крупную крупку проходом сит 09 и 08 и сходом № 15 и № 19, которая поступает на ситовеечную систему СВ1 для обогащения. Проходом нижней группы сит рассевов 1 Д и 2 Д извлекают смесь продуктов, которая состоит из средней крупки, мелкой крупки, дукатов и муки, и направляет ее на дополнительное сортирование на рассев С1.
На этой сортировочной системе верхним сходом выделяются средняя крупка характеристики 15/19 (т.е. с проходом сита № 15 и сходом сита № 19), которая направляется для дополнительного обогащения СВ2. Поток мелкой крупы получается с нижним сходом С1, а поток дукатов - проходом нижней группы сит этой же системы, они совместно направляются на измельчения на 2Р. После обработки на СВ1 низкозольный поток, полученный проходом первых 3-х сит, идет на измельчение на 1Р, более высокозольный продукт - проход четвертого сита СВ1 направляется на 3Р, а сход с СВ1, в основном “сростки”, возвращается на 3 Д.
Зольность средней крупки ниже зольности крупной крпки, она чище, поэтому все продукты с ситовеечной системы СВ 2 направляются в размольный процесс, на 2Р и 3Р, на этой СВ2 можно проходом второго и третьего сита выделить в отдельный поток манную крупу.
Муку извлекают на всех системах, при этом мука высшего сорта формируется из потоков ее с С1, 2Д, 1Р и 2Р, а с остальных систем получают муку первого сорта.
Контрольное просеивание муки имеет цель удалить из нее случайно попавшие крупные частицы. Технологическая схема позволяет обеспечить выход муки в размере около 75%, т.е. муки высшего сорта до 42%, муки 1 сорта до 32% по мере необходимости можно получить до 2% манной крупы.
Для полной характеристики технологического процесса необходимо знать количественно-качественные показатели промежуточных и конечных продуктов, при помощи которых можно сделать анализ режима работы всего оборудования, загрузку каждой машины и системы, правильность формирования промежуточных продуктов по системам и муки по сортам, определить необходимое число технологического оборудования на каждом этапе процесса, произвести расчеты пневматического и механического транспорта и внести исправления для улучшения ведения технологического процесса.
Количественный баланс помола характеризует в количественном виде (в %% по отношению 1Д) организацию и ведение процесса в целом по схеме помола и по отдельным системам процесса.
При составлении баланса принимаем, что на 1Д поступает 100% зерна, расчет убыли и прибыли массы зерна при проведении подготовительных операций не ведут.
Основной характеристикой систем измельчения является режим измельчения продуктов, которая определяется массой извлеченного продукта - извлечением на системе. Этот показатель рассчитывают при условии, что поступающий продукт принимаем каждый раз за 100%.
Количественный баланс 2-х сортового помола пшеницы на 3-х станковой мельнице приведен в таблице 4.1.
Таблица 4.1.
|
Системы |
Поступило продуктов |
Получено продуктов | |||
|
Наименование |
кол-во в % к 1Д |
Наименование |
Кол-во в % к 1Д |
Направление продуктов | |
| 1 | 2 | 3 | 4 | 5 | 6 |
| IД | Зерно | 100 | 1-й сход 2-й сход 3-й сход 1 – проход 2 - проход | 7,00 12,0 10,0 8,0 | IIД СВ1 С1 конт. м1с |
|
ИТОГО | 100 | 100 | |||
|
IIД |
1-й сход IД 2-й сход IД |
70,0 | 1-й сход 2-й сход 3-й сход | 28,0 12,0 18,0 12,0 | IIIД СВ1 С1 конт. М, В, С |
|
ИТОГО | 70,0 | 70,0 | |||
|
IIIД |
1-й сход IД 2-й сход IД сход СВ1 |
28,0 5,0 | 1-й сход 2-й сход проход | 21,0
12,0 | БМ
конт. м1с |
|
ИТОГО | 33,0 | 33,0 | |||
|
С1 |
2-й сход IД 1-й сход IIД | 10,0 18,0 | 1-й сход 2-й сход 1 – проход 2 - проход | 13,0 4,0 8,0 3,0 | СВ2 2Р конт. М, В, С 2Р |
|
ИТОГО | 28,0 | 28,0 | |||

