Вариантное проектирование балочной клетки рабочей площадкиРефераты >> Строительство >> Вариантное проектирование балочной клетки рабочей площадки
9. РАСЧЕТ УКРУПИТЕЛЬНОГО СТЫКА БАЛКИ
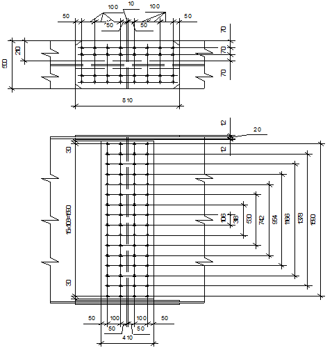
Рассчитать и законструировать монтажный стык на высокопрочных болтах в середине пролета главной балки составного сечения.
Исходные данные:
- размеры пояса bf x tf = 500 x 20 мм, размеры стенки hw x tw = 1700 x 13 мм;
- Ix= 1954198,7 см4; Iw = 1,3*1703/12 = 532241,7 см4- момент инерции стенки;
- в середине пролета балки Mx = Mmax = 4477,5 кН×м, Qx = 0.
9.1 Расчетные характеристики материала и коэффициенты
Стык выполняем на высокопрочных болтах диаметром 20 мм из стали 40Х «селект», с Rbun = 1100 МПа (табл.61* [1]). Очистка поверхности газопламенная, при которой коэффициент трения μ=0,42, коэффициент надежности γh = 1,12 (табл. 36* [1]).
9.2 Расчет стыка поясов
Определяем распределение момента между поясами и стенкой
Mf = Mx – Mw = 4477,5 – 1219,48 = 3258,02 кН×м
Усилия в поясных накладках равны
Требуемая площадь накладок на пояс нетто равна
Принимаем двусторонние накладки с наружной стороны 500х12 мм, с внутренней стороны пояса две накладки 210х12 мм.
Предполагая в каждом ряду по 4 болта, найдем площадь накладок с учетом ослабления, диаметр отверстия под болты d = 20 мм – d0 = 23 мм.
>
= 78,92 см2
Площадь пояса с учетом ослабления отверстиями
Суммарная площадь сечения накладок нетто больше, чем сечение пояса, поэтому проверку на прочность выполняем только послабленному сечению пояса. Поскольку A f,n = 81,6 см2 < 0,85Af = 0,85*100 = 85 см2, то проверка производится по условной площади A f,c = 1,18*A f,n = 1,18*81,6 = 96,29 см2 (см. п. 11.14 [1]).
Проверка прочности выполняется.
Расстояние между центрами болтов вдоль усилия должно быть не менее e+1,5d0 (e – расстояние между рядами поперек усилия). По табл. 39 [1] е = 2,5 d0 , отсюда минимальное расстояние между болтами равно 4 d0 = 4*23 = 92 мм. Принимаем шаг 100 мм.
Расчетное усилие, которое может быть воспринято одним высокопрочным болтом, определяется по формуле (131)* [1]
где Rbh – расчетное сопротивление растяжению высокопрочного болта; Rbh = 0,7Rbun = 0,7*110 = 77 кН/см2;
Аbh – площадь сечения болта нетто, Аbh = 2,45 см2
k – число поверхностей трения, k = 2;
γb – коэффициент работы соединения, γb = 1,0 при числе болтов 10 и более;
γh - коэффициент надежности, принимаемый по табл. 36* [1], γh = 1,12;
μ – коэффициент трения, принимаемый по табл. 36* [1], для газопламенного способа очистки μ = 0,42
Необходимое число высокопрочных болтов:
Принимаем 16 болтов.
9.3 Расчет стыка стенки
Стык перекрываем двумя накладками толщиной 13 мм каждая. Принимаем по два вертикальных ряда болтов на каждой полунакладке (m=2), число горизонтальных рядов k найдем в зависимости от
где hmax – расстояние между крайними рядами болтов, hmax = 159 см;
При α = 0,168 k = 15. Принимаем 16 рядов болтов, получаем расстояние между ними 106 мм, что больше аmin = 2,5d0 = 2,5*23 = 57,5 мм и меньше amax = 18t = 18*13 = 234 мм
Наибольшее усилие в крайнем болте от изгибающего момента
Поскольку поперечная сила Qx = 0, то проверка сводится к виду:
Рис.8.2. Монтажный стык балки на высокопрочных болтах.
10. ПОДБОР СЕЧЕНИЯ КОЛОННЫ
Подобрать сечение стержня сплошной центрально-сжатой колонны рабочей площадки. Исходные данные:
а) по заданию на проектирование:
- высота этажа H = 7,2 м;
- материал – углеродистая сталь обычной прочности;
б) по результатам выполнения предшествующих разделов:
- толщина настила tsh = 10 мм;
- высота второстепенной балки hfb = 34,6 см;
- высота главной балки hmb = 174,0 см;
- реакция главной балки Vmb = Qmb,max = 1194 кН;
- главная балка опирается на колонну сверху.
10.1 Расчетные характеристики материала и коэффициенты
Колонны относятся к группе 3 по табл. 50* [1]. Принимаем сталь обычной прочности, соответствующую группе 3 конструкций, сталь С245 по ГОСТ 27772-88. Расчетное сопротивление принимаем для фасонного проката толщиной до 20 мм, для которого Ry = 240 МПа, Run = 370 МПа (табл. 51* [1]), E = 2,06×105 МПа, n= 0.3 (табл. 63 [1]). Для сооружений II уровня ответственности (прил.7* [2]) коэффициент надежности по ответственности равен gn=0,95. Коэффициент условий работы при расчете на прочность gc=1,0 (табл. 6 [1]). Коэффициенты надежности по нагрузке gf g =1,05 (п.2.2 [2]), gf v =1,20 (п.3.7 [2]).
10.2 Определение расчетной длины колонны
Геометрическую длину колонны находим с учетом глубины заделки hb = 0,7 м.
lc =H - (tsh+ hfb+ hmb) + hb = 720 – (1,0+34,6+174,0) + 70 = 580,4 см.
Для дальнейших расчетов принимаем lc = 580 см.
Принимаем шарнирное закрепление колонны к фундаменту и шарнирное сопряжение колонны с балкой. При такой расчетной схеме коэффициент расчетной длины m = 1.
lef = lef,x = m lef,y = 1,0 × 580 = 580 см.
10.3 Определение продольной силы
Рассчитывается средняя колонна, на которую опираются две главные балки. Принимаем собственный вес колонны gc = 0,7 кН/м. Расчетная продольная сила определяется по формуле
N = 2Vmb + gfg gn gc lc = 2×1194 + 1,05×0,95×0,7×5,8 = 2392,05 кН
10.4 Подбор сечения стержня колонны
Сплошную колонну компонуем двутаврового сечения из трех листов. Задаемся в первом приближении значением гибкости λ = 75, которому соответствует коэффициент продольного изгиба φ = 0,716 (табл. 72 [1]).
Определяем требуемую площадь сечения колонны
Требуемый радиус инерции сечения
Находим αx = 0,43 и αy = 0,24 и определяем высоту и ширину сечения
Принимаем hc = bc= 32 см.
