Вариантное проектирование балочной клетки рабочей площадкиРефераты >> Строительство >> Вариантное проектирование балочной клетки рабочей площадки
Требуемая площадь пояса
При bc= 32 см получим толщину стенки tf = Af/bc = 52,2/32 = 1,6 см
Принимаем размеры пояса bfxtf = 320x16 мм.
Площадь стенки равна Aw = Ac,r – 2Af = 139,2 – 2*32*1,6 = 36,8 см2.
Поскольку высота сечения стенки hw = hc - 2 tf = 28 см, находим толщину стенки tw = Aw/hw = 36,8/28 = 1,32 см. Принимаем размеры стенки 280х14 мм
Рис. 10.1. Скомпонованное сечение стержня сплошной колонны.
10.5 Проверка подобранного сечения
Определяем геометрические характеристики сечения. Фактическая площадь Ac = Aw + 2Af = 28*1,4 + 2*32*1,6 = 141,6 см2
Моменты инерции
По наименьшему моменту инерции находим радиус инерции
imin = iy = 7,85 см.
Наибольшая гибкость
При λmax = 74; φ = 0,743 (табл. 72 [1]).
Проверяем устойчивость сплошной колонны по формуле 7 [1]
Недонапряжение составляет ∆σ = (240-227)*100/240 = 5%
Предельная гибкость
где
Требование λmax = 74 < λu = 123,18 выполняется.
10.6 Проверка местной устойчивости элементов сплошной колонны
Местная устойчивость поясов проверяется в соответствии с п. 7.23* [1]. Отношение ширины свеса пояса к толщине при bef = (bf - tw)/2 = (28-1,4)/2 = 13,3 см равно bef/tf = 13,3/2 = 6,65.
Предельное отношение ширины пояса к его толщине по табл. 29* [1] равно
где
При bef/tf = 6,65 < (bef/tf)u = 17,92 устойчивость пояса обеспечена.
Местная устойчивость стенки проверяется в соответствии с п. 7.14* [1], при hef = hw. Предельное отношение расчетной высоты стенки к толщине принимается равным
где
Устойчивость стенки обеспечена.
10.7 Установка ребер жесткости
При
стенку не следует укреплять ребрами жесткости (п. 7.21* [1]). Тем не менее, согласно того же пункта норм, принимаем два ребра по длине колонны и ставим их на равных расстояниях по длине.
Ширина ребра жесткости должна быть не менее bh = hw/30 + 40 = 280/30 + 40 = 49 мм, а толщина
Принимаем ребра жесткости hef x tw = 90*6 мм
10.8 Поясные швы
Поясные швы принимаем высотой, равной минимальному катету по табл. 38* [1], который при толщине более толстого свариваемого элемента 20 мм для автоматической сварки составляет 6 мм.
11. РАСЧЕТ ОГОЛОВКА ЦЕНТРАЛЬНО-СЖАТОЙ КОЛОННЫ
Рассчитать и законструировать оголовок сплошной центрально-сжатой колонны для опирания сверху балки с торцевым опорным ребром.
Исходные данные:
· опорное давление двух балок на колонну F =2 Vmb = 2×1194 = 2388 кН;
· ширина опорного ребра балки bh = 30 см;
· материал оголовка колонны С245 (Ry =240 МПа, Ryn = 370 МПа табл. 51*[1]).
Принимаем конструкцию оголовка по рис. 11.1 для балки с торцевым опорным ребром.
11.1 Определение толщины вертикальных ребер оголовка
Принимаем толщину опорной плиты оголовка tbp = 20 мм. Расчетная ширина опорного ребра оголовка ls,ef = bh + 2tbp = 30 + 2*2,0 = 34 см.
Расчетное сопротивление стали смятию торцевой поверхности (табл. 52* [1]) при Ryn = 370 МПа равно Rp = 336 МПа (33,6 кН/см2).
Толщину ребра принимаем 20 мм.
11.2 Определение размеров ребра
Для ручной сварки принимаем электроды типа Э46, для которых Rw,f = 200 МПа (табл. 56 [1]), Rwz = 0,45, Run = 0,45*370 = 166,5 МПа, γwz = γwf = 1,0, βf = 0,7, βz = 1,0.
Поскольку условия Rw,f / Rwz = 200 / 166,5 = 1,2 > 1,1 и Rw,f = 200 МПа < Rwz βz / βf = 166,5*1,0/0,7 = 237,85 МПа выполняются, достаточно расчета по металлу шва.
При максимальной высоте шва kf,max = 1,2 tmin (tmin = tw = 14 мм), то есть kf,max = 16,8 мм, принимаем kf = 13 мм. Длина швов равна
Требуемая длина оголовка
Принимаем длину оголовка hs = 500 мм. Ширину опорных ребер принимаем из условия опирания балки bs = 170 мм (2bs > ls,ef).
11.3 Проверка прочности ребра
11.4 Проверка прочности стенки колонны на срез
Прочность стенки на срез определяется по формуле
Прочность стенки на срез не обеспечена. В пределах оголовка увеличиваем толщину стенки до tw’ = 1,8 см, тогда
Стык листов стенки разной толщины выполняем на 100 мм ниже горизонтального ребра оголовка.
11.5 Расчет крепления опорных ребер к плите оголовка
Общая длина швов Σlwf = 2 ls,ef – 4*1 = 2*34 – 4 = 64 см, тогда
Такая высота катета углового шва превосходит максимальную kf,max = 1,2 tmin = 1,2*2 = 2,4 см., поэтому принимаем передачу усилий через фрезерованный конец, а сварные швы принимаем конструктивно по табл. 38*(1) kf,min = 7мм Вертикальные ребра подкрепляем горизонтальными ребрами толщиной 10 мм, шириной, равной ширине вертикального ребра, то есть 170 мм.
12. РАСЧЕТ БАЗ ЦЕНТРАЛЬНО-СЖАТЫХ КОЛОНН
Рассчитать и законструировать базу сплошной центрально сжатой колонны.
Исходные данные:
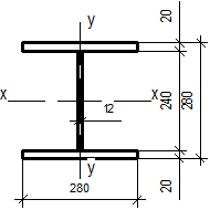
· продольная сила N = 2392,05 кН;
· сечение колонны: полки bfxtf = 280x20 мм, стенка hwxtw = 240x14 мм;
· материал элементов базы – сталь С245 по ГОСТ 27772-88;
· материал фундамента бетон B15 (Rb = 8,5 МПа = 0,85 кН/см2)
12.1 Определение требуемой площади опорной плиты
Принимая a = 1,0 и
находим по ф.102 [4] расчетное сопротивление бетона смятию
Rb,loc = a jb Rb = 1,0×1,2×0,85 = 1,02 кН/см2.
